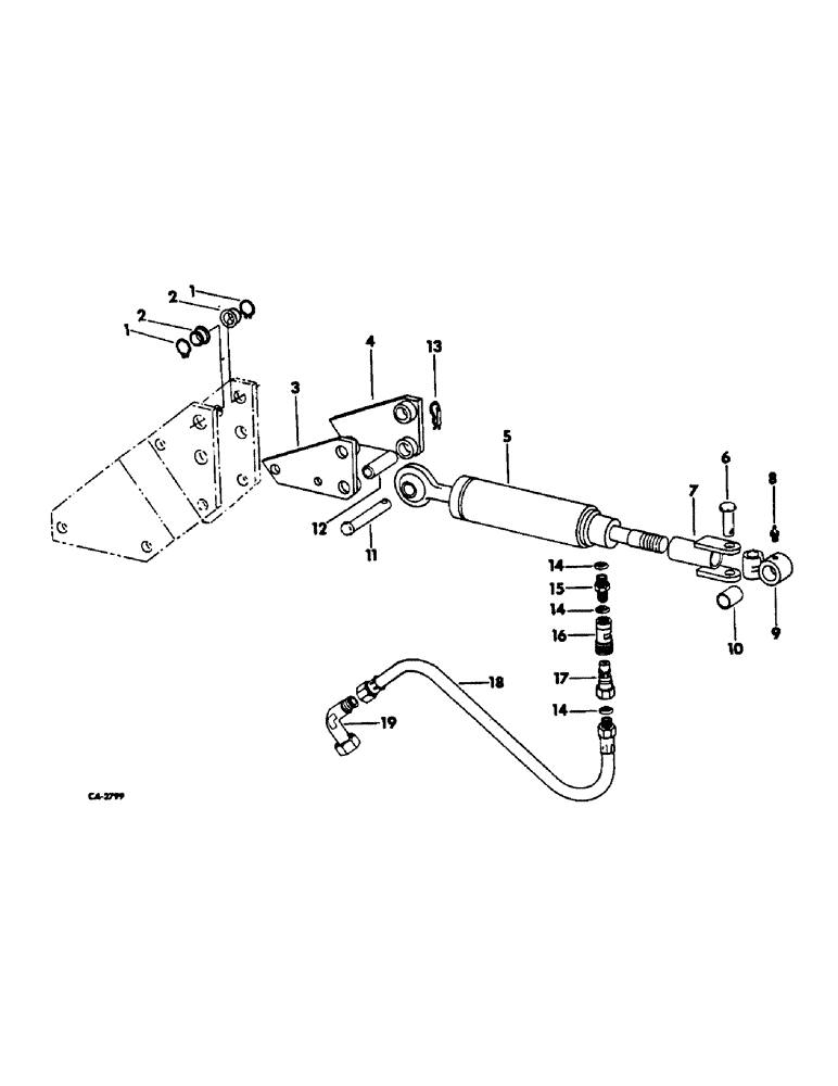
Запчасти Case IH 82-SERIES (B-42) - HYDRAULIC UPPER LINK CYLINDER AND CONNECTIONS, FOR ASSIST WHEELS

Схема запчастей Case IH 82-SERIES - (B-42) - HYDRAULIC UPPER LINK CYLINDER AND CONNECTIONS, FOR ASSIST WHEELS
FIT
1:1
100%

Артикул

Название

Примечание

Количество

1

152450R1

SNAP RING,#125, Ext

Ring, Snap, , mast bushing r #125, Ext

2шт.

2

541781R1

BUSHING

mast

2шт.

3

547235R1

PLATE ASSY, upper link adapter RH

1шт.

4

547234R1

PLATE ASSY, upper link adapter LH

1шт.

124589

BALL STUD,Hex, 5/8" - 11 x 2", Gr 5

5/8-11 znd hex.

1шт.

280954

NUT,3/4"-10, G5

1шт.

413-1076

BOLT,Hex, 5/8" - 11 x 4-3/4", Gr 5

SCREW, 5/8-11 x 4-3/4 znd hex-hd cap

1шт.

271783

CAGE,Hex, 3/4" - 10 x 5", Gr 5

SCREW, 3/4-10 x 5 znd hex-hd cap

1шт.

492-11062

BEARING WASHER,5/8"

WASHER, LOCK, 5/8"

1шт.

87340

LOCK WASHER,Helical Spring, 0.759" ID, CST, ZND

WASHER, LOCK, 3/4"

1шт.

5

530259R91

CYLINDER ASSY, hyd upper link, For components see list of parts under details of hydraulic cylinder

1шт.

6

23290R1

HEADED PIN,1" x 3 1/2"

PIN, 1 x 3-1/2 c-z std-hd

1шт.

432-1620

COTTER PIN,1/4" x 1 1/4"

Pin, Split (Cotter), 1/4" x 1 1/4"

1шт.

7

541775R1

YOKE

SLEEVE ASSY, upper link

1шт.

21996R1

LOCK PIN,1/4" x 1 3/8", Slotted

Pin, 1/4" x 1 3/8", Slotted

1шт.

8

66584D

FITTING

3/16 str drive type lub

1шт.

9

541778R1

TRUNNION

1шт.

10

541779R1

BUSHING, trunnion

1шт.

11

374132R1

PIN

upper link implement, built 1970

1шт.

11

22064R1

PIN

1 x 4-1/2 znd std-hd, built 1971 & since

1шт.

12

547238R1

SPACER

mast

1шт.

13

473865R91

LINCH PIN

PIN ASSY, depth stop

1шт.

14

364885R1

O-RING,0.097" Thk x 0.755" ID, -910, Cl 6, 90 Duro

3/4 x 15/16 x 3/32

3шт.

15

9410204

HYD CONNECTOR,7/8"-14, 37 Degree x 7/8"-14, O-Ring

UNION, 7/8-14 c-z 37 deg hyd flared tube to str thd O-ring boss

1шт.

16

395150R91

COUPLING, QUICK, FEM

COUPLING ASSY, hyd self-sealing female

1шт.

17

395149R1

QUICK MALE COUPLING

COUPLING ASSY, hyd self-sealing male

1шт.

18

467163R91

HOSE

ASSY, hydraulic, 28 in. long

1шт.

19

9410282

ELBOW,90 Degree, 7/8"-14, 37 Degree x 7/8"-14, 37 Degree Fem Sw

7/8-14 c-z 37 deg hyd flared tube male to female flared tube 90 deg swivel

1шт.

Выбрано товаров: 28