Запчасти Case IH 865 (AK-15) - FIRST AND SECOND GANG PARALLEL LINKAGE

Схема запчастей Case IH 865 - (AK-15) - FIRST AND SECOND GANG PARALLEL LINKAGE
3
18
9
17
21
19
23
24
27
5
1
29
7
13
10
20
25
6
25
30
16
22
26
4
11
8
12
31
2
26
15
28
14
FIT
1:1
100%

Артикул

Название

Примечание

Количество

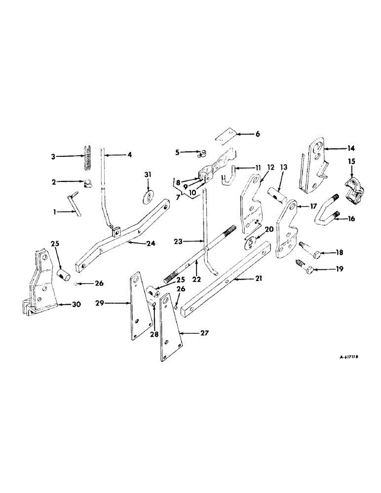
1

462932R91

SCREW ASSEMBLY, locking, unit A

1шт.

2

515086R1

TRUNNION, lift arm, unit A

1шт.

3

PO3A

SPRING

inner lift rod, unit A

1шт.

4

486935R1

ROD, lift, unit A

67шт.

4

523052R1

ROD

lift, unit A (60)

66шт.

432-1216

COTTER PIN,3/16" x 1"

Pin, Split (Cotter), 3/16" x 1"

2шт.

5

516595R11

COLLAR,16.67mm ID x 28.5mm OD x 19mm L

COLLAR W/SET SCREW, lift rod

1шт.

85-15010

SET SCREW,Sq Hd, 1/2"-13 x 5/8"

SCREW, 1/2 x 5/8 in. sq-hd cup-pt set

1шт.

6

CLIP, lift arm, discontinued for service

1шт.

7

ARM ASSEMBLY, short lift, discontinued for service

1шт.

104113

RIVET,But Hd, 3/8" x 1"

3/8 x 1 in. rd-hd

1шт.

NSS

NOT SOLD SEPARAT

ARM, short left lift

1шт.

9

468022R1

TRUNNION

lift arm, unit B

1шт.

10

NSS

NOT SOLD SEPARAT

ARM, short right lift

1шт.

11

U-BOLT, lift arm, discontinued for service

1шт.

280374

NUT,Hex, 5/8" - 11, Gr 5

5/8 type 5

2шт.

12

462953R1

ARM, parallel link pivot, tapped

1шт.

13

462923R1

SWIVEL, upper parallel link front, LH thd

1шт.

19471R1

PIN, SPLIT (COTTER),1/4" x 1 3/4"

2шт.

608700R1

WASHER

1-9/32 x 2 in. x 16 ga

2шт.

14

462968R91

BRACKET ASSEMBLY, gang head LH

1шт.

14

462967R91

BRACKET ASSEMBLY, gang head RH

1шт.

15

518859R1

CLAMP

head bracket

1шт.

16

462947R1

BOLT

U-BOLT, head bracket

1шт.

280954

NUT,3/4"-10, G5

2шт.

17

462956R1

ARM, parallel link pivot, not tapped

1шт.

18

463296R1

BOLT, locking

1шт.

463520R1

NUT, 5/8 in.

1шт.

19

522543R2

BOLT,Hex, 3/4" - 10 x 2 3/4"

lower parallel link front

1шт.

86636814

LUBE NIPPLE,1/4"-28 x .52" lg

FITTING, 1/4 in. straight lubrication

1шт.

426897

JAM NUT,Jam, 3/4"-10, G5

3/4 in. C-Z

1шт.

87340

LOCK WASHER,Helical Spring, 0.759" ID, CST, ZND

WASHER, LOCK, 3/4"

1шт.

19

522544R2

BOLT

lower parallel link rear

1шт.

86636814

LUBE NIPPLE,1/4"-28 x .52" lg

FITTING, 1/4 in. straight lubrication

1шт.

426897

JAM NUT,Jam, 3/4"-10, G5

3/4 in. C-Z jam

1шт.

87340

LOCK WASHER,Helical Spring, 0.759" ID, CST, ZND

WASHER, LOCK, 3/4"

1шт.

20

522532R1

RETAINER

WASHER, lower parallel link bearing, unit B (60)

66шт.

21

522523R1

LINK, gang outer lower, unit B

1шт.

22

522506R2

TURNBUCKLE

ROD, gang

1шт.

23

522502R1

ROD, lift, unit B

1шт.

432-1216

COTTER PIN,3/16" x 1"

Pin, Split (Cotter), 3/16" x 1"

2шт.

24

486939R1

BRACE ASSY, parallel link LH, unit A

67шт.

24

486940R1

BRACE ASSY, parallel link RH, unit A

67шт.

24

522522R1

LINK, inner lower parallel,unit A (60)

66шт.

25

522510R1

BAR

SWIVEL, upper parallel link rear

1шт.

19289R1

BOLT, 1/2 x 3/4 in. cd-pltd mach

1шт.

26

522591R1

PLUG

CUSHION, locking bolt

1шт.

27

522521R1

PLATE, tool bar attaching, not tapped, unit B

1шт.

523060R1

BOLT, 1/2 x 2-1/4 in. heat-treated crg

2шт.

120378

NUT,Hex, 1/2" - 13, Gr 5

NUT, 1/2"-13, G5

2шт.

28

522537R1

SPACER

tool bar attaching plate, unit B

1шт.

18810R1

BOLT,Hex, 1/2" - 13 x 2 1/4", Gr 2

1/2 in. C-Z lock

1шт.

120384

WASHER,1/2"

LOCK, 1/2"

1шт.

29

522520R1

PLATE, tool bar attaching, tapped, unit B

1шт.

30

462390R92

PLATE ASSY, gang LH, unit B

67шт.

30

462391R92

PLATE ASSY, gang RH, unit A

67шт.

30

462964R91

PLATE ASSY, gang LH, unit A (60)

66шт.

30

462965R92

PLATE ASSY, gang RH, unit A (60)

66шт.

523060R1

BOLT, 1/2 x 2-1/4 in. crg, heat-treated

2шт.

18824R1

BOLT,Hex, 5/8"-11 x 2 1/2", G2

5/8 x 2-1/2 in. C-Z mach

1шт.

120378

NUT,Hex, 1/2" - 13, Gr 5

NUT, 1/2"-13, G5

2шт.

280374

NUT,Hex, 5/8" - 11, Gr 5

5/8 in. C-Z

1шт.

492-11062

BEARING WASHER,5/8"

WASHER, LOCK, 5/8"

1шт.

31

486998R1

WASHER,20.63mm ID x 76.2mm OD x 1.52mm Thk

inside gang bearing, unit A

67шт.

Выбрано товаров: 64