Запчасти Case IH 92 (D-06) - PARALLEL LINKAGE, 1 PER ROW

Схема запчастей Case IH 92 - (D-06) - PARALLEL LINKAGE, 1 PER ROW
FIT
1:1
100%

Артикул

Название

Примечание

Количество

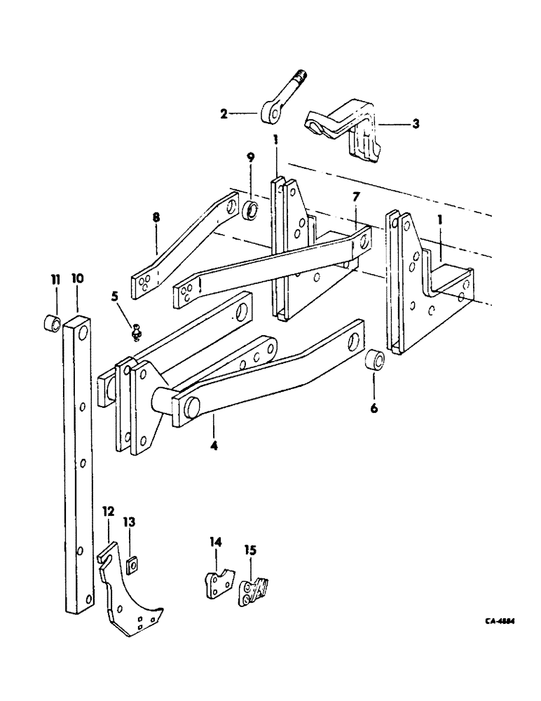
1

61670C1

BRACKET ASSY, head

2шт.

2

61674C1

EYE

BOLT, 7/8 in.

4шт.

22096R1

HEADED PIN,3/4" x 2 1/4"

PIN, 3/4 x 2-1/4 znd std-hd

4шт.

432-1624

COTTER PIN,1/4" x 1 1/2"

Pin, Split (Cotter), 1/4" x 1 1/2"

4шт.

23831R1

NUT,7/8"-9, G8

7/8-9 znd hex.

4шт.

131047

WASHER,7/8"

7/8"

4шт.

3

61664C1

CAP, beam

2шт.

4

61665C1

LINKAGE ASSY, parallel

1шт.

5

271432

LUBE NIPPLE,1/4" x .47 lg, Drive

FITTING, 1/4 str drive lube

1шт.

6

61675C1

BUSHING, pivot

2шт.

27837R1

BOLT, 3/4 x 2-3/4 crg type 5

2шт.

87340

LOCK WASHER,Helical Spring, 0.759" ID, CST, ZND

WASHER, LOCK, 3/4"

2шт.

280954

NUT,3/4"-10, G5

2шт.

7

61676C1

LINK, upper parallel RH

1шт.

8

61677C1

LINK, upper parallel LH

1шт.

9

61678C1

BUSHING, front pivot

2шт.

426-1040

BOLT,Hex, 5/8" - 11 x 2-1/2", Gr 8

SCREW, 5/8-11 x 2-1/2 znd hex-hd cap

2шт.

492-11062

BEARING WASHER,5/8"

WASHER, LOCK, 5/8"

2шт.

124589

BALL STUD,Hex, 5/8" - 11 x 2", Gr 5

5/8-11 znd hex.

2шт.

10

61679C1

BEAM

1шт.

11

525041R2

BUSHING

1шт.

271728

SHAFT,Hex, 5/8" - 11 x 3 1/4", Gr 5

SCREW, 5/8-11 x 3-1/4 znd hex-hd cap

1шт.

492-11062

BEARING WASHER,5/8"

WASHER, LOCK, 5/8"

1шт.

280374

NUT,Hex, 5/8" - 11, Gr 5

5/8-11 znd hex.

1шт.

271776

BOLT,Hex, 3/4" - 10 x 3 1/4", Gr 5

SCREW, 3/4-10 x 3-1/4 znd hex-hd cap

2шт.

87340

LOCK WASHER,Helical Spring, 0.759" ID, CST, ZND

WASHER, LOCK, 3/4"

2шт.

280954

NUT,3/4"-10, G5

2шт.

12

PO28367A

PLATE

side

2шт.

413-1048

BOLT,Hex, 5/8" - 11 x 3", Gr 5

SCREW, 5/8-11 x 3 znd hex-hd cap

1шт.

271729

BOLT,Hex, 5/8" - 11 x 3 1/2", Gr 5

SCREW, 5/8-11 x 3-1/2 znd hex-hd cap

1шт.

PO28369

STRIP

SPACER, side plate

1шт.

13

PO28185

BLOCK

WASHER, special on upper bolt

2шт.

492-11062

BEARING WASHER,5/8"

WASHER, LOCK, 5/8"

2шт.

124589

BALL STUD,Hex, 5/8" - 11 x 2", Gr 5

5/8-11 znd hex.

2шт.

14

PO28181

BLOCK

LH spacer

1шт.

15

PO28182

ANCHOR

BLOCK, RH spacer

1шт.

18709R1

BOLT,Short NK, 1/2"-13 x 2 3/4", G2

1/2 x 2-3/4 crg type 1

1шт.

120384

WASHER,1/2"

LOCK, 1/2"

1шт.

120378

NUT,Hex, 1/2" - 13, Gr 5

NUT, 1/2"-13, G5

1шт.

16874R1

BOLT,Short NK, 7/16"-14 x 2 3/4", G2

7/16 x 2-3/4 crg type 1

2шт.

120383

LOCK WASHER,Helical Spring, 7/16"

WASHER, LOCK, 7/16"

2шт.

NLS

NO LONGER SERVICED

NUT, 7/16 type 5

2шт.

Выбрано товаров: 0