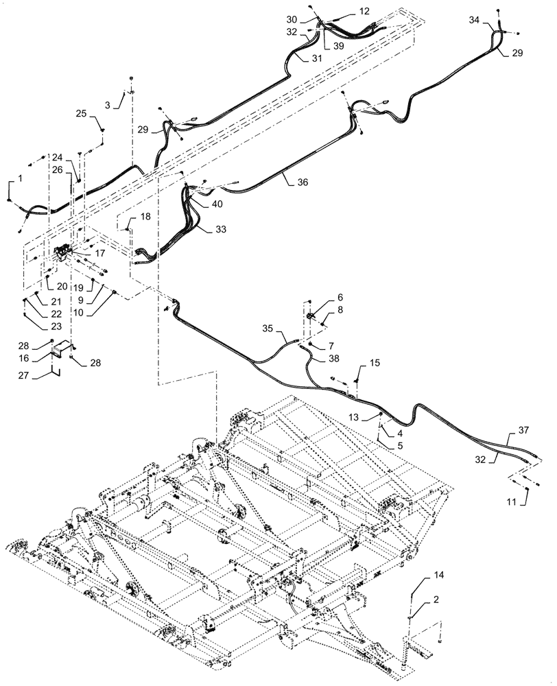
1
128830
90 ELBOW,3/4" - 16 JIC x 3/4" - 16 ORB
13шт.
2
06200125
HOSE CLAMP
2шт.
3
88682
CARRIAGE BOLT,Short Nk, 3/8"-16 x 1", Gr 5
30шт.
4
22510710
HOSE CLAMP
3/4"
35шт.
5
280661
CARRIAGE BOLT,Sq Nk, 3/8" - 16 x 2", Gr 5
3шт.
6
47937500
VALVE
SPDC
1шт.
7
214389
PLUG,3/4" - 16 ORB
1шт.
8
81827427
HYD CONNECTOR,3/4" - 16 JIC x 3/4" - 16 ORB
4шт.
9
128825
O-RING,0.087" Thk x 0.644" ID, -908, Cl 6, 90 Duro
3шт.
10
84269593
FILTER
100 Micron
4шт.
11
25705041
COUPLING
3/4"
2шт.
12
84360212
CABLE TIE,294.2mm L, Nylon
4шт.
13
88902
NUT,3/8"-16
39шт.
14
88444
BOLT,Hex, 3/8" - 16 x 2 3/4", Gr 5
2шт.
15
327144A1
STRAP,328mm L
3шт.
16
47947233
MOUNT
Valve
1шт.
17
47860862
VALVE BODY
Lift And Fold
1шт.
18
128996
TEE,3/4" - 16 JIC x 3/4" - 16 JIC x 3/4" - 16 JIC
1шт.
19
87329794
FITTING
1/2" x 3/4"
3шт.
20
128819
HYD CONNECTOR,7/8" - 14 ORB x 3/4" - 16 JIC
6шт.
21
525646
HYD CONNECTOR,7/8" - 14 ORB x 9/16" - 18 JIC
3шт.
22
129274
TEE,9/16" - 18 JIC x 9/16" - 18 JIC x 9/16" - 18 JIC
2шт.
23
86629586
90 ELBOW,9/16" - 18 JIC x 9/16" - 18 Fem Sw
2шт.
24
86512937
ELBOW,90 Degree, 9/16"-18, 37 Degree x 9/16"-18, O-Ring
1шт.
25
86513014
TEE,9/16" - 18 JIC x 9/16" - 18 JIC x 9/16" - 18 JIC
2шт.
26
280258
BOLT,Hex, 3/8" - 16 x 6", Gr 5
3шт.
27
87427177
U-BOLT
5/8"
2шт.
28
85700693
NUT,5/8" - 11, Gr C
4шт.
29
1337361C1
HOSE ASSY.
1/2" x 160"
2шт.
30
90874C1
HYDRAULIC HOSE
.500 x 55"
1шт.
31
91241C1
HYDRAULIC HOSE,12.70 mm ID x 5080.00 mm, SAE 100R1
.500 x 200"
1шт.
32
134209A1
HOSE
.500 x 345"
2шт.
33
196584C2
HYDRAULIC HOSE
.500 x 95"
1шт.
34
87537225
HOSE
.500 x 390"
1шт.
35
91203C1
HOSE,12.70 mm ID x 3175.00 mm
.500 x 125"
1шт.
36
1978106C1
HOSE
.500 x 240"
1шт.
37
1337360C1
HOSE ASSY.
1/2" x 175"
1шт.
38
168132C2
HYDRAULIC HOSE,12.70 mm ID x 1650.00 mm
1/2" x 65"
1шт.
39
91160C1
HYDRAULIC HOSE,12.70 mm ID x 1090.00 mm, SAE 100R1
.500 x 43"
1шт.
40
90879C1
HYDRAULIC HOSE,12.70 mm ID x 2030.00 mm, SAE 100R1
.500 x 80"
1шт.