Запчасти Case IH 120 (W-05) - HITCH COUPLING COMPLETING PACKAGE

Схема запчастей Case IH 120 - (W-05) - HITCH COUPLING COMPLETING PACKAGE
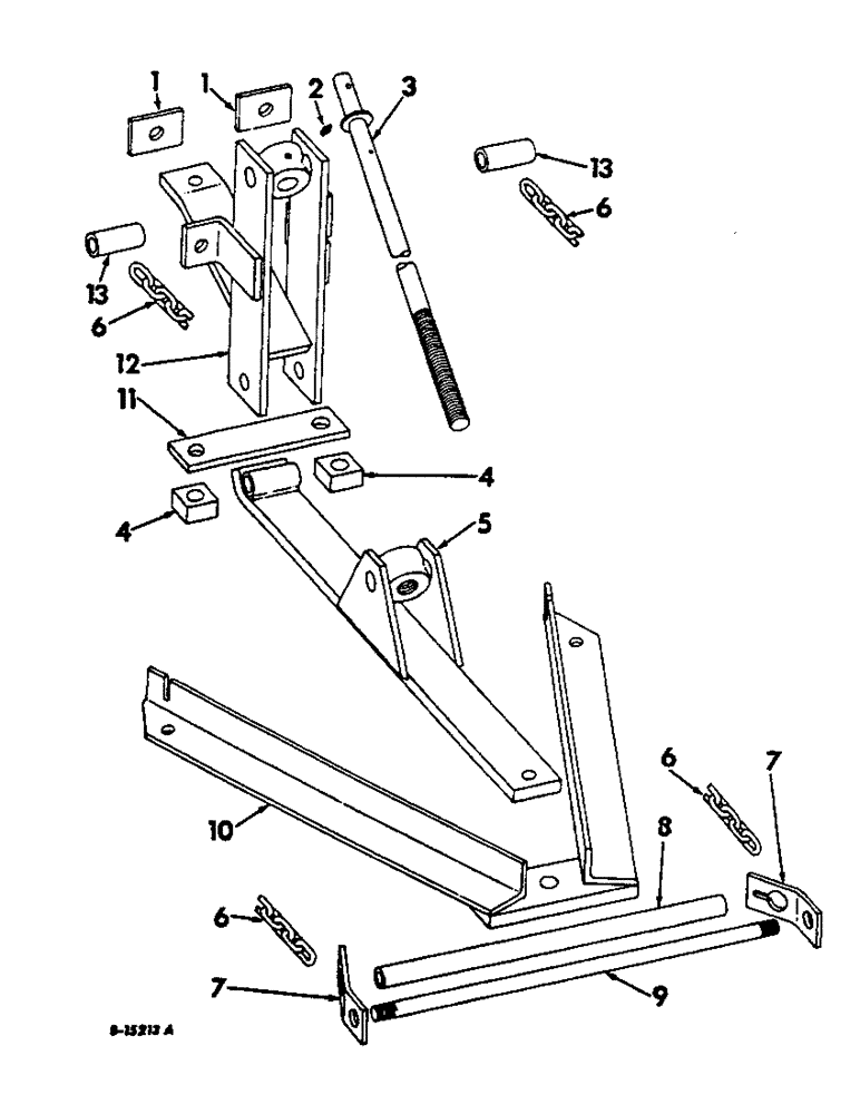
6
2
12
7
6
13
1
3
9
11
7
8
10
6
6
5
1
4
4
13
FIT
1:1
100%

Артикул

Название

Примечание

Количество

1

478723R2

BLOCK

2шт.

2

219-8

LUBE NIPPLE,1/4" - 28 NPTF

FITTING, 1/4-28 str lub

1шт.

3

478316R91

ROD ASSY, hitch adjusting

1шт.

21162R1

WASHER

1-1/32 x 2 x 7 ga C-Z

1шт.

17154R1

LOCK PIN,1/4" x 1 7/8", Slotted

Pin, 1/4" x 1 7/8", Slotted

1шт.

18808R1

BOLT

7/16 x 6 C-Z hex-hd mach

1шт.

473213R1

LOCK NUT,7/16"-14, GB

NUT, 7/16-14 C-Z lock

1шт.

4

480437R1

SPACER

2шт.

271726

ROTOR,Hex, 5/8" - 11 x 2 3/4", Gr 5

SCREW, 5/8-11 x 2-3/4 C-Z hex-hd cap

2шт.

492-11062

BEARING WASHER,5/8"

WASHER, LOCK, 5/8"

2шт.

280374

NUT,Hex, 5/8" - 11, Gr 5

5/8-11 C-Z hex.

2шт.

87403

BOLT,Hex, 3/4" - 10 x 2 1/4", Gr 5

1шт.

473244R1

LOCK NUT,3/4"-10, GB

NUT, 3/4-10 C-Z lock

1шт.

5

478318R92

BAR ASSY, hitch

1шт.

19873R1

HARDWARE,Hex, 3/4"-10 x 5 1/2", G5

SCREW, 3/4-10 x 5-1/2 C-Z hex-hd cap

1шт.

473244R1

LOCK NUT,3/4"-10, GB

NUT, 3/4-10 C-Z lock

1шт.

6

478325R2

CHAIN, lift, 20 links 7/0 machine

2шт.

18710R1

CARRIAGE BOLT,Sq Nk, 1/2" - 13 x 3", Gr 2

BOLT, 1/2 x 3 C-Z crg

2шт.

120384

WASHER,1/2"

LOCK, 1/2"

2шт.

120378

NUT,Hex, 1/2" - 13, Gr 5

NUT, 1/2"-13, G5

2шт.

7

651402R1

BRACKET, chain

2шт.

8

651442R1

SPACER, pipe

1шт.

9

478724R1

ROD, hitch

1шт.

473244R1

LOCK NUT,3/4"-10, GB

NUT, 3/4-10 C-Z lock

2шт.

10

651436R91

FRAME ASSY, hitch

1шт.

271723

SNAP RING,Hex, 5/8" - 11 x 2", Gr 5

SCREW, 5/8-11 x 2 C-Z hex-hd cap

2шт.

492-11062

BEARING WASHER,5/8"

WASHER, LOCK, 5/8"

2шт.

280374

NUT,Hex, 5/8" - 11, Gr 5

5/8-11 C-Z hex.

2шт.

11

478322R2

BAR, retainer

1шт.

12

478312R92

SUPPORT ASSY, mast

1шт.

271548

BOLT (SPREADER),Hex, 5/8" - 11 x 1 3/4", Gr 5

SCREW, 5/8-11 x 1-3/4 C-Z hex-hd cap

3шт.

492-11062

BEARING WASHER,5/8"

WASHER, LOCK, 5/8"

3шт.

280374

NUT,Hex, 5/8" - 11, Gr 5

5/8-11 C-Z hex.

3шт.

13

PO12482

SPACER,3/4" Pipe x 7/8"

hinge stop bar

2шт.

Выбрано товаров: 34