Запчасти Case IH 300 (56) - TWO SPEED SEEDING DRIVE, BUILT 1975 AND SINCE

Схема запчастей Case IH 300 - (56) - TWO SPEED SEEDING DRIVE, BUILT 1975 AND SINCE
10
9
11
12
10
14
4
8
13
10
5
2
11
3
6
3
1
6
7
2
10
7
1
FIT
1:1
100%

Артикул

Название

Примечание

Количество

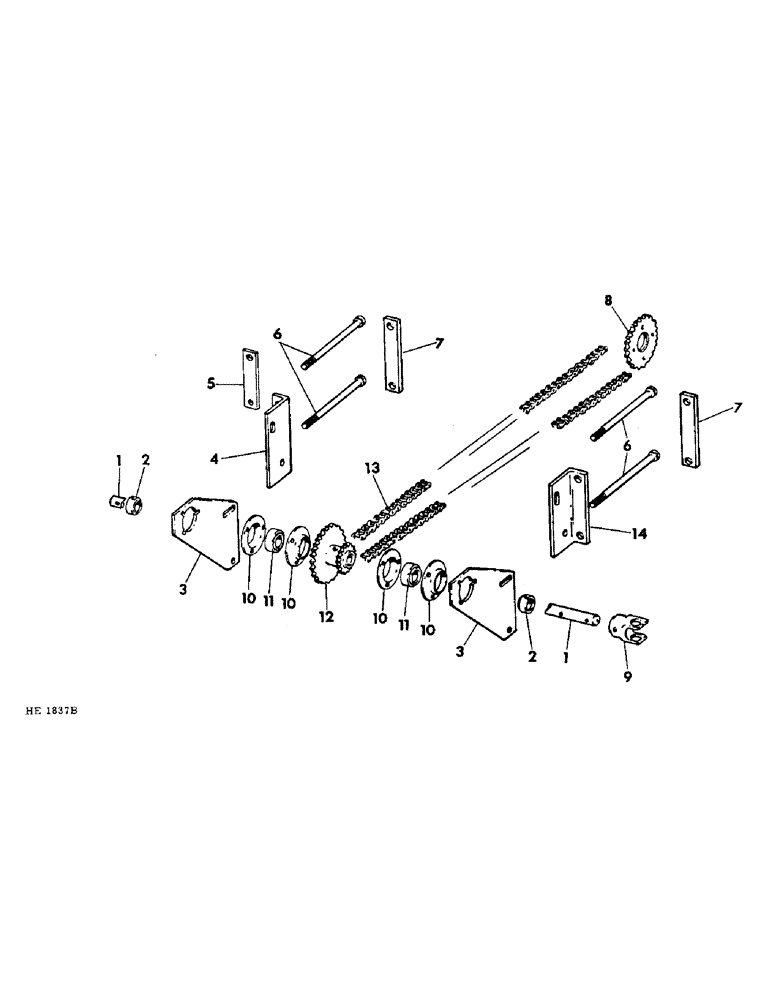
1

813133C1

SHAFT

two speed drive

1шт.

2

455102R11

COLLAR

ASSY., bearing locking, Includes 1, 102569 screw

2шт.

83-1254

SET SCREW,Hex Soc, 1/4"-20 x 1/4"

SCREW, 1/4-20 x 1/4 cup-pt-hdls set

2шт.

3

811437C1

PLATE, drive shaft support

2шт.

180175

BOLT,Hex, 1/2" - 13 x 1 1/4", Gr 5

1/2-13 x 1-1/4 hex hd

3шт.

180177

BOLT,Hex, 1/2" - 13 x 1 1/2", Gr 5

1/2-13 x 1-1/2 hex hd

1шт.

120378

NUT,Hex, 1/2" - 13, Gr 5

NUT, 1/2"-13, G5

4шт.

20601R1

WASHER

.531 x 1.250 x .090

2шт.

120384

WASHER,1/2"

LOCK, 1/2"

4шт.

4

811448C1

ANGLE

drive support RH

1шт.

5

812533C3

BAR, throwout cam stop

1шт.

113-257

BOLT,Hex, 3/8" - 16 x 2-1/2", Gr 5

3/8-16 x 2-1/2 hex-hd

1шт.

120377

NUT,3/8" - 16, Gr 5

2шт.

120382

LOCK WASHER,Helical Spring, 3/8"

WASHER, LOCK, 3/8"

1шт.

6

18503R1

BOLT,Hex, 1/2" - 13 x 7 1/2", Gr 5

1/2-13 x 7-1/2 hex-hd

4шт.

120378

NUT,Hex, 1/2" - 13, Gr 5

NUT, 1/2"-13, G5

4шт.

120384

WASHER,1/2"

LOCK, 1/2"

4шт.

7

811451C1

BAR

support clamping

2шт.

8

811466C1

SPROCKET ASSY.

SPROCKET, 24T driven, For service parts refer to grain drive clutch

1шт.

9

597147R1

YOKE

universal

1шт.

379990R1

HEADED PIN

PIN, 3/8 x 2 std-hd-dld

1шт.

103384

COTTER PIN,1/8" x 3/4"

Pin, Split (Cotter), 1/8" x 3/4"

1шт.

10

462360R1

FLANGED BEARING

RETAINER, bearing flangette

4шт.

598803R1

CARRIAGE BOLT,Short NK, 5/16"-18 x 1", G5, Full Thd

BOLT, 5/16-18 x 1 crg

6шт.

134238R1

WASHER

.344 x 1.000 x .054

6шт.

120376

NUT,5/16"-18, G5

6шт.

80681

LOCK WASHER,5/16"

WASHER, LOCK, 5/16"

6шт.

11

204807C91

BEARING ASSY,25.4mm ID x 52mm OD x 15mm W

BEARING, drive shaft

2шт.

12

811459C1

SPROCKET ASSY.

two speed drive

1шт.

Q1331

HEADED PIN,3/8" x 2"

PIN, 3/8 x 2 std hd dld

1шт.

103384

COTTER PIN,1/8" x 3/4"

Pin, Split (Cotter), 1/8" x 3/4"

1шт.

CHAIN ASSY., drive, Use 23 links of 1-1/4 inch roller chain from a 10 ft. roll 569089R91 and add one offset link 456929R91 and one connecting link 456980R91. Assemble in sequence of two regular links, one offset link, 21 regular links and one connecting link

1шт.

14

811447C1

ANGLE

drive support LH

1шт.

Выбрано товаров: 33