Запчасти Case IH 310 (9-014) - GRAIN FEED SHAFT (09) - CHASSIS/ATTACHMENTS

Схема запчастей Case IH 310 - (9-014) - GRAIN FEED SHAFT (09) - CHASSIS/ATTACHMENTS
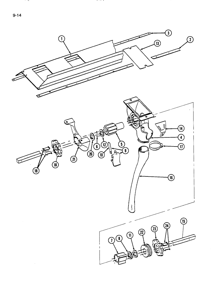
5
13
18
24
3
9
6
23
17
4
21
22
8
15
19
2
11
10
16
7
14
12
20
1
FIT
1:1
100%

Артикул

Название

Примечание

Количество

1

811418C1

ASSEMBLY

SECTION - grain bottom partition, (12 foot)

1шт.

1

811482C1

ASSEMBLY

SECTION - grain bottom partition, (16 foot)

2шт.

413-510

BOLT,Hex, 5/16" - 18 x 5/8", Gr 5

(16 foot) Hex, 5/16"-18 x 5/8", G5, Full Thd

2шт.

413-612

BOLT,Hex, 3/8" - 16 x 3/4", Gr 5

(17 used on 12 foot) Hex, 3/8"-16 x 3/4", G5, Full Thd

34шт.

413-616

BOLT,Hex, 3/8" - 16 x 1", Gr 5

- hex, 3/8 NC x 1 inch

4шт.

425-105

NUT,5/16"-18, G5

- hex, 5/16 inch NC, (16 foot)

2шт.

425-106

NUT,3/8"-16, Cl 5

(17 used on 12 foot) 3/8"-16, G5

34шт.

492-11031

LOCK WASHER,5/16"

WASHER, LOCK, (16 foot) 5/16"

2шт.

492-11038

LOCK WASHER,3/8"

(17 used on 12 foot) 3/8"

34шт.

2

811443C1

BAR

- feed cup guide, front, (12 foot)

2шт.

2

811523C1

BAR

- feed cup guide, front, (16 foot)

2шт.

3

811441C1

BAR

- feed cup guide, rear, (12 foot)

2шт.

3

811528C1

BAR

- feed cup guide, rear, (16 foot)

2шт.

4

603816R92

CUP

ASSEMBLY - fluted feed (Consists of Reference Nos. 5, 7 and 8)(24 used on 12 foot)

32шт.

432-1216

COTTER PIN,3/16" x 1"

(24 used on 12 foot) 3/16" x 1"

32шт.

4

603295R92

CUP

- grain feed, (24 used on 12 foot)

32шт.

413-520

BOLT,Hex, 5/16" - 18 x 1-1/4", Gr 5

- hex, 5/16 NC x 1-1/4 inch, (48 used on 12 foot)

64шт.

425-105

NUT,5/16"-18, G5

- hex, 5/16 inch NC, (48 used on 12 foot)

64шт.

492-11031

LOCK WASHER,5/16"

WASHER, LOCK, (48 used on 12 foot) 5/16"

64шт.

495-81114

WASHER,8.74mm ID x 19.05mm OD x 1.7mm Thk

- flat, 11/32 x 3/4 x 3/64 inch

1шт.

5

603111R1

ROLLER

SHAFT - fluted roll, (24 used on 12 foot)

32шт.

6

603134R1

PIN,4.76mm OD x 29.37mm L

- roll, feed cup, (24 used on 12 foot)

32шт.

7

603112R1

BLOCK

- shut off, (24 used on 12 foot)

32шт.

8

602106R1

SQ HOLE WASHER

- square hole, 21/32 x 1-11/64 x 1/64 inch

1шт.

9

603108R21

BOTTOM

ASSEMBLY - feed cup dump, (24 used on 12 foot)

32шт.

17083R1

COTTER PIN,3/16" x 3"

(24 used on 12 foot) 3/16" x 3"

32шт.

10

603178R1

LATCH

- dump bottom, (24 used on 12 foot)

32шт.

106883

RIVET,Truss Hd, 3/16" x 3/8"

(24 used on 12 foot) Truss Hd, 3/16" x 3/8"

32шт.

11

N11720

WASHER

- square hold, 21/32 x 1-1/2 x 3/32 inch, (24 used on 12 foot)

32шт.

12

603231R1

SPRING WASHER,16.67mm ID x 30.2mm OD x 0.71mm Thk

- feed cup spring, (24 used on 12 foot)

32шт.

13

603677R2

PLATE

COVER PLATE - grain feed shut off, (24 used on 12 foot)

32шт.

14

606034R1

GUARD

PLATE - grain feed, (24 used on 12 foot)

32шт.

15

811452C2

BAR

- grain feed shaft, (12 foot)

2шт.

15

811486C2

BAR

- grain feed shaft, (16 foot)

2шт.

16

811599C1

TUBE,1.75" ID, 1.55, 1.35" OD, 28.6" Length

- grain, (24 used on 12 foot)

32шт.

17

214-259

HOSE CLAMP,#32, 1.56" - 2.5", Type F Worm

CLAMP - hose retaining, (24 used on 12 foot)

32шт.

18

596913R1

SPROCKET ASSY.

SPROCKET - 10 tooth, feed shaft, driven

2шт.

19

N11792

CLIP

- sprocket retaining

4шт.

20

N11791

WASHER

- sprocket retaining

4шт.

21

811514C1

HANGER

- drive sprocket

2шт.

413-516

BOLT,Hex, 5/16" - 18 x 1", Gr 5

- hex, 5/16 NC x 1 inch

4шт.

425-105

NUT,5/16"-18, G5

- hex, 5/16 inch NC

4шт.

492-11031

LOCK WASHER,5/16"

WASHER, LOCK, 5/16"

4шт.

22

604420R1

GEAR

- acreage counter worm, (12 foot)

1шт.

22

596914R1

GEAR

- acreage counter worm, (16 foot)

1шт.

23

815324C1

DRIVE SPROCKET

SPROCKET - grass seed drive (For service refer to Avadex drive prior to 1981 season, See Page 9-109)

1шт.

24

815803C1

CLIP

- sprocket retaining (Prior to 1981 season)

4шт.

Выбрано товаров: 47