Запчасти Case IH 310 (9-048) - LAND WHEEL AND STEERING (09) - CHASSIS/ATTACHMENTS

Схема запчастей Case IH 310 - (9-048) - LAND WHEEL AND STEERING (09) - CHASSIS/ATTACHMENTS
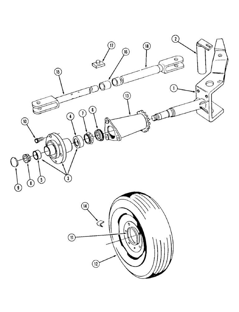
1
4
7
14
15
6
9
12
18
8
13
5
11
3
17
2
16
10
FIT
1:1
100%

Артикул

Название

Примечание

Количество

1

596843R1

AXLE

ASSEMBLY - land wheel

1шт.

619373R1

WASHER

- flat, 29/32 x 2 x 5/32 inch

1шт.

70120D

SLOTTED NUT,7/8"-14

NUT - hex, slotted 7/8 inch NC

1шт.

2

596848R1

PIN

ASSEMBLY - land wheel axle

1шт.

22188R1

WASHER

- flat, 2.281 x 3.00 x 0.067 inch

1шт.

413-820

BOLT,Hex, 1/2" - 13 x 1-1/4", Gr 5

- hex, 1/2 NC x 1-1/2 inch

1шт.

3

596851R21

HUB

ASSEMBLY - land wheel

1шт.

4

663558R1

BEARING CUP

CUP - bearing, inner, 2-57/64 inch OD

1шт.

5

651817R1

BEARING CUP

CUP - bearing, outer

1шт.

5

651817R1GV

BEARING CUP

Value, Bearing Cup

1шт.

6

606556R91

OIL SEAL

SEAL - wheel hub oil

1шт.

7

663557R91

BEARING ASSY,1.625" ID x 2.892" OD x 0.77"

CONE - bearing, inner, 1-5/8 inch ID

1шт.

8

651818R91

ROLLER BEARING,31.77 mm ID x 16.08 mm

CONE - bearing, outer

1шт.

9

663906R1

CAP

- wheel hub

1шт.

10

351079R1

BOLT,Hex Counter Shank, 1/2" - 20 x 23/32"

- wheel

3шт.

453770R1

WHEEL NUT

- wheel, 1/2 inch NC

3шт.

11

598999R1

RIM

WHEEL - 10 x 15 inch, land

1шт.

114-405

BOLT,Hex, 1/2" - 20 x 1-3/4", Gr 5

- hex, 1/2 NC x 1-3/4 inch

3шт.

12

REF

INSTRUCTION

TIRE - 11L-15 6 PR I-1 rib tread tubeless

1шт.

810769C1

VALVE

- tubeless tire, steel

1шт.

13

NSS

NOT SOLD SEPARAT

SPROCKET - land wheel drive, 13 tooth

1шт.

ITEM 13, SEE PREVIOUS PAGE.MCK11/98

1шт.

114-411

BOLT,Hex, 1/2" - 20 x 2-1/4", Gr 5

- hex, 1/2 NC x 2-1/4 inch

3шт.

14

811382C1

PACKAGE

KIT - tire valve guard service

1шт.

15

596853R1

TUBE

ASSEMBLY - land wheel front steering

1шт.

22096R1

HEADED PIN,3/4" x 2 1/4"

PIN - headed, 3/4 x 2-1/4 inch

1шт.

32-1620

COTTER PIN,1/4" x 1 1/4"

PIN, SPLIT (COTTER), 1/4" x 1 1/4"

1шт.

16

596856R1

SPACER

- collar

1шт.

22966R1

HEADED PIN,5/8" x 2 3/8"

PIN - headed, 5/8 x 2-3/8 inch

1шт.

1978738C1

HAIR PIN COTTER

internal

1шт.

17

597973R2

STOP

ASSEMBLY - land wheel

1шт.

425-1012

NUT,3/4"-10, G5

1шт.

18

596857R1

TUBE,43.5" Length

- land wheel steering, rear, (12 foot)

1шт.

18

596860R1

TUBE

- land wheel steering, rear, (16 foot)

1шт.

22096R1

HEADED PIN,3/4" x 2 1/4"

PIN - headed, 3/4 x 2-1/4 inch

1шт.

32-1620

COTTER PIN,1/4" x 1 1/4"

PIN, SPLIT (COTTER), 1/4" x 1 1/4"

1шт.

132-54

COTTER PIN,1/8" x 1 3/4"

Pin, Split (Cotter), 1/8" x 1 3/4"

1шт.

Выбрано товаров: 37