Запчасти Case IH 310 (4-04) - AVADEX CLUTCH CONTROL, SINGLE MACHINE, 1981 SEASON AND AFTER (04) - ELECTRICAL SYSTEMS

Схема запчастей Case IH 310 - (4-04) - AVADEX CLUTCH CONTROL, SINGLE MACHINE, 1981 SEASON AND AFTER (04) - ELECTRICAL SYSTEMS
13
15
17
6
2
11
14
8
16
3
7
4
9
10
1
12
FIT
1:1
100%

Артикул

Название

Примечание

Количество

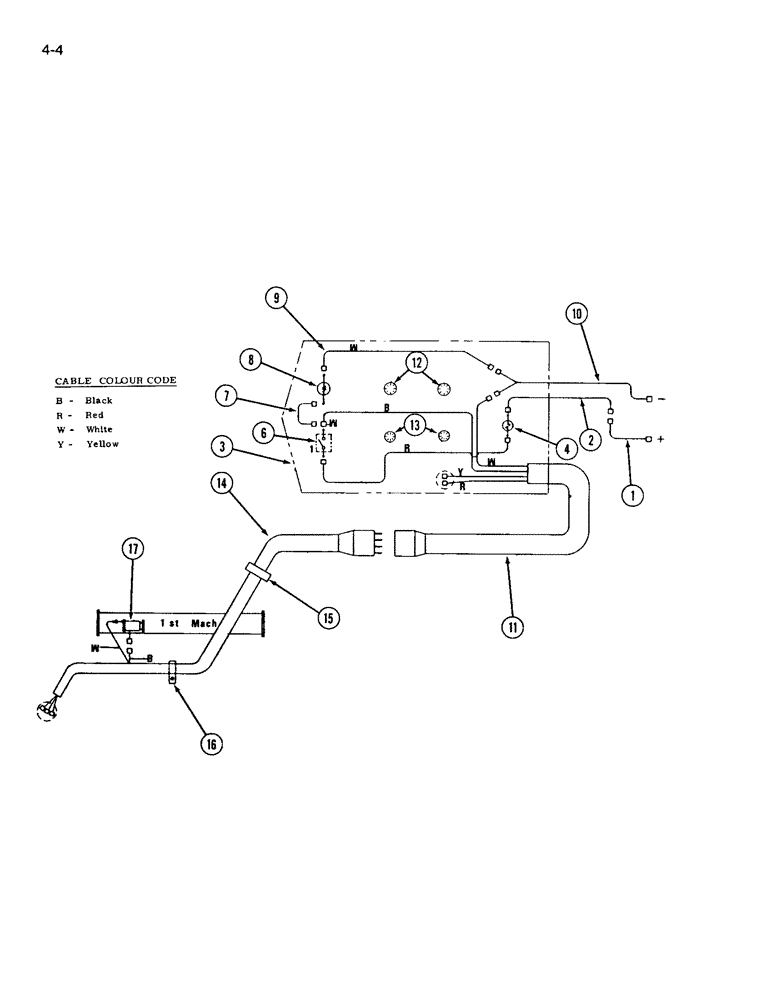
1

125141C1

CABLE

- fusible link

1шт.

2

814969C1

CABLE

- fuse holder

1шт.

3

116259C4

BOX

ASSEMBLY - control (See Page 4-11)

1шт.

86505867

BOLT,Hex, 1/4" - 20 x 1", Gr 5

2шт.

425-104

NUT,1/4"-20, Cl 5

- hex, 1/4 inch NC

2шт.

492-11025

LOCK WASHER,1/4"

WASHER, LOCK, 1/4"

2шт.

4

376852R91

HOUSING

- fuse

1шт.

9426333

FUSE,15 Amp, Type 3AG

- 3AG, 15 ampere

1шт.

356445R91

KNOB

- fuse holder

1шт.

5

811591C1

CABLE

- switch

1шт.

6

814982C1

SWITCH

- clutch control

1шт.

7

811590C1

CABLE

-, Serial Range: switch-light

1шт.

8

109369C91

LIGHT ASSY.

LIGHT ASSEMBLY - indicator

1шт.

200557H1

BULB,C2V, #1815, 14V

- lamp, No. 1815

1шт.

71652C1

LENS

- lamp

1шт.

9

811592C1

CABLE

-, Serial Range: light-ground

1шт.

10

814980C1

CABLE

- ground

1шт.

11

814989C1

HARNESS

- control box wiring

1шт.

12

432487

HOLE PLUG BUTTON,11/16"

PLUG - 11/16 inch hole diameter, button

2шт.

13

188002

HOLE PLUG BUTTON,1/2"

PLUG - 1/2 inch hole diameter, button

2шт.

14

814990C1

HARNESS

- front wiring

1шт.

15

58555C1

FASTENER

STRAP - retaining, 7 inch long

12шт.

16

299406C1

CLAMP,7/16", Insul, 3/8" Bolt

6шт.

17

814979C91

CLUTCH

ASSEMBLY, Avadex drive (See Page 4-11)

1шт.

Выбрано товаров: 24