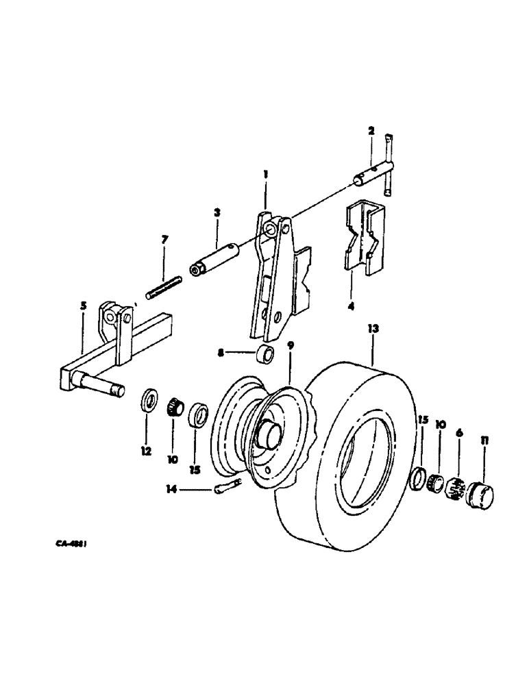
Запчасти Case IH 350 (AR-5) - GAUGE WHEEL ATTACHMENT, SERIAL NO. 590000U00951 & BELOW

Схема запчастей Case IH 350 - (AR-5) - GAUGE WHEEL ATTACHMENT, SERIAL NO. 590000U00951 & BELOW
7
4
6
9
10
8
2
14
3
11
5
10
15
1
12
13
15
FIT
1:1
100%

Артикул

Название

Примечание

Количество

1

63113C1

BRACKET, mtg LH

1шт.

1

63114C1

BRACKET, mtg RH

1шт.

2

63115C1

HANDLE

2шт.

3

63116C1

SLEEVE, adjusting

2шт.

21762R1

WASHER

.906 x 1.375 x .120

4шт.

576485R1

LOCK PIN,1/4" x 1 1/4", Slotted

2шт.

576483R1

LOCK PIN,5/16" x 1 1/2", Slotted

Pin, 5/16" x 1 1/2", Slotted

2шт.

4

63117C1

CLAMP

1шт.

20527R1

BOLT

5/8-18 x 8 znd hex-hd mach

4шт.

492-11062

BEARING WASHER,5/8"

WASHER, LOCK, 5/8"

4шт.

280374

NUT,Hex, 5/8" - 11, Gr 5

5/8-18 znd hex.

4шт.

5

63118C1

ARM, adj axle LH

1шт.

5

63119C1

ARM, adj axle RH

1шт.

103409

PIN, SPLIT (COTTER),3/16" x 1 1/2"

2шт.

6

63120C1

NUT

1-14 znd slt jam

2шт.

7

63121C1

SCREW, adjusting

2шт.

17069R1

LOCK PIN,5/16" x 1 3/4", Slotted

Pin, 5/16" x 1 3/4", Slotted

2шт.

8

63122C1

BUSHING, pivot

2шт.

18824R1

BOLT,Hex, 5/8"-11 x 2 1/2", G2

5/8-11 x 2-1/2 znd hex-hd mach

2шт.

9413969

NUT,5/8"-11, GB

5/8-11 znd hex. lock

2шт.

9

811165C91

WHEEL ASSY, 8 in. hub w/cup

2шт.

10

463911R91

ROLLER BEARING,1" ID x 0.58"

BEARING, cone

4шт.

11

811012C1

CAP

hub

2шт.

12

811011C1

SEAL

grease

2шт.

13

63123C1

TIRE, tubeless

2шт.

14

387841R91

VALVE

STEM, valve TR-412

2шт.

15

572564R1

BEARING CUP

BEARING, cup

4шт.

Выбрано товаров: 27