Запчасти Case IH 3850 (75.200.02) - RIGID DISK GANG, 9 INCH SPACING (09) - CHASSIS/ATTACHMENTS

Схема запчастей Case IH 3850 - (75.200.02) - RIGID DISK GANG, 9 INCH SPACING (09) - CHASSIS/ATTACHMENTS
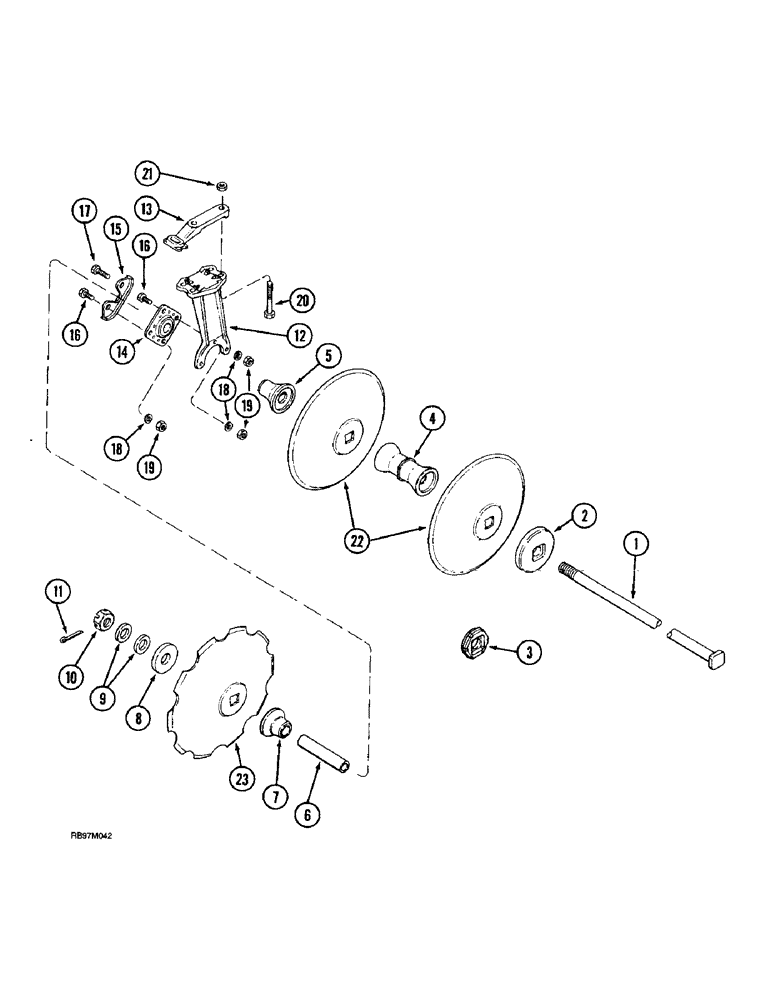
22
21
10
12
7
9
6
23
18
8
2
18
15
19
1
17
14
11
5
16
4
20
3
13
19
16
FIT
1:1
100%

Артикул

Название

Примечание

Количество

1

1284113C4

SQUARE BOLT,Arbor, 1-1/2" - 6 x 762mm

BOLT - arbor, 30 inch (762 mm) long, 4 blade 9 inch spacing

1шт.

1

1284114C4

SQUARE BOLT,Arbor, 1-1/2" - 6 x 994mm

BOLT - arbor, 39-1/8 inch (994 mm) long, 5 blade 9 inch spacing

1шт.

1

1263536C4

BOLT,Arbor, 1-1/2" - 6 x 1244mm, Drilled

- arbor, 1228 mm (48-11/32 inch) long, 6 blade 9 inch spacing

1шт.

1

1263537C4

BOLT,Arbor, 1-1/2" - 6 x 1472mm, Drilled

- arbor, 1457 mm (57-23/64 inch) long, 7 blade 9 inch spacing

1шт.

1

1263538C6

SQUARE BOLT,Arbor, 1-1/2" - 6 x 1708mm, Drilled

BOLT - arbor, 1689 mm (66-1/2 inch) long, 8 blade 9 inch spacing

1шт.

1

1263539C4

SQUARE BOLT,Arbor, 1-1/2" - 6 x 1937mm, Drilled

BOLT - arbor, 1921 mm (75-5/8 inch) long, 9 blade 9 inch spacing

1шт.

1

1263541C4

SQUARE BOLT,Arbor, 1-1/2" - 6 x 2403mm, Drilled

BOLT - arbor, 2381 mm (93-3/4 inch) long, 11 blade 9 inch spacing

1шт.

2

1344908C1

WASHER

- bumper (Front inner gang only)

2шт.

3

139927C1

WASHER

WASHER - head

1шт.

4

139918C1

SPACER

SPOOL - spacing, 9 inch spacing

1шт.

5

101191C1

SPOOL

- bearing, 4 inch long

1шт.

6

112410C1

TUBE

BUSHING - support, 9 inch long

1шт.

7

101190C1

SPOOL

- bearing, 3 inch long

1шт.

8

139773C1

WASHER

WASHER - end

1шт.

9

87412142

WASHER,40mm ID x 75mm OD x 6.5mm Thk

- arbor bolt

1шт.

10

425-1224

SLOTTED NUT,1 1/2"-6, G5

NUT - hex, slotted, 1-1/2 inch NC

1шт.

11

432-1648

COTTER PIN,1/4" x 3"

Pin, Split (Cotter), 1/4" x 3"

1шт.

12

129532C2

HOLDER

SUPPORT - bearing

1шт.

13

139583C5

SUPPORT

- scraper angle

1шт.

14

ST491A

BALL BEARING,45mm ID

BEARING - flange

1шт.

14

ST491A-IMPGV

BEARING

Value, 1-3/4 In. Round Bore Bearing Assy

1шт.

15

129753C1

BEARING COVER

- bearing wear

2шт.

16

413-824

BOLT,Hex, 1/2" - 13 x 1-1/2", Gr 5

1шт.

17

413-832

BOLT,Hex, 1/2" - 13 x 2", Gr 5

2шт.

18

80679

LOCK WASHER,1/20.507 CST ZND

WASHER, LOCK, 1/2"

1шт.

19

425-108

NUT,1/2" - 13, Gr 5

NUT, 1/2"-13, G5

1шт.

20

413-1284

BOLT,Hex, 3/4" - 10 x 5-1/4", Gr 5

1шт.

21

280375

NUT,3/4"-10, GC

1шт.

22

87442991

PLOW DISC

DISK, 22"X4.5MM CTR CRIMP

1шт.

22

87442981

PLOW DISC

DISK, 20"X4.5MM CNTR CRIMP

1шт.

22

87442974

PLOW DISC

DISK - solid, 457 x 4.5 mm (18 inch)

1шт.

22

31387R1

DISC

DISK - solid, 510 x 4 mm (20 inch)

1шт.

22

87442974

PLOW DISC

DISK - solid, 455 x 4 mm (18 inch)

1шт.

23

87442992

NOTCHED DISK

DISK, 22"X4.5MM SR4 NOTCHED CC

1шт.

23

87442982

PLOW DISC

DISK - notched, 508 x 4.5 mm (20 inch)

1шт.

Выбрано товаров: 35