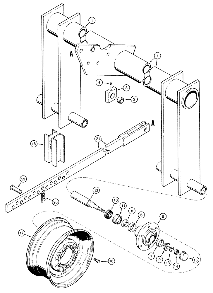
Запчасти Case IH 485 (9-05) - TRANSPORT LIFT AXLE, 6 BOLT HEAVY HUB (09) - CHASSIS/ATTACHMENTS

Схема запчастей Case IH 485 - (9-05) - TRANSPORT LIFT AXLE, 6 BOLT HEAVY HUB (09) - CHASSIS/ATTACHMENTS
16
3
17
13
10
8
4
9
1
21
2
1
11
12
7
14
20
18
15
19
5
6
FIT
1:1
100%

Артикул

Название

Примечание

Количество

1

1978730C1

AXLE

ASSEMBLY - transport lift

1шт.

2

112886C1

BUSHING

- tension

1шт.

129607C91

PIVOT

KIT - bushing repair, axle, Inc. REF 2 - 4

1шт.

2

112886C1

BUSHING

- tension

1шт.

3

NSS

NOT SOLD SEPARAT

BLOCK - pivot, weld-on

1шт.

4

219-87

LUBE NIPPLE,1/4" - 28 NPTF

NIPPLE, LUBE, 1/4"-28 x .56" lg, Self-Tap

1шт.

5

606468R21

HUB

- wheel, 6 bolt heavy

4шт.

219-87

LUBE NIPPLE,1/4" - 28 NPTF

NIPPLE, LUBE, 1/4"-28 x .56" lg, Self-Tap

4шт.

6

663558R1

BEARING CUP

CUP - bearing, inner

4шт.

7

651817R1

BEARING CUP

CUP - bearing, outer

4шт.

8

663557R91

BEARING ASSY,1.625" ID x 2.892" OD x 0.77"

BEARING - tapered roller, inner

4шт.

9

651818R91

ROLLER BEARING,31.77 mm ID x 16.08 mm

BEARING - tapered roller, outer

4шт.

10

594702R91

SEAL

- wheel hub oil

4шт.

11

594703R1

SLEEVE

RING - oil seal wear

4шт.

12

1978726C1

SPINDLE

- wheel, 2-1/8 inch OD

4шт.

413-856

BOLT,Hex, 1/2" - 13 x 3-1/2", Gr 5

- hex, 1/2 NC x 3-1/2 inch

4шт.

231-4218

LOCK NUT,1/2"-13, GB

NUT - hex lock, 1/2 inch NC

4шт.

13

469873R1

WASHER,23.01mm ID x 44.45mm OD x 3.05mm Thk

- flat, hardened, 29/32 x 1-3/4 x 1/8

4шт.

14

70120D

SLOTTED NUT,7/8"-14

NUT - slotted hex, 7/8 inch NF

4шт.

87673

COTTER PIN,1/8" x 1 3/4"

PIN, SPLIT (COTTER), 1/8" x 1 3/4"

4шт.

15

224066C1

HUB CAP

CAP - hub

4шт.

16

549962R1

BOLT,1 1/2" - 20 x 1 1/2", Class 3

- hex conical, 1/2 NF x 1-1/2 inch

24шт.

17

481344R91

WHEEL

- 14 x 8 KB

4шт.

810768C1

VALVE

- tubeless tire, steel

4шт.

17

A57879

RIM

WHEEL - 15 x 8 inch

4шт.

810769C1

VALVE

- tubeless tire, steel

4шт.

18

112560C1

CHANNEL

STOP - channel

1шт.

19

28784R1

HEADED PIN,7/8" x 2 7/16"

PIN - clevis, 7/8 x 2-7/16 inch

2шт.

432-1632

COTTER PIN,1/4" x 2"

Pin, Split (Cotter), 1/4" x 2"

1шт.

20

1978738C1

HAIR PIN COTTER

1шт.

21

112428C1

YOKE

STRAP - gauging

1шт.

123096A2

WHEEL BEARING KIT

KIT - wheel bearing, Inc. one each of REF 6 - 11

1шт.

Выбрано товаров: 32