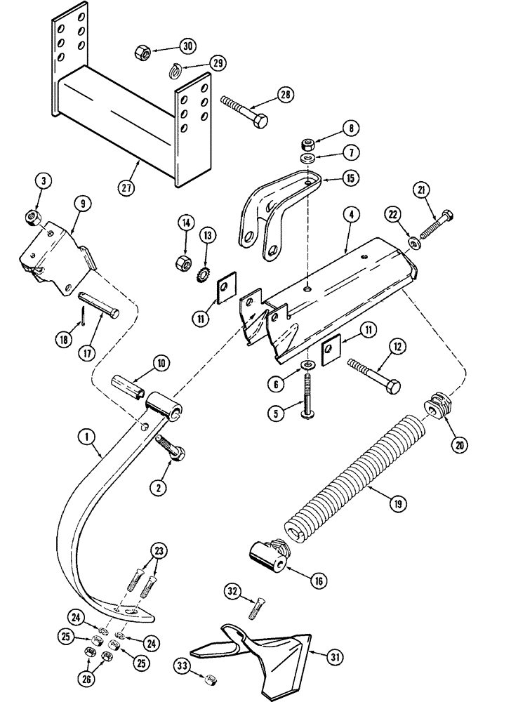
Запчасти Case IH 485 (9-11) - CENTER SHANK ATTACHMENT, VIBRA CHISEL, 8 INCH SWEEP (09) - CHASSIS/ATTACHMENTS

Схема запчастей Case IH 485 - (9-11) - CENTER SHANK ATTACHMENT, VIBRA CHISEL, 8 INCH SWEEP (09) - CHASSIS/ATTACHMENTS
20
26
33
23
17
30
24
2
12
9
19
32
11
7
25
24
11
28
14
18
4
13
31
25
29
22
6
5
15
3
27
10
21
1
16
8
FIT
1:1
100%

Артикул

Название

Примечание

Количество

178958A1

SHANK

ASSEMBLY - vibra chisel, Inc. REF 1 - 26

1шт.

1

813160C2

SHANK

- ground working tool

1шт.

2

413-1028

BOLT,Hex, 5/8" - 11 x 1-3/4", Gr 5

- hex, 5/8 NC x 1-3/4 inch

1шт.

3

231-42410

LOCK NUT,5/8"-11, GB

NUT - hex, self-locking, 5/8 inch NC

1шт.

4

137581A3

BRACKET

- shank support

1шт.

5

811340C3

BOLT,1/2" - 13 x 5 1/2"

- shank mounting

1шт.

6

495-81028

WASHER,21/32" x 1 1/2" x .240"

- flat, 21/32 x 1-3/4 x 15/64 inch

1шт.

7

495-81025

WASHER,13.49mm ID x 31.75mm OD x 4.93mm Thk

- flat, 17/32 x 1-1/4 x 5/32 inch

1шт.

8

86512371

SERRATED NUT,Flg, USR, 1/2"-13

1шт.

9

811334C1

CLAMP

- shank

1шт.

10

812760C1

BUSHING,19.3mm ID x 26.92mm OD x 76.2mm L

- shank

1шт.

11

1284063C1

LARGE PLATE

PLATE - shank

2шт.

12

413-1272

BOLT,Hex, 3/4" - 10 x 4-1/2", Gr 5

- hex, 3/4 NC x 4-1/2 inch

1шт.

13

493-41078

LOCK WASHER,Ext Tooth, 3/4"

WASHER - external tooth lock, 3/4 inch

2шт.

14

425-1012

NUT,3/4"-10, G5

- hex, 3/4 inch NC

1шт.

15

137474A1

CLAMP

- shank

1шт.

16

811337C1

PLUG

- spring

1шт.

17

811390C2

PIN,16.31mm OD x 103.99mm L

- special

1шт.

18

432-1216

COTTER PIN,3/16" x 1"

1шт.

19

811342C1

SPRING

-

1шт.

20

811338C1

PLUG

- spring

1шт.

21

812199C1

BOLT,Hex, 5/8" - 11 x 4"

- hex head, 5/8 NC x 4 inch

1шт.

22

495-51066

WASHER,9/16" x 1 1/4" x .1"

- flat, 21/32 x 1-1/4 x 3/32 inch

1шт.

23

419-3828

CARRIAGE BOLT,1/2” - 13 x 1-3/4” L, Gr 5

BOLT - plow, 1/2 NC x 1-3/4 inch, if used

2шт.

23

419-3832

PLOW BOLT,#3, 1/2" - 13 x 2", Gr 5

BOLT - plow, 1/2 NC x 2 inch, if used

2шт.

24

80679

LOCK WASHER,1/20.507 CST ZND

WASHER, LOCK, 1/2"

2шт.

25

425-108

NUT,1/2" - 13, Gr 5

NUT, , Hex 1/2"-13, G5

2шт.

26

425-148

JAM NUT,Jam, 1/2"-13, G5

- hex, jam, 1/2 inch NC

2шт.

27

254564A1

MOUNTING PARTS

MOUNT ASSEMBLY - center shank

1шт.

28

413-1228

BOLT,Hex, 3/4" - 10 x 1-3/4", Gr 5

- 3/4 NC x 1-3/4

4шт.

29

492-11075

LOCK WASHER,3/4"

3/4"

4шт.

30

425-1012

NUT,3/4"-10, G5

- hex, 3/4 inch NC

1шт.

31

1547105C1

SWEEP

8"

2шт.

32

419-3824

PLOW BOLT,#3, 1/2" - 13 x 1 1/2", Gr 5

BOLT - plow, 1/2 NC x 1-1/2 inch

2шт.

33

86512371

SERRATED NUT,Flg, USR, 1/2"-13

2шт.

Выбрано товаров: 35