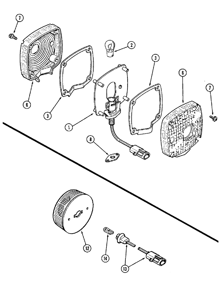
Запчасти Case IH 485 (4-03) - TURN SIGNAL LAMP, TAIL LAMP (04) - ELECTRICAL SYSTEMS

Схема запчастей Case IH 485 - (4-03) - TURN SIGNAL LAMP, TAIL LAMP (04) - ELECTRICAL SYSTEMS
7
6
3
6
2
14
13
3
1
8
7
12
FIT
1:1
100%

Артикул

Название

Примечание

Количество

91913C91

LIGHT

Turn Signal

2шт.

1

NSS

NOT SOLD SEPARAT

BODY Lamp

1шт.

2

A41264

BULB,#1156, 12V

1шт.

3

A43731

GASKET

Sealing, Lens

2шт.

A44202

KIT

Lens

1шт.

6

NSS

NOT SOLD SEPARAT

LENS Lamp, Amber

2шт.

7

187-1083

SELF-TAP SCREW,Cross Pan Hd, #8 x 5/8"

Self Tapping, Round Head Phillips No. 8 NC x 5/8 inch

8шт.

8

F63435

GASKET

Lamp Mounting

1шт.

91986C91

LIGHT

LAMP ASSEMBLY, Tail

1шт.

12

NSS

NOT SOLD SEPARAT

BASE Lamp, Tail

1шт.

13

91934C1

SOCKET

ASSEMBLY, Bulb, Tail

1шт.

14

D71346

TAIL LAMP,12V

Lamp, No. 168

1шт.

Выбрано товаров: 0