Запчасти Case IH 496 (8-04) - HYDRAULIC SYSTEM WING FOLDING (08) - HYDRAULICS

Схема запчастей Case IH 496 - (8-04) - HYDRAULIC SYSTEM WING FOLDING (08) - HYDRAULICS
FIT
1:1
100%

Артикул

Название

Примечание

Количество

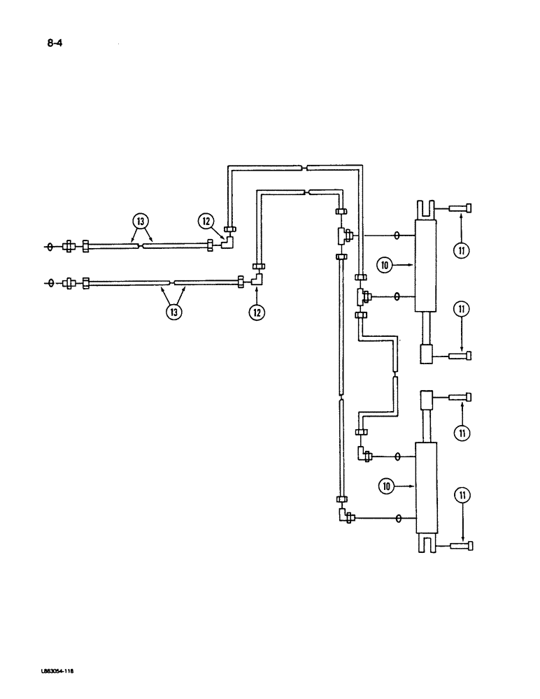
10

REF

INSTRUCTION

CYLINDER ASSEMBLY - wing folding, 3-1/2 x 8 inch (Disk Harrow coded D, I, N, T and Y)(See Page 8-10)

2шт.

10

REF

INSTRUCTION

CYLINDER ASSEMBLY - wing folding, 3-1/2 x 16 inch (Disk Harrow coded A, F, K, Q and V)(See Page 8-13)

2шт.

10

REF

INSTRUCTION

CYLINDER ASSEMBLY - wing folding, 3-1/2 x 16 inch (Disk Harrow coded A, F, K, Q and V)(See Page 8-15)

2шт.

10

REF

INSTRUCTION

CYLINDER ASSEMBLY - wing folding, 4 x 16 inch (Disk Harrow coded B, G, L, R and W)(See Page 8-17)

2шт.

10

REF

INSTRUCTION

CYLINDER ASSEMBLY - wing folding, 4 x 16 inch (Disk Harrow coded B, G, L, R and W)(See Page 8-19)

2шт.

10

REF

INSTRUCTION

CYLINDER ASSEMBLY - wing folding, 5 x 8 inch (Disk Harrow coded E, J, P, U and Z)(See Page 8-21)

2шт.

10

REF

INSTRUCTION

CYLINDER ASSEMBLY - wing folding, 5 x 8 inch (Disk Harrow coded E, J, P, U and Z)(See Page 8-23, 8-25)

2шт.

10

REF

INSTRUCTION

CYLINDER ASSEMBLY - wing folding, 5 x 16 inch (Disk Harrow coded C, H, M, S and X)(See Page 8-27)

2шт.

10

REF

INSTRUCTION

CYLINDER ASSEMBLY - wing folding, 5 x 16 inch (Disk Harrow coded C, H, M, S and X)(See Page 8-29)

2шт.

11

28544R1

PIN

- clevis, 1 x 3-1/2 inch (Disk Harrow coded D, I, N, T and Y)

4шт.

132-341

COTTER PIN,5/32" x 1 1/2"

5/32" x 1 1/2"

4шт.

11

28536R1

CLEVIS PIN,1 1/4" x 3 1/2"

PIN - clevis, 1-1/4 x 3-1/2 inch (Disk Harrow coded A, B, C, E, F, G, H, J, K, L, M, P, Q, R, S, U, V, W, X and Z)

4шт.

432-1628

COTTER PIN,1/4" x 1 3/4"

Pin, Split (Cotter), 1/4" x 1 3/4"

4шт.

12

9402942

ELBOW,90 Degree, 9/16"-18, 37 Degree x 9/16"-18, 37 Degree

- 90 degree, 3/8 inch tube

2шт.

13

129782C2

HYDRAULIC HOSE

HOSE - hydraulic, 3/8 x 165 inch long (Replaces 129759C2)

2шт.

Выбрано товаров: 0