Запчасти Case IH 496 (9-24) - DISC AND GANG 1-1/2 INCH ROUND ARBOR BOLT (09) - CHASSIS/ATTACHMENTS

Схема запчастей Case IH 496 - (9-24) - DISC AND GANG 1-1/2 INCH ROUND ARBOR BOLT (09) - CHASSIS/ATTACHMENTS
FIT
1:1
100%

Артикул

Название

Примечание

Количество

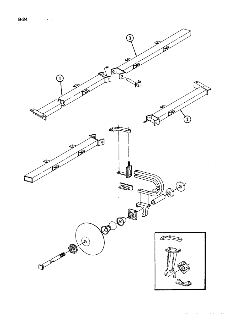
1

121417C1

BAR

FRAME - gang, left front (Disk Harrow coded K, L, M, Q, R, S, V, W and X)

1шт.

1

121418C1

BAR

FRAME - gang, right front (Disk Harrow coded K, L, M, Q, R, S, V, W and X)

1шт.

1

129856C1

BAR

FRAME - gang, left front (Disk Harrow coded N, P, T, U, Y and Z)

1шт.

1

129857C1

BAR

FRAME - gang, right front (Disk Harrow coded N, P, T, U, Y and Z)

1шт.

2

121417C1

BAR

FRAME - gang, right rear (Disk Harrow coded K, L, M, Q, R, S, V, W and X)

1шт.

2

121418C1

BAR

FRAME - gang, left rear (Disk Harrow coded K, L, M, Q, R, S, V, W and X)

1шт.

2

129859C2

BAR ASSY.

FRAME - gang, left rear (Disk Harrow coded N, P, T, U, Y and Z)

1шт.

2

129860C2

BAR ASSY.

FRAME - gang, right rear (Disk Harrow coded N, P, T, U, Y and Z)

1шт.

3

129770C1

TUBE,1384 mm Length

FRAME - wing gang, left front, 21 foot (Disk Harrow coded N, T and Y)

1шт.

3

129771C1

TUBE

FRAME - wing gang, right front, 21 foot (Disk Harrow coded N, T and Y)

1шт.

3

129523C1

TUBE,1930 mm Length

FRAME - wing gang, left front, 24 foot (Disk Harrow coded K, P, Q, U, V and Z)

1шт.

3

129524C1

TUBE

FRAME - wing gang, right front, 24 foot (Disk Harrow coded K, P, Q, U, V and Z)

1шт.

3

129776C1

TUBE,2495 mm Length

FRAME - wing gang, left front, 28 foot (Disk Harrow coded L, R and W)

1шт.

3

129777C1

TUBE

FRAME - wing gang, right front, 28 foot (Disk Harrow coded L, R and W)

1шт.

3

121425C1

TUBE,3075 mm Length

FRAME - wing gang, left front, 32 foot (Disk Harrow coded M, S and X)

1шт.

3

121426C1

TUBE

FRAME - wing gang, right front, 32 foot (Disk Harrow coded M, S and X)

1шт.

Выбрано товаров: 16