Запчасти Case IH 496 (9-26) - DISC AND GANG 1-1/2 INCH ROUND ARBOR BOLT (09) - CHASSIS/ATTACHMENTS

Схема запчастей Case IH 496 - (9-26) - DISC AND GANG 1-1/2 INCH ROUND ARBOR BOLT (09) - CHASSIS/ATTACHMENTS
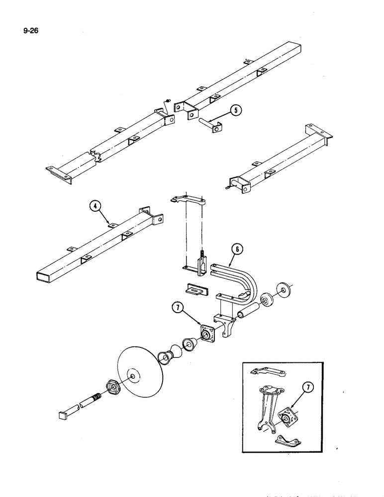
7
5
4
6
7
FIT
1:1
100%

Артикул

Название

Примечание

Количество

4

129772C1

FRAME

- wing gang, left rear, 21 foot (Disk Harrow coded N, T and Y)

1шт.

4

129773C1

TUBE

FRAME - wing gang, right rear, 21 foot (Disk Harrow coded N, T and Y)

1шт.

4

129599C1

TUBE

FRAME - wing gang, left rear, 24 foot (Disk Harrow coded K, P, Q, U, V and Z)

1шт.

4

129600C1

TUBE

FRAME - wing gang, right rear, 24 foot (Disk Harrow coded K, P, Q, U, V and Z)

1шт.

4

129778C1

TUBE

FRAME - wing gang, left rear, 28 foot (Disk Harrow coded L, R and W)

1шт.

4

129779C1

FRAME

- wing gang, right rear, 28 foot (Disk Harrow coded L, R and W)

1шт.

4

121423C1

TUBE

FRAME - wing gang, left rear, 32 foot (Disk Harrow coded M, S and X)

1шт.

4

121424C1

TUBE

FRAME - wing gang, right rear, 32 foot (Disk Harrow coded M, S and X)

1шт.

5

139640C1

PIN

- wing hinge

4шт.

413-824

BOLT,Hex, 1/2" - 13 x 1-1/2", Gr 5

4шт.

232-5318

FLANGE NUT,Flg, 1/2"-13

NUT - hex flange lock, 1/2 inch NC

4шт.

271816

BOLT,Hex, 7/8" - 9 x 2 1/4", Gr 5

- hex, 7/8 NC x 2-1/4 inch

32шт.

492-11088

LOCK WASHER,7/8"

7/8"

32шт.

425-1014

NUT,7/8"-9, G5

NUT, 7/8"-9, G5

32шт.

6

147763C1

SPRING

SUPPORT - spring, left front and right rear (Disk Harrow coded K, N, P, Q, T and U)

8шт.

6

147763C1

SPRING

SUPPORT - spring, left front and right rear (Disk Harrow coded L and R)

10шт.

6

147763C1

SPRING

SUPPORT - spring, left front and right rear (Disk Harrow coded M and S)

11шт.

REF 6 147763C1 IS U SHAPED PIECE. REF 11 SHOWS THE J SHAPED PIECE WHICH IS 1263531C1.

1шт.

6

147764C1

SPRING

SUPPORT - spring, right front and left rear (Disk Harrow coded K, N, P, Q, T and U)

8шт.

6

147764C1

SPRING

SUPPORT - spring, right front and left rear (Disk Harrow coded L and R)

10шт.

6

147764C1

SPRING

SUPPORT - spring, right front and left rear (Disk Harrow coded M and S)

11шт.

7

ST491A

BALL BEARING,45mm ID

BEARING - ball (Quantity of 1 per Ref 6 support)

1шт.

7

ST491A-IMPGV

BEARING

Value, 1-3/4 In. Round Bore Bearing Assy

1шт.

413-820

BOLT,Hex, 1/2" - 13 x 1-1/4", Gr 5

- hex, 1/2 NC x 1-1/4 inch

3шт.

424-824

BOLT,Hex, 1/2" - 13 x 1-1/2", Gr 2

- hex, 1/2 NC x 1-1/2 inch, Grade 2

3шт.

80679

LOCK WASHER,1/20.507 CST ZND

WASHER, LOCK, 1/2"

3шт.

425-108

NUT,1/2" - 13, Gr 5

NUT, , Hex 1/2"-13, G5

3шт.

Выбрано товаров: 27