Запчасти Case IH 496 (9-30) - DISC AND GANG 1-1/2 INCH ROUND ARBOR BOLT (09) - CHASSIS/ATTACHMENTS

Схема запчастей Case IH 496 - (9-30) - DISC AND GANG 1-1/2 INCH ROUND ARBOR BOLT (09) - CHASSIS/ATTACHMENTS
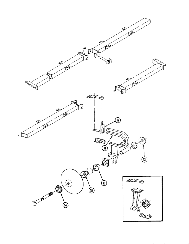
12
13
14
15
16
11
FIT
1:1
100%

Артикул

Название

Примечание

Количество

11

1263531C1

SPRING

- helper, left front and right rear (Disk Harrow coded K, N, P, Q, T and U)

8шт.

11

1263531C1

SPRING

- helper, left front and right rear (Disk Harrow coded L and R)

10шт.

11

1263531C1

SPRING

- helper, left front and right rear (Disk Harrow coded M and S)

11шт.

11

1263532C1

SPRING

- helper, right front and left rear (Disk Harrow coded K, N, P, Q, T and U)

8шт.

11

1263532C1

SPRING

- helper, right front and left rear (Disk Harrow coded L and R)

10шт.

11

1263532C1

SPRING

- helper, right front and left rear (Disk Harrow coded M and S)

11шт.

12

1978953C1

BOLT

- support (Disk Harrow coded K, N, P, Q, T and U)

16шт.

12

1978953C1

BOLT

- support (Disk Harrow coded L and R)

20шт.

12

1978953C1

BOLT

- support (Disk Harrow coded M and S)

22шт.

1978954C1

LARGE PLATE

BAR - bolt retainer

1шт.

473244R1

LOCK NUT,3/4"-10, GB

NUT - hex lock, two way, 3/4 inch NC

1шт.

REF#12--BOLT CLAMP USED ON 496 DISK. IF YOU NEED THE FLAT METAL PLATE

1шт.

WITH ONE HOLE THAT IS SHOWN IN BOOK WITH NO PART NUMBER, THE

1шт.

PART NUMBER IS 1978954C1.

1шт.

13

139773C1

WASHER

WASHER - end (Disk Harrow coded K, L, N, P, Q, R, T, U, V, W, Y and Z)

14шт.

13

139773C1

WASHER

WASHER - end (Disk Harrow coded M, S and X)

18шт.

14

139927C1

WASHER

WASHER - head

2шт.

15

1263631C1

SPOOL

- 7-1/2 inch spacing (Disk Harrow coded Q)

56шт.

15

1263631C1

SPOOL

- 7-1/2 inch spacing (Disk Harrow coded R)

64шт.

15

1263631C1

SPOOL

- 7-1/2 inch spacing (Disk Harrow coded S)

72шт.

15

1263631C1

SPOOL

- 7-1/2 inch spacing (Disk Harrow coded T)

36шт.

15

1263631C1

SPOOL

- 7-1/2 inch spacing (Disk Harrow coded U)

48шт.

15

139918C1

SPACER

SPOOL - 9 inch spacing (Disk Harrow coded K)

44шт.

15

139918C1

SPACER

SPOOL - 9 inch spacing (Disk Harrow coded L)

48шт.

15

139918C1

SPACER

SPOOL - 9 inch spacing (Disk Harrow coded M and X)

56шт.

15

139918C1

SPACER

SPOOL - 9 inch spacing (Disk Harrow coded N and Y)

28шт.

15

139918C1

SPACER

SPOOL - 9 inch spacing (Disk Harrow coded V)

38шт.

15

139918C1

SPACER

SPOOL - 9 inch spacing (Disk Harrow coded W)

46шт.

15

139918C1

SPACER

SPOOL - 9 inch spacing (Disk Harrow coded Z)

32шт.

15

139918C1

SPACER

SPOOL - 9 inch spacing (Disk Harrow coded P)

36шт.

16

1263636C1

SPOOL

- bearing, 7-1/2 inch spacing (Disk Harrow coded Q, T and U)

16шт.

16

1263636C1

SPOOL

- bearing, 7-1/2 inch spacing (Disk Harrow coded R)

20шт.

16

1263636C1

SPOOL

- bearing, 7-1/2 inch spacing (Disk Harrow coded S)

22шт.

16

101191C1

SPOOL

- bearing, 9 inch spacing (Disk Harrow coded K, N, P and Y)

16шт.

16

101191C1

SPOOL

- bearing, 9 inch spacing (Disk Harrow coded L and Z)

20шт.

16

101191C1

SPOOL

- bearing, 9 inch spacing (Disk Harrow coded M, V and W)

22шт.

16

101191C1

SPOOL

- bearing, 9 inch spacing (Disk Harrow coded X)

24шт.

Выбрано товаров: 37