Запчасти Case IH 500 (Q-05) - HITCH, 1969 AND SINCE

Схема запчастей Case IH 500 - (Q-05) - HITCH, 1969 AND SINCE
FIT
1:1
100%

Артикул

Название

Примечание

Количество

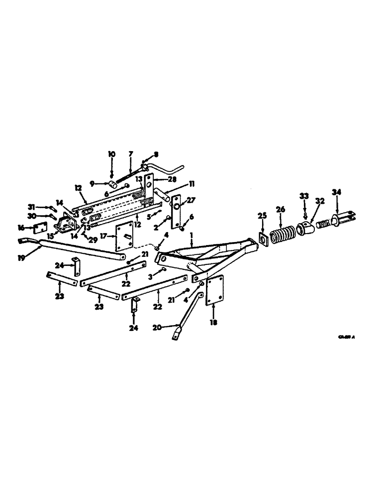
1

540045R1

HITCH ASSY

1шт.

18801R1

BOLT,Hex, 7/16" - 14 x 2 3/4", Gr 2

7/16-14 x 2-3/4 C-Z hex-hd mach

1шт.

18842R1

BOLT,Hex, 3/4"-10 x 4 1/2", G2

3/4-10 x 4-1/2 C-Z hex-hd mach

1шт.

NLS

NO LONGER SERVICED

NUT, 7/16-14 C-Z hex.

1шт.

280954

NUT,3/4"-10, G5

1шт.

425-1014

NUT,7/8"-9, G5

NUT, 7/8"-9, G5

2шт.

413-1444

BOLT,Hex, 7/8" - 9 x 2-3/4", Gr 5

SCREW, 7/8-9 x 2-3/4 C-Z hex-hd cap

2шт.

120383

LOCK WASHER,Helical Spring, 7/16"

WASHER, LOCK, 7/16"

1шт.

467750R1

WASHER

25/32 x 1-1/2 x 11 ga C-Z

2шт.

87340

LOCK WASHER,Helical Spring, 0.759" ID, CST, ZND

WASHER, LOCK, 3/4"

1шт.

NLS

NO LONGER SERVICED

LOCK, 7/8"

2шт.

2

582542R1

SPACER,3/4" Pipe x 1 1/4"

3/4 x 1-1/4 pipe

1шт.

3

K11064

SPACER,3/8" Pipe x 1 1/4"

3/8 x 1-1/4 pipe

1шт.

4

468528R2

BUSHING

hitch pivot

2шт.

5

219-8

LUBE NIPPLE,1/4" - 28 NPTF

FITTING, 1/4-28 str lub

1шт.

6

468530R1

SPACER,3/4" Pipe x 9/16"

BUSHING

2шт.

7

468531R12

SCREW

ASSY, hitch

1шт.

8

219-8

LUBE NIPPLE,1/4" - 28 NPTF

FITTING, 1/4-28 str lub

1шт.

9

468533R1

LINK

SWIVEL, crank

1шт.

10

219-37

LUBE NIPPLE,45 Degree Elbow, 1/4" - 28 NPTF

FITTING, 1/4-28 45 deg angle lub

1шт.

11

489127R1

PIN,50.8mm OD x 208.28mm L

PIVOT, spring guide

1шт.

12

468535R2

GUIDE

spring

2шт.

426899

NUT,Jam, 1"-8, G5

1-8 C-Z hex. jam

4шт.

21162R1

WASHER

2 x 1-1/32 x 7 ga C-Z

2шт.

13

481285R1

VALVE SPRING

SPRING, hitch, 45 coils

2шт.

14

468537R1

SPRING SEAT

BUSHING, hitch spring

2шт.

15

481286R11

SUPPORT ASSY, cyl

1шт.

18838R1

BOLT, 3/4-10 x 2 C-Z hex-hd mach Hex, 3/4"-10 x 2", G2

4шт.

280374

NUT,Hex, 5/8" - 11, Gr 5

5/8-11 C-Z hex.

2шт.

280954

NUT,3/4"-10, G5

4шт.

271548

BOLT (SPREADER),Hex, 5/8" - 11 x 1 3/4", Gr 5

SCREW, 5/8-11 x 1-3/4 C-Z hex-hd cap

2шт.

492-11062

BEARING WASHER,5/8"

WASHER, LOCK, 5/8"

2шт.

87340

LOCK WASHER,Helical Spring, 0.759" ID, CST, ZND

WASHER, LOCK, 3/4"

4шт.

16

481287R1

BLOCK, cyl

1шт.

17

471180R91

BRACKET

PLATE ASSY, hitch LH

1шт.

280954

NUT,3/4"-10, G5

2шт.

21204R1

BOLT,Hex, 3/4" - 10 x 1 3/4", Gr 8

SCREW, 3/4-10 x 1-3/4 C-Z hex-hd cap

2шт.

87340

LOCK WASHER,Helical Spring, 0.759" ID, CST, ZND

WASHER, LOCK, 3/4"

2шт.

18

471181R91

PLATE

ASSY, hitch RH

1шт.

280954

NUT,3/4"-10, G5

2шт.

21204R1

BOLT,Hex, 3/4" - 10 x 1 3/4", Gr 8

SCREW, 3/4-10 x 1-3/4 C-z hex-hd cap

2шт.

87340

LOCK WASHER,Helical Spring, 0.759" ID, CST, ZND

WASHER, LOCK, 3/4"

2шт.

19

481288R1

BRACE, diagonal LH

1шт.

20

481289R1

BRACE, diagonal RH

1шт.

21

PO10780

SPACER,3/4" Pipe x 7/16"

2шт.

22

481290R1

BAR, hitch

2шт.

23

481291R1

BAR, hitch short

2шт.

18822R1

BOLT,Hex, 5/8"-11 x 1 1/2", G2, Full Thd

5/8-11 x 1-1/2 C-Z hex-hd mach

2шт.

18823R1

BOLT,Hex, 5/8"-11 x 2", G2

5/8-11 x 2 C-Z hex-hd mach

2шт.

18824R1

BOLT,Hex, 5/8"-11 x 2 1/2", G2

5/8-11 x 2-1/2 C-Z hex-hd mach

2шт.

492-11062

BEARING WASHER,5/8"

WASHER, LOCK, 5/8"

6шт.

280374

NUT,Hex, 5/8" - 11, Gr 5

5/8-11 C-Z hex.

6шт.

24

481292R1

BRACKET, hitch brace support

2шт.

18839R1

BOLT,Hex, 3/4" x 2 1/4"

3/4-10 x 2-1/4 C-Z hex-hd mach

2шт.

87340

LOCK WASHER,Helical Spring, 0.759" ID, CST, ZND

WASHER, LOCK, 3/4"

2шт.

280374

NUT,Hex, 5/8" - 11, Gr 5

3/4-10 C-Z hex.

2шт.

25

540052R1

WASHER

1шт.

180050

BOLT,Hex, 1/4" - 20 x 2 3/4", Gr 5

SCREW, 1/4-20 x 2-3/4 znd hex-hd cap

1шт.

120375

NUT,Hex, 1/4" - 20, Gr 5

1шт.

87340

LOCK WASHER,Helical Spring, 0.759" ID, CST, ZND

WASHER, LOCK, 3/4"

4шт.

18838R1

BOLT, 3/4-10 x 2 C-Z hex-hd mach Hex, 3/4"-10 x 2", G2

4шт.

280954

NUT,3/4"-10, G5

4шт.

26

540053R1

SPRING

8-1/2 coils

1шт.

25-1224

SLOTTED NUT,1 1/2"-6, G5

NUT, 1-1/2 slt hex.

1шт.

27

483184R91

ARM ASSY, adjusting

1шт.

28

483185R1

BAR

adjusting arm

1шт.

29

517843R1

COTTER PIN

PIN, 3/16 x 2-7/8 quick attachable cot.

1шт.

30

3490B

HEADED PIN,1/2" x 2 1/4"

PIN, 1/2 x 2-1/4 std-hd

1шт.

432-1216

COTTER PIN,3/16" x 1"

Pin, Split (Cotter), 3/16" x 1"

1шт.

607895R1

WASHER

17/32 x 1 x 11 ga C-Z

1шт.

31

3490B

HEADED PIN,1/2" x 2 1/4"

PIN, 1/2 x 2-1/4 std-hd

1шт.

32

540054R1

PIVOT

SWIVEL

1шт.

33

80722

LUBE NIPPLE,3/16" x .55" lg, Drive

FITTING, 3/16 drive type str lub

1шт.

34

540049R1

ROD

ASSY, clevis

1шт.

Выбрано товаров: 74