Запчасти Case IH 501 (8-02) - TRANSPORT LIFT HYDRAULIC CIRCUIT, HOSES WITH FEMALE ENDS, WITHOUT DIVERTER VALVE (08) - HYDRAULICS

Схема запчастей Case IH 501 - (8-02) - TRANSPORT LIFT HYDRAULIC CIRCUIT, HOSES WITH FEMALE ENDS, WITHOUT DIVERTER VALVE (08) - HYDRAULICS
4
3a
8
6
2
5
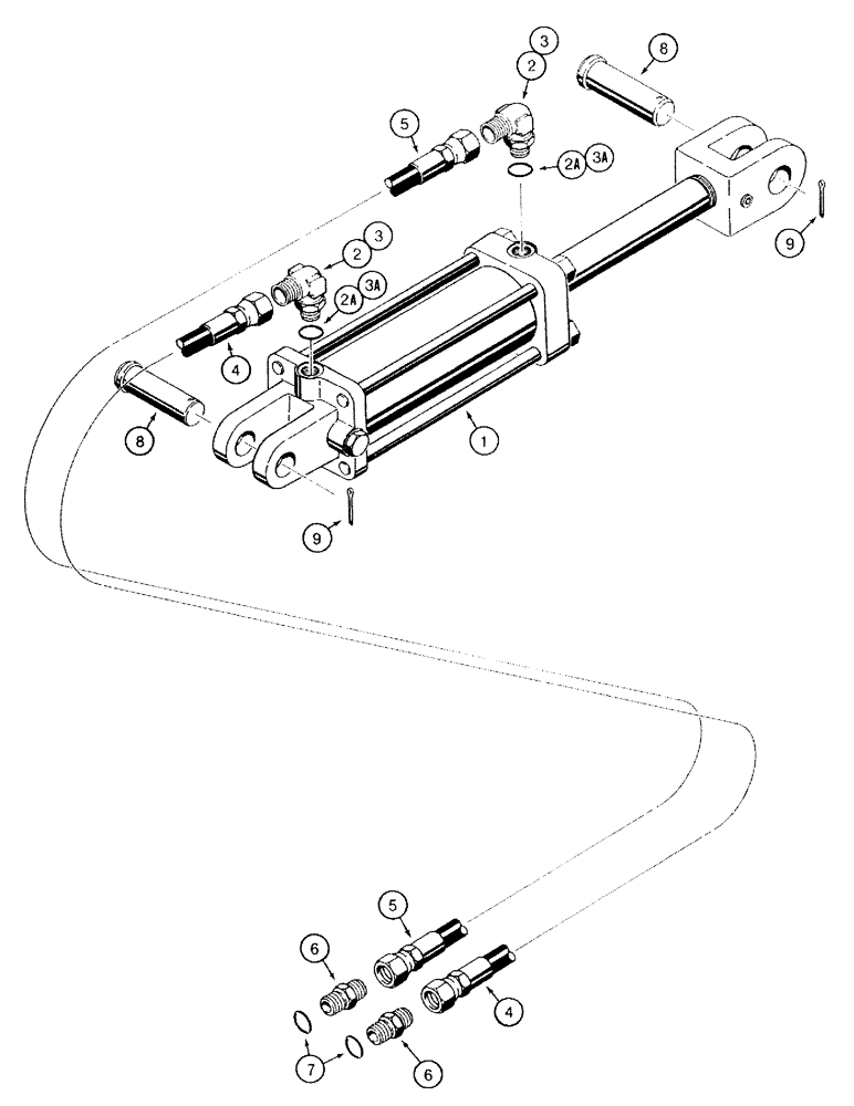
1
9
3a
6
9
8
5
3
2a
2
3
4
2a
7
FIT
1:1
100%

Артикул

Название

Примечание

Количество

1

84994C91

CYLINDER

ASSEMBLY - 3-1/2 inch ID x 16 inch stroke, transport lift

1шт.

See Figure 8-12 for service parts

1шт.

No longer available, order 1272149C92 cylinder assembly, parts list figure 8-13

1шт.

1

1272149C92R

REMAN-HYD CYLINDER

501 CASE IH DISK HARROW, ASSEMBLY, transport lift, Reman for New PN 84994C91

1шт.

1

1272149C92C

CORE-HYD CYLINDER

Return Number

1шт.

1

1272149C92

CYLINDER,Double Acting, 38.1mm Rod, 406.4mm Stroke

ASSEMBLY - 3-1/2 inch ID x 16 inch stroke, transport lift

1шт.

See Figure 8-13 for service parts

1шт.

1

1272149C92R

REMAN-HYD CYLINDER

501 CASE IH DISK HARROW, ASSEMBLY, transport lift

1шт.

1

1272149C92C

CORE-HYD CYLINDER

Return Number

1шт.

2

218-5128

ELBOW,90° Elbow, 9/16" - 18 Male JIC x 3/4" - 16 Male ORB

- 90 degree, 9/16-18 flare x 3/4-16 inch O-ring boss, Use with 3/8 inch ID hoses, Incl. Ref 2A

2шт.

2a

237-6008

O-RING,0.087" Thk x 0.644" ID, -908, Cl 6, 90 Duro

8-1, 90 Duro, .644" ID x .087" Thk

1шт.

3

218-5106

90 ELBOW,90 Degree Elbow, 3/4" - 16 Male JIC x 3/4" - 16 Male ORB

- 90 degree, adj, 3/4-16 inch flare x O-ring boss, use with 1/2 inch ID hoses, Inc. REF 3A

2шт.

3a

167269

O-RING,0.097" Thk x 0.755" ID, -910, Cl 6, 90 Duro

10-1, 90 Duro, .755" ID x .097" Thk

1шт.

4

147974C1

FLEXIBLE HOSE

HOSE - 1/2 inch ID x 120 inch long

1шт.

No longer available, order 1 each of the following: 1301350C2 hose, 218-5354 connector, 218-792 connector and 218-344 nut

1шт.

4

1301350C2

HYDRAULIC HOSE

HOSE - 3/8 inch ID x 120 inch long, to cylinder, rod end

1шт.

5

147882C1

FLEXIBLE HOSE

HOSE - 1/2 inch ID x 115 inch long

1шт.

No longer available, order 1 each of the following: 139519C2 hose, 218-5354 connector, 218-792 connector and 218-344 nut

1шт.

5

139519C2

HYDRAULIC HOSE

HOSE - 3/8 inch ID x 135 inch long, to cylinder, rod end

1шт.

6

218-5058

HYD CONNECTOR,9/16" - 18 Male JIC x 3/4" - 18 Male ORB

ADAPTER - straight, 9/16-18 flare x 3/4-16 inch O-ring boss, use with 3/8 inch ID hoses, Inc. REF 7

2шт.

7

237-6008

O-RING,0.087" Thk x 0.644" ID, -908, Cl 6, 90 Duro

8-1, 90 Duro, .644" ID x .087" Thk

1шт.

8

427-20375

CLEVIS PIN,31.75mm OD x 95.25mm L

PIN - clevis, 1-1/4 x 3-3/4 inch

2шт.

9

432-1632

COTTER PIN,1/4" x 2"

Pin, Split (Cotter), 1/4" x 2"

2шт.

Выбрано товаров: 23