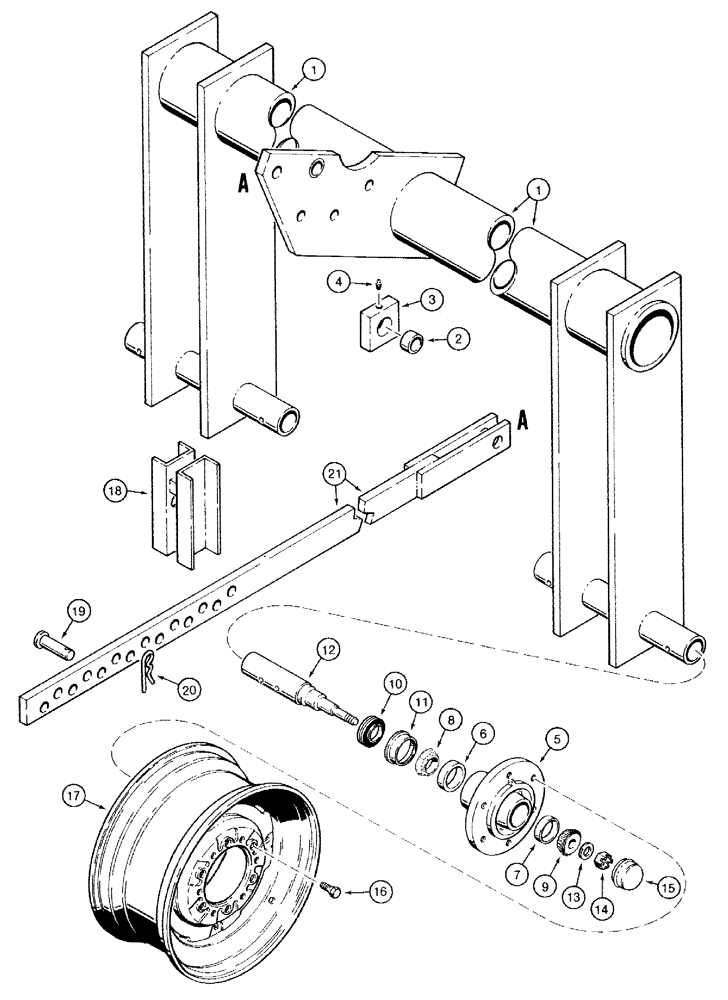
Запчасти Case IH 501 (9-04) - TRANSPORT LIFT AXLE (09) - CHASSIS/ATTACHMENTS

Схема запчастей Case IH 501 - (9-04) - TRANSPORT LIFT AXLE (09) - CHASSIS/ATTACHMENTS
13
3
16
9
10
1
1
15
19
4
11
6
5
12
17
7
20
18
8
2
14
21
FIT
1:1
100%

Артикул

Название

Примечание

Количество

1

1337067C1

AXLE HOUSING

AXLE ASSEMBLY - transport lift, Inc. REF 2

1шт.

No longer available, for service order 1978719C2 axle and (4) 1344887C1 bushings

1шт.

1

1978719C2

AXLE HOUSING

AXLE ASSEMBLY - transport lift (Replaces 1337067C1) (Not Shown)

1шт.

2

112886C1

BUSHING

- tension

1шт.

129607C91

PIVOT

KIT - bushing repair, axle, Inc. REF 2 - 4

1шт.

2

112886C1

BUSHING

- tension

1шт.

3

NSS

NOT SOLD SEPARAT

BLOCK - pivot, weld-on

1шт.

4

219-17

LUBE NIPPLE,3/16" NPTF

FITTING - grease, straight, 3/16" drive

1шт.

5

465493R2

HUB

- wheel, 6 bolt

4шт.

219-87

LUBE NIPPLE,1/4" - 28 NPTF

NIPPLE, LUBE, 1/4"-28 x .56" lg, Self-Tap

4шт.

6

618024R1

BEARING CUP,65.113mm OD x 13.97mm W

Inner, was 618024R1

4шт.

7

371883R1

BEARING CUP

Outer

4шт.

8

618023R91

BEARING ASSY,34.93mm ID x 18.2mm W

BEARING - tapered roller, inner, was 618023R91

4шт.

9

371882R91

ROLLER BEARING,20.64mm ID x 49.23mm OD x 19.84mm W

- Tapered roller, outer

4шт.

10

667599R92

SEAL

- wheel hub oil

4шт.

11

667564R2

SLEEVE

RING - oil seal wear, was 667564R1

4шт.

12

478375R1

SPINDLE

- wheel, 1-3/4 inch OD

4шт.

413-648

BOLT,Hex, 3/8" - 16 x 3", Gr 5

4шт.

232-4136

LOCK NUT,3/8"-16, GC

NUT, LOCK, 3/8"-16, GC

4шт.

13

369857R1

WASHER,20.7mm ID x 31.75mm OD x 3mm Thk

- flat, hardened

4шт.

14

69442D

NUT

- slotted hex, 3/4 inch NF

4шт.

432-820

COTTER PIN,1/8" x 1 1/4"

PIN, SPLIT (COTTER), 1/8" x 1-1/4"

4шт.

15

663908R1

CAP

- hub

4шт.

16

549962R1

BOLT,1 1/2" - 20 x 1 1/2", Class 3

- hex conical, 1/2 NF x 1-1/2 inch

24шт.

17

481344R91

WHEEL

- 14 x 8 KB

4шт.

810768C1

VALVE

- tubeless tire, steel

4шт.

17

A57879

RIM

WHEEL - 15 x 8 inch

4шт.

810769C1

VALVE

- tubeless tire, steel

4шт.

18

112560C1

CHANNEL

STOP - channel

1шт.

19

28784R1

HEADED PIN,7/8" x 2 7/16"

PIN - clevis, 7/8 x 2-7/16 inch

2шт.

432-1632

COTTER PIN,1/4" x 2"

Pin, Split (Cotter), 1/4" x 2"

1шт.

20

1978738C1

HAIR PIN COTTER

1шт.

21

112428C1

YOKE

STRAP - gauging

1шт.

63881C92

BEARING SET,21.43mm ID x 65.08mm OD

KIT - wheel bearing, Inc. one each of REF 6 - 11 and 15

1шт.

Выбрано товаров: 34