Запчасти Case IH 610 (AC-06) - GANGS AND DISK BLADES

Схема запчастей Case IH 610 - (AC-06) - GANGS AND DISK BLADES
FIT
1:1
100%

Артикул

Название

Примечание

Количество

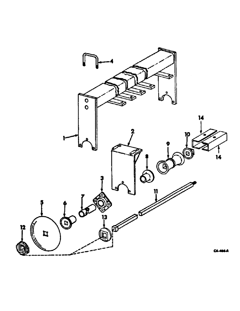
1

540230R1

BAR ASSY, front, unit C

1шт.

1

540231R1

BAR ASSY, rear, unit C

1шт.

1

540235R1

BAR ASSY, front, unit B

1шт.

1

540236R1

BAR ASSY, rear, unit B

1шт.

1

540238R1

BAR ASSY, front, unit A

1шт.

1

540239R1

BAR ASSY, rear, unit A

1шт.

444592

PLUG,Sq Hd, 1/4"-14 NPTF

3/4-14 automotive sq-hd pipe

4шт.

2

540226R1

NOZZLE HOLDER

STANDARD ASSY, brg, 4 for unit A, 6 for unit B, 8 for unit C

1шт.

3

ST490A

BEARING

ASSY, 8 for unit A, 10 for unit B, 12 for unit C

1шт.

3

ST491A

BALL BEARING,45mm ID

BEARING, disk gang regreasable, 8 for unit A, 10 for unit B, 12 for unit C

1шт.

3

ST491A-IMPGV

BEARING

Value, 1-3/4 In. Round Bore Bearing Assy

1шт.

180177

BOLT,Hex, 1/2" - 13 x 1 1/2", Gr 5

SCREW, 1/2-13 x 1-1/2 znd hex-hd cap, 12 for unit A, 18 for unit B, 24 for unit C

1шт.

180179

BOLT,Hex, 1/2" - 13 x 1 3/4", Gr 5

SCREW, 1/2-13 x 1-3/4 znd hex-hd cap

12шт.

120384

WASHER,1/2"

LOCK, , 24 for unit A, 30 for unit B, 36 for unit C 1/2"

1шт.

607895R1

WASHER

17/32 A, 30 for unit B, 36 for unit C

1шт.

120378

NUT,Hex, 1/2" - 13, Gr 5

NUT, , 24 for unit A; 30 for unit B; 36 for unit C 1/2"-13, G5

1шт.

4

540241R1

BOLT (SPREADER),U, 3/4" - 10 x 5.5"

U-BOLT, brg std, 4 for unit A, 6 for unit B, 8 for unit C

1шт.

87340

LOCK WASHER,Helical Spring, 0.759" ID, CST, ZND

WASHER, LOCK, 3/4", 8 for unit A, 12 for unit B, 16 for unit C

1шт.

280954

NUT,3/4"-10, G5

8 for unit A, 12 for unit B, 16 for unit C 3/4"-10, G5

1шт.

5

87618087

DISC

DISK, blade 22 in. 7 ga plain, 30 for unit A, 36 for unit B, 42 for unit C

1шт.

5

472217R1

DISK HARROW

DISK, blade 20 in. 8 ga plain

1шт.

5

651199R1

DISC

DISK, blade 18 in. 9 ga plain

1шт.

6

472591R3

BUSHING,1.796" ID x 2.4" OD x 4.052"

bearing, 8 for unit A, 10 for unit B, 12 for unit C

1шт.

7

472594R1

BUSHING,38.91mm ID x 44.45mm OD x 154mm L

arbor bolt support, 8 for unit A, 10 for unit B, 12 for unit C

1шт.

8

472593R1

SPOOL

bearing, 8 for unit A, 10 for unit B, 12 for unit C

1шт.

9

481417R1

SPOOL

spacing, 20 for unit A, 24 for unit B, 28 for unit C

1шт.

10

481611R1

WASHER

arbor bolt nut, 2 for unit B, 4 for unit C

1шт.

10

PA4167

WASHER

arbor bolt nut, 4 for unit A, 2 for unit B

1шт.

131049

HYD CONNECTOR

1-1/8 C-Z med lock

4шт.

220089

DISC,1 1/8"-7, G5

1-1/8 C-Z hex.

4шт.

11

487168R1

BOLT,1 1/8"-7 x 94.6"

ARBOR, bolt, 2 for unit B, 4 for unit C

1шт.

REF#11 MEASURES 94.4" LONG 1 1/8" 11/22/96

1шт.

11

652939R2

BOLT,Rnd Cor Sq Hd, 1 1/8" - 7 x 67.4"

ARBOR, bolt, 67.4 inch, 4 for unit A, 2 for unit B

1шт.

REF#11A MEASURES 66.9" LONG 1 1/8 11/22/96

1шт.

12

466950R2

WASHER

arbor bolt hd

1шт.

13

P4165

WASHER, arbor bolt hd

3шт.

14

543309R1

BLOCK DRIVER

DRIVER, 9 in. spacing

2шт.

18814R1

BOLT,Hex, 1/2" - 13 x 4 1/2", Gr 2

1/2 x 4-1/2 znd hex-hd mach

1шт.

474848R1

LOCK NUT,1/2"-13, GB

NUT, 1/2-13 znd hex. lock

1шт.

Выбрано товаров: 39