Запчасти Case IH 760 (9-03) - TRANSPORT LIFT AXLE (09) - CHASSIS/ATTACHMENTS

Схема запчастей Case IH 760 - (9-03) - TRANSPORT LIFT AXLE (09) - CHASSIS/ATTACHMENTS
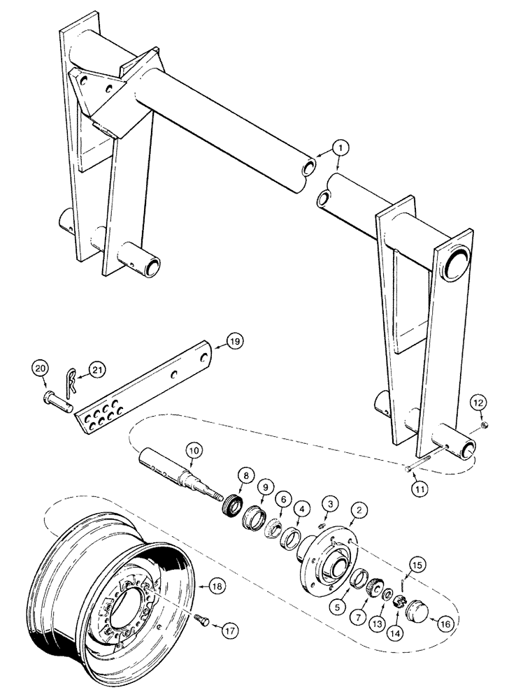
2
7
20
6
9
14
15
10
4
3
1
8
21
18
19
16
12
11
13
5
17
FIT
1:1
100%

Артикул

Название

Примечание

Количество

1

147976C1

AXLE

ASSEMBLY - transport lift

1шт.

No longer available. For service order 1978727C1 Axle and (4) 1344887C1 bushings

1шт.

1

1978727C1

AXLE

ASSEMBLY - transport lift (Replaces 147976C1) (Not Shown)

1шт.

2

465493R2

HUB

- wheel, 6 bolt

4шт.

3

219-87

LUBE NIPPLE,1/4" - 28 NPTF

NIPPLE, LUBE, 1/4"-28 x .56" lg, Self-Tap

4шт.

4

618024R1

BEARING CUP,65.113mm OD x 13.97mm W

2-9/16 OD x 9/16 inch wide, was 618024R1

4шт.

Part of wheel bearing kit, P/N 63881C92

1шт.

5

371883R1

BEARING CUP

1-31/32 OD x 9/16 inch wide

4шт.

Part of wheel bearing kit, P/N 63881C92

1шт.

6

618023R91

BEARING ASSY,34.93mm ID x 18.2mm W

CONE - bearing, 1-3/8 ID x 3/4 inch wide, was 618023R91

4шт.

Part of wheel bearing kit, P/N 63881C92

1шт.

7

371882R91

ROLLER BEARING,20.64mm ID x 49.23mm OD x 19.84mm W

27/32 ID x 3/4 inch wide

4шт.

Part of wheel bearing kit, P/N 63881C92

1шт.

8

667599R92

SEAL

- wheel hub oil

4шт.

Part of wheel bearing kit, P/N 63881C92

1шт.

9

667564R2

SLEEVE

RING - oil seal wear, was 667564R1

4шт.

Part of wheel bearing kit, P/N 63881C92

1шт.

10

478375R1

SPINDLE

- wheel

4шт.

11

413-648

BOLT,Hex, 3/8" - 16 x 3", Gr 5

4шт.

12

232-4136

LOCK NUT,3/8"-16, GC

NUT, LOCK, 3/8"-16, GC

4шт.

13

369857R1

WASHER,20.7mm ID x 31.75mm OD x 3mm Thk

- flat, hardened

4шт.

14

69442D

NUT

- slotted hex, 3/4 inch NF

4шт.

15

432-820

COTTER PIN,1/8" x 1 1/4"

PIN, SPLIT (COTTER), 1/8" x 1-1/4"

4шт.

16

663908R1

CAP

- hub

4шт.

Part of wheel bearing kit, P/N 63881C92

1шт.

17

549962R1

BOLT,1 1/2" - 20 x 1 1/2", Class 3

- hex conical, 1/2 NF x 1-1/2 inch

24шт.

18

T25842

RIM

WHEEL - 14 x 5KB, if used

4шт.

18

481344R91

WHEEL

- 14 x 8KB, if used

4шт.

810768C1

VALVE

- steel, tubeless tire, used with 14 inch wheels

4шт.

18

T53527

WHEEL

- 15 x 5KB

4шт.

810769C1

VALVE

- steel,tubeless tire, used with 15 inch wheels

4шт.

19

58923C1

BAR

STRAP - gauging

2шт.

20

439-51240

HEADED PIN,19.05mm OD x 63.5mm L

PIN - clevis, 3/4 x 2-1/2 inch

2шт.

21

1978739C1

PIN

- cotter, hair type, 3/16 inch

1шт.

80754

COTTER PIN,3/16" OD x 1-1/2" OAL

PIN, SPLIT (COTTER), 3/16" x 1 1/2"

1шт.

23729R1

HEADED PIN,22.23mm OD x 76.2mm L

PIN - clevis, 7/8 x 3 inch

1шт.

495-81057

WASHER,23.01mm ID x 38.1mm OD x 3.4mm Thk

- flat, 29/32 x 1-1/2 x 7/64 inch

1шт.

432-1624

COTTER PIN,1/4" x 1 1/2"

Pin, Split (Cotter), 1/4" x 1-1/2"

1шт.

63881C92

BEARING SET,21.43mm ID x 65.08mm OD

KIT - wheel bearing, Inc. 1 each of REF 4 - 9 and 16

1шт.

Выбрано товаров: 39