Запчасти Case IH 760 (9-04) - TRANSPORT LIFT AXLE - 6 BOLT HEAVY HUB (09) - CHASSIS/ATTACHMENTS

Схема запчастей Case IH 760 - (9-04) - TRANSPORT LIFT AXLE - 6 BOLT HEAVY HUB (09) - CHASSIS/ATTACHMENTS
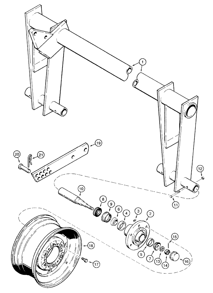
1
6
14
12
8
5
7
16
10
11
18
2
9
13
19
4
3
20
17
15
21
FIT
1:1
100%

Артикул

Название

Примечание

Количество

1

1978727C1

AXLE

ASSEMBLY - transport lift

1шт.

2

606468R21

HUB

- wheel, 6 bolt heavy

4шт.

3

219-87

LUBE NIPPLE,1/4" - 28 NPTF

NIPPLE, LUBE, 1/4"-28 x .56" lg, Self-Tap

4шт.

4

663558R1

BEARING CUP

CUP - bearing, inner

4шт.

5

651817R1

BEARING CUP

CUP - bearing, outer

4шт.

6

663557R91

BEARING ASSY,1.625" ID x 2.892" OD x 0.77"

BEARING - tapered roller, inner

4шт.

7

651818R91

ROLLER BEARING,31.77 mm ID x 16.08 mm

BEARING - tapered roller, outer

4шт.

8

594702R91

SEAL

- wheel hub oil

4шт.

9

594703R1

SLEEVE

RING - oil seal wear

4шт.

10

1978726C1

SPINDLE

- wheel, 2-1/8 inch OD

4шт.

11

413-856

BOLT,Hex, 1/2" - 13 x 3-1/2", Gr 5

- hex, 1/2 NC x 3-1/2 inch

4шт.

12

231-4218

LOCK NUT,1/2"-13, GB

NUT - hex lock, 1/2 inch NC

4шт.

13

469873R1

WASHER,23.01mm ID x 44.45mm OD x 3.05mm Thk

- flat, hardened, 29/32 x 1-3/4 x 1/8

4шт.

14

70120D

SLOTTED NUT,7/8"-14

NUT - slotted hex, 7/8 inch NF

4шт.

15

87673

COTTER PIN,1/8" x 1 3/4"

PIN, SPLIT (COTTER), 1/8" x 1 3/4"

4шт.

16

224066C1

HUB CAP

CAP - hub

4шт.

17

549962R1

BOLT,1 1/2" - 20 x 1 1/2", Class 3

- hex conical, 1/2 NF x 1-1/2 inch

24шт.

18

T25842

RIM

WHEEL - 14 x 5KB, if used

4шт.

18

481344R91

WHEEL

- 14 x 8KB, if used

4шт.

810768C1

VALVE

- steel, tubeless tire, used with 14 inch wheels

4шт.

18

T53527

WHEEL

- 15 x 5KB

4шт.

810769C1

VALVE

- steel,tubeless tire, used with 15 inch wheels

4шт.

19

58923C1

BAR

STRAP - gauging

2шт.

20

439-51236

HEADED PIN,19.05mm OD x 57.15mm L

PIN - clevis, 3/4 x 2-1/4 inch

2шт.

21

1978738C1

HAIR PIN COTTER

3/16"

1шт.

413-1448

BOLT,Hex, 7/8" - 9 x 3", Gr 5

- 7/8 NC x 3 inch

1шт.

231-41114

LOCK NUT,7/8"-9, GB

NUT - 7/8 NC

1шт.

432-1620

COTTER PIN,1/4" x 1 1/4"

Pin, Split (Cotter), 1/4" x 1 1/4"

1шт.

123096A2

WHEEL BEARING KIT

KIT - wheel bearing, Inc. one each of REF 4 - 9

1шт.

Выбрано товаров: 29