Запчасти Case IH 770 (08-15) - HYDRAULIC COUPLERS AND CYLINDER STOPS (08) - HYDRAULICS

Схема запчастей Case IH 770 - (08-15) - HYDRAULIC COUPLERS AND CYLINDER STOPS (08) - HYDRAULICS
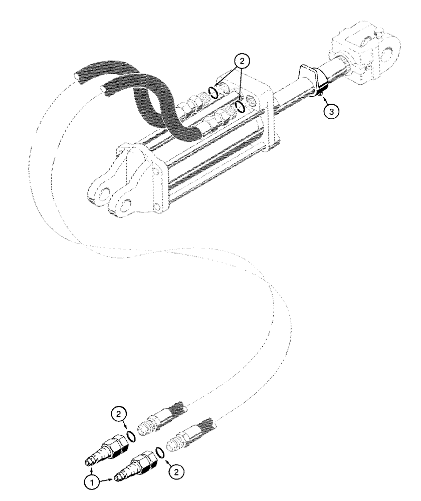
1
3
2
2
2
FIT
1:1
100%

Артикул

Название

Примечание

Количество

1

1272399C2

QUICK MALE COUPLING

COUPLER - male, 7/8-14 inch thread poppet type

1шт.

1

1341843C1

QUICK MALE COUPLING

COUPLER - male, 7/8-14 inch thread self sealing type

1шт.

1

1272399C2

QUICK MALE COUPLING

COUPLER - male, 7/8-14 inch thread self sealing (ISO Standard)

1шт.

1

1285718C2

QUICK MALE COUPLING

COUPLER - male, 3/4-16 inch thread self sealing (ISO Standard)

1шт.

1

218-5261

ADAPTER,7/8" - 14 ORB x 3/4" - 16 ORB

REDUCER - 3/4-16 x 7/8-14 inch thread

1шт.

1

1252129C1

ADAPTER,7/8" - 14 ORB x 3/4" - 16 ORB

REDUCER - 7/8-14 x 3/4-16 inch thread

1шт.

2

167269

O-RING,0.097" Thk x 0.755" ID, -910, Cl 6, 90 Duro

10-1, 90 Duro, .755" ID x .097" Thk

1шт.

2

237-6008

O-RING,0.087" Thk x 0.644" ID, -908, Cl 6, 90 Duro

8-1, 90 Duro, .644" ID x .087" Thk

1шт.

3

479849R91

PACKAGE

STOP - cylinder, 1/2 inch thick - Order 104514A1

1шт.

281-1478

SELF-TAP SCREW,1/4" - 20 x 1/2"

SCREW - hex washer head, 1/4 NC x 1/2 inch

2шт.

3

643259R91

STOP

- cylinder, 3/4 inch thick - Order 104514A1

1шт.

281-1478

SELF-TAP SCREW,1/4" - 20 x 1/2"

SCREW - hex washer head, 1/4 NC x 1/2 inch

2шт.

3

479850R91

PACKAGE

STOP - cylinder, 1 inch thick - Order 104514A1

1шт.

281-1478

SELF-TAP SCREW,1/4" - 20 x 1/2"

SCREW - hex washer head, 1/4 NC x 1/2 inch

2шт.

3

643260R91

PACKAGE

STOP - cylinder, 1-1/2 inch thick - Order 104514A1

1шт.

281-1478

SELF-TAP SCREW,1/4" - 20 x 1/2"

SCREW - hex washer head, 1/4 NC x 1/2 inch

2шт.

104514A1

PACKAGE

- hydraulic cylinder stop

1шт.

3

NSS

NOT SOLD SEPARAT

STOP ASSEMBLY - hydraulic cylinder, 7/8 inch

1шт.

3

NSS

NOT SOLD SEPARAT

STOP ASSEMBLY - hydraulic cylinder, 1 inch

1шт.

3

NSS

NOT SOLD SEPARAT

STOP ASSEMBLY - hydraulic cylinder, 1-1/4 inch

1шт.

3

NSS

NOT SOLD SEPARAT

STOP ASSEMBLY - hydraulic cylinder, 1-1/2 inch

1шт.

Выбрано товаров: 21