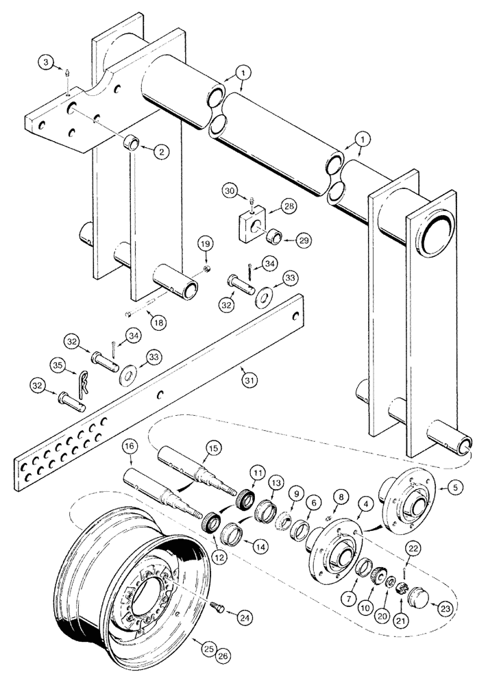
Запчасти Case IH 770 (09-04) - TRANSPORT LIFT AXLE, USED WITH NON-FOLDING FRAME, DISK HARROW CODED D THROUGH G (09) - CHASSIS/ATTACHMENTS

Схема запчастей Case IH 770 - (09-04) - TRANSPORT LIFT AXLE, USED WITH NON-FOLDING FRAME, DISK HARROW CODED D THROUGH G (09) - CHASSIS/ATTACHMENTS
28
4
19
7
3
12
16
35
32
20
34
24
34
2
33
18
1
26
14
21
25
33
32
23
32
30
22
1
15
9
10
5
11
8
31
13
6
29
FIT
1:1
100%

Артикул

Название

Примечание

Количество

1

60153C1

AXLE

- wheel, transport lift, 6 bolt

1шт.

1

199005A2

AXLE HOUSING

AXLE - wheel, transport lift, 8 bolt (if used)

1шт.

See Figure 09-06 for 8 bolt hub service parts

1шт.

2

112886C1

BUSHING

- cylinder pin

1шт.

3

219-17

LUBE NIPPLE,3/16" NPTF

FITTING - grease, straight, 3/16 drive type x 17/32"

1шт.

465496R11

HUB

ASSEMBLY wheel, used with Ref. 11 seal and Ref. 13 wear ring, if used, Inc. Ref.4, 6 and 7

4шт.

Cannot be interchanged with P/N 606468R21 or any of the items included in the P/N 606468R21 Hub Assembly.

1шт.

606468R21

HUB

ASSEMBLY - wheel, used with REF 12 seal and REF 14 wear ring, if used, Inc. REF 5, 6, and 7

4шт.

Cannot be interchanged with P/N 465496R11 or any of the items included in the P/N 465496R11 Hub Assembly.

1шт.

4

NSS

NOT SOLD SEPARAT

HUB, need P/N 465496R11 wheel, if used

1шт.

Cannot be interchanged with hub for P/N 606468R21 or any of the items included in the P/N 606468R21 Hub Assembly.

1шт.

5

NSS

NOT SOLD SEPARAT

HUB, need P/N 606468R21 wheel, if used

1шт.

Cannot be interchanged with hub for P/N 465496R11 or any of the items included in the P/N 465496R11 Hub Assembly.

1шт.

6

663558R1

BEARING CUP

CUP - bearing, inner

1шт.

Part of Wheel Bearing Kit P/N 123096A2

1шт.

Part of Hub Assembly P/N 46549R11.

1шт.

Part of Hub Assembly P/N 606468R21.

1шт.

7

651817R1

BEARING CUP

CUP - bearing, outer

1шт.

8

219-87

LUBE NIPPLE,1/4" - 28 NPTF

FITTING - grease, straight, 1/4 NF x 1/2 inch

4шт.

9

663557R91

BEARING ASSY,1.625" ID x 2.892" OD x 0.77"

BEARING - tapered roller, inner

4шт.

Part of Wheel Bearing Kit P/N 123096A2

1шт.

10

651818R91

ROLLER BEARING,31.77 mm ID x 16.08 mm

BEARING - tapered roller, outer

4шт.

11

654674R91

OIL SEAL

- oil, wheel hub, used with P/N 654675R1 wear ring

4шт.

Cannot be interchanged with P/N 594702R91 or any of the items included in the P/N 606468R21 Hub Assembly.

1шт.

12

594702R91

SEAL

- oil, wheel hub, used with P/N 594703R1 wear ring

4шт.

Part of Wheel Bearing Kit P/N 123096A2

1шт.

Cannot be interchanged with P/N 654674R91 or any of the items included in the P/N 465496R11 Hub Assembly.

1шт.

13

654675R1

RING

- wear, oil seal, 9/16 inch wide, if used

4шт.

Cannot be interchanged with P/N 594703R1 or any of the items included in the P/N 606468R21 Hub Assembly.

1шт.

14

594703R1

SLEEVE

RING - wear, oil seal, 1/2 inch wide, no longer available, for service order 606556R91 seal assembly, see below

4шт.

Part of Wheel Bearing Kit P/N 123096A2

1шт.

Cannot be interchanged with P/N 654675R1 or any of the items included in the P/N 465496R11 Hub Assembly.

1шт.

15

60158C2

SPINDLE,330.2mm L

- wheel, two-hole, if used

4шт.

Cannot be interchanged with P/N 1337412C1 or any of the items included in the P/N 606468R21 Hub Assembly.

1шт.

16

1337412C1

SPINDLE

- wheel, one-hole, if used

4шт.

Cannot be interchanged with P/N 60158C2 or any of the items included in the P/N 465496R11 Hub Assembly.

1шт.

18

413-856

BOLT,Hex, 1/2" - 13 x 3-1/2", Gr 5

- hex, 1/2 NC x 3-1/2 inch

4шт.

19

231-4218

LOCK NUT,1/2"-13, GB

NUT - hex lock, 1/2 inch NC

4шт.

20

469873R1

WASHER,23.01mm ID x 44.45mm OD x 3.05mm Thk

- flat, hardened

4шт.

21

70120D

SLOTTED NUT,7/8"-14

NUT - hex, slotted 7/8 inch NF

4шт.

22

87673

COTTER PIN,1/8" x 1 3/4"

PIN, SPLIT (COTTER), 1/8" x 1 3/4"

4шт.

23

224066C1

HUB CAP

CAP - wheel hub

4шт.

24

549962R1

BOLT,1 1/2" - 20 x 1 1/2", Class 3

- hex conical, 1/2 NF x 1-1/2 inch

24шт.

25

A57879

RIM

WHEEL - 15 inch x 8LB

4шт.

26

1277504C1

RIM

WHEEL - 15 inch x 10 LB, Replaces:147641C1

4шт.

27

810769C1

VALVE

- tubeless tire, steel, not shown

4шт.

129607C91

PIVOT

ASSEMBLY - hydraulic cylinder, repair, Inc. REF 28 - 30

1шт.

28

NSS

NOT SOLD SEPARAT

BLOCK - pivot, repair

1шт.

29

112886C1

BUSHING

- cylinder pin

1шт.

30

219-17

LUBE NIPPLE,3/16" NPTF

FITTING - grease, straight, 3/16 drive type x 17/32"

1шт.

31

60157C1

BAR

- gauging

2шт.

32

439-51644

HEADED PIN,1" x 2 3/4", G5

PIN - clevis, 1 x 2-3/4 inch

3шт.

33

495-81079

WASHER,1.03" ID x 2.5" OD x 0.12" Thk

- flat, 1-1/32 x 2-1/2 x 7/64 inch

2шт.

34

432-1632

COTTER PIN,1/4" x 2"

Pin, Split (Cotter), 1/4" x 2"

2шт.

35

1978738C1

HAIR PIN COTTER

3/16"

1шт.

606556R91

OIL SEAL

SEAL ASSEMBLY - oil, wheel hub, Inc. REF 12 and 14

4шт.

No longer available, for service order components

1шт.

Items in this kit cannot be interchanged with P/N 654674R91 or P/N 654675R1 or any of the items included in the P/N 465496R11 Hub Assembly.

1шт.

1978721C1

TUBE,54 mm ID, 67 mm OD

- axle, 2.12 inch ID

2шт.

123096A2

WHEEL BEARING KIT

KIT, WHEEL BEARING - Inc. (1) P/N 651818R91 Cone, (1) P/N 663557R91 Cone, (1) P/N 651817R1 Cup, (1) P/N 663558R1 Cup, (1) P/N 594702R2 Seal, (1) P/N 594703R1 Seal

1шт.

651817R1

BEARING CUP

BEARING SET

1шт.

Part of Wheel Bearing Kit P/N 123096A2

1шт.

651818R91

ROLLER BEARING,31.77 mm ID x 16.08 mm

BEARING, CONE

1шт.

Part of Wheel Bearing Kit P/N 123096A2

1шт.

Выбрано товаров: 64