Запчасти Case IH 770 (09-19) - MULCHER ATTACHMENT, ADJUSTABLE ANGLE, UNITS BUILT PRIOR TO 1980 (09) - CHASSIS/ATTACHMENTS

Схема запчастей Case IH 770 - (09-19) - MULCHER ATTACHMENT, ADJUSTABLE ANGLE, UNITS BUILT PRIOR TO 1980 (09) - CHASSIS/ATTACHMENTS
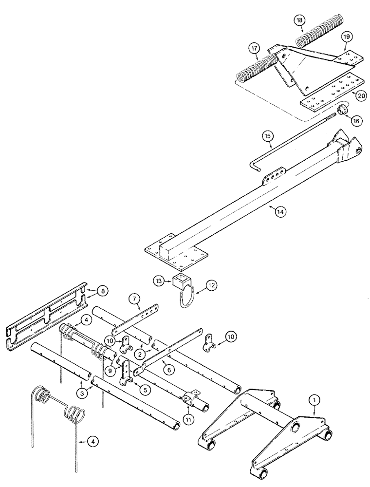
10
17
2
7
6
10
19
1
4
4
3
18
9
15
12
11
13
5
20
14
16
8
FIT
1:1
100%

Артикул

Название

Примечание

Количество

1

485615R2

FRAME

- tooth bar, 4-3/4 foot long (Disk Harrow coded B and C)

2шт.

1

485616R2

FRAME

- tooth bar, 6 foot long (Disk Harrow coded A)

2шт.

1

485616R2

FRAME

- tooth bar, 6 foot long (Disk Harrow coded B and C)

1шт.

2

485596R1

TUBE

BAR - first tooth, for 4-3/4 foot frame

2шт.

2

485599R1

TUBE

BAR - first tooth, for 6 foot frame

1-2шт.

3

485597R1

TUBE

BAR - third tooth, for 4-3/4 foot frame

2шт.

3

485600R1

TUBE

BAR - third tooth, for 6 foot frame

1-2шт.

432-1648

COTTER PIN,1/4" x 3"

Pin, Split (Cotter), 1/4" x 3"

1шт.

4

72901C1

TOOTH

- bar (12 used per each 4-3/4 foot frame)

24шт.

4

72901C1

TOOTH

- bar (15 used per each 6 foot frame)

15шт.

413-644

BOLT,Hex, 3/8" - 16 x 2-3/4", Gr 5

Shoulder (2 used per tooth) (Replaces 487082R1) (Also Order 485591R1 Spacer) Hex, 3/8"-16 x 2 3/4", G5

1шт.

230-4216

LOCK NUT,3/8"-16, GA

NUT - hex, self-locking, 3/8 inch NC (2 used per tooth)

1шт.

5

485592R1

ARM

HANDLE - bar, one used per frame

2-3шт.

413-844

BOLT,Hex, 1/2" - 13 x 2-3/4", Gr 5

- hex, 7/16 NC x 2-3/4 inch

4-6шт.

230-4217

LOCK NUT,7/16"-14, GA

NUT - hex, self-locking, 7/16 inch NC

4-6шт.

6

485593R1

SUPPORT

EXTENSION - handle, 19-1/4 inch long, one used per frame

2-3шт.

7

485594R1

BAR

EXTENSION - handle, 12-1/4 inch long, one used per frame

2-3шт.

21685R1

RIVET,Tr Hd, 3/8" x 1"

- 3/8 X 1 inch

1шт.

87019792

WASHER,0.47" ID x 0.92" OD x 0.1" Thk

- flat, 15/32 x 59/64 x 3/32 inch

1шт.

432-1016

COTTER PIN,5/32" x 1"

5/32" x 1"

1шт.

480523R1

HAIR PIN COTTER

1шт.

8

485598R1

SUPPORT

RAIL - center, half section, two per frame

4-6шт.

413-512

BOLT,Hex, 5/16" - 18 x 3/4", Gr 5

- hex, 5/16 NC x 3/4 inch

8-12шт.

492-11031

LOCK WASHER,5/16"

WASHER, LOCK, 5/16"

8-12шт.

425-105

NUT,5/16"-18, G5

- hex, 5/16 inch NC

8-12шт.

9

485604R1

TUBE

BAR - second tooth, one used per 4-3/4 foot frame

2шт.

9

485605R1

TUBE

BAR - second tooth, one used per 6 foot frame

1-2шт.

432-1648

COTTER PIN,1/4" x 3"

Pin, Split (Cotter), 1/4" x 3"

1шт.

10

485601R1

ARM

POST - center, first and second tooth bar, 2 used per frame

4-6шт.

Q3542

HEADED PIN,11.1mm OD x 38.1mm L

PIN - clevis, 7/16 x 1-1/2 inch

4-6шт.

432-1016

COTTER PIN,5/32" x 1"

5/32" x 1"

4-6шт.

413-844

BOLT,Hex, 1/2" - 13 x 2-3/4", Gr 5

- hex, 7/16 NC x 2-3/4 inch

4-6шт.

230-4217

LOCK NUT,7/16"-14, GA

NUT - hex, self-locking, 7/16 inch NC

4-6шт.

11

485603R1

BUSHING

- second tooth bar, 2 used per frame

4-6шт.

413-616

BOLT,Hex, 3/8" - 16 x 1", Gr 5

- hex, 3/8 NC x 1 inch, 2 used per bushing

8-12шт.

492-11038

LOCK WASHER,3/8"

2 used per bushing 3/8"

8-12шт.

9628503

NUT,3/8"-16, G5

2 used per bushing 3/8"-16, G5

8-12шт.

12

490688R1

BOLT,1/2" - 13 x 4 1/2"

U BOLT - 1/2 inch NC, 4 used per frame

8-12шт.

13

490687R1

CLAMP

- U bolt to arm, 2 used per frame

4-6шт.

80679

LOCK WASHER,1/20.507 CST ZND

WASHER, LOCK, 1/2"

16-24шт.

425-108

NUT,1/2" - 13, Gr 5

NUT, , Hex 1/2"-13, G5

16-24шт.

14

75220C1

ARM

- mounting, one used per frame

2-3шт.

280609

CARRIAGE BOLT,3/4" - 10 x 6", Gr 5

BOLT - hex, 3/4 NC x 6 inch

2-3шт.

232-41112

NUT,3/4"-10, GC

NUT, LOCK, 3/4"-10, GC

2-3шт.

15

596580R1

ROD

- adjustment, one used per frame

2-3шт.

432-1624

COTTER PIN,1/4" x 1 1/2"

Pin, Split (Cotter), 1/4" x 1-1/2"

2-3шт.

178375R1

WASHER

- flat, 3/4 x 1-1/4 x 1/16 inch

2-3шт.

16

1431BX

COLLAR CLAMP

COLLAR ASSEMBLY - with set screw, one used per frame

2-3шт.

83-15016

SET SCREW,Hex Soc, 1/2"-13 x 1"

SCREW - set, square head, 1/2 NC x 3/4 inch

1шт.

178375R1

WASHER

- flat, 3/4 x 1-1/4 x 1/16 inch

2-3шт.

425-1412

JAM NUT,Jam, 3/4"-10, G5

- hex, jam, 3/4 inch NC

4-6шт.

17

596574R1

SPRING

- compression, lower, one used per frame

2-3шт.

18

485611R1

SPRING

- compression, upper, one used per frame

2-3шт.

19

75221C1

BRACKET

- mulcher attaching, one used per frame

2-3шт.

20

75222C1

CLAMP

PLATE - bracket, one used per frame

2-3шт.

75223C1

STUD

- plate to bracket, 4 used per plate

8-12шт.

86729275

LOCK WASHER,5/8 0.634 CST ZND

WASHER, LOCK, , 4 used per plate 5/8"

8-12шт.

425-1010

NUT,5/8"-11, G5

4 used per plate 5/8"-11, G5

8-12шт.

Выбрано товаров: 58