Запчасти Case IH 780 (9-06) - TRANSPORT LIFT AXLE, DISK HARROWS WITH NON-FOLDING FRAME (09) - CHASSIS/ATTACHMENTS

Схема запчастей Case IH 780 - (9-06) - TRANSPORT LIFT AXLE, DISK HARROWS WITH NON-FOLDING FRAME (09) - CHASSIS/ATTACHMENTS
21
26
11
33
32
31
18
3
35
8
30
9
19
1
28
15
33
24
2
10
6
16
25
7
29
20
4
32
22
13
34
14
5
32
23
34
1
FIT
1:1
100%

Артикул

Название

Примечание

Количество

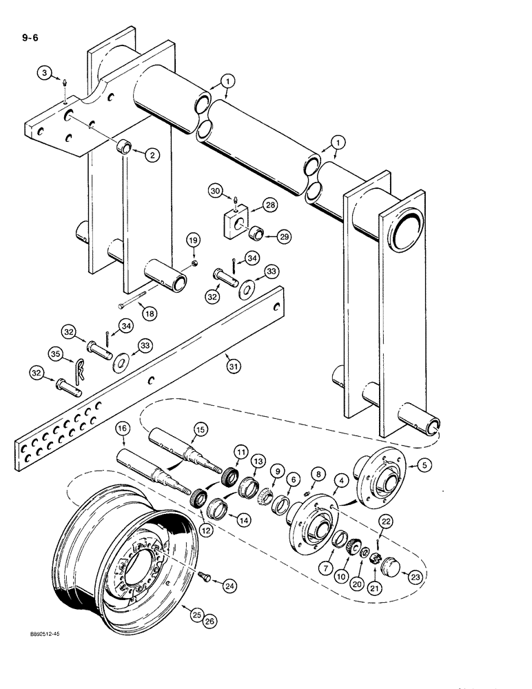
1

60153C1

AXLE

- wheel, transport lift

1шт.

2

112886C1

BUSHING

- cylinder pin

1шт.

3

219-17

LUBE NIPPLE,3/16" NPTF

FITTING - grease, straight, 3/16 drive type x 17/32"

1шт.

465496R11

HUB

ASSEMBLY - wheel, used with item 11 seal, 13 wear ring, and 15 spindle, if used

4шт.

606468R21

HUB

ASSEMBLY - wheel, used with item 12 seal, 14 wear ring, and 16 spindle, if used

4шт.

4

NSS

NOT SOLD SEPARAT

HUB - 465496R11 wheel, if used

1шт.

5

NSS

NOT SOLD SEPARAT

HUB - 606468R21 wheel, if used

1шт.

6

663558R1

BEARING CUP

CUP - bearing, inner

1шт.

7

B12408

BEARING CUP,59.156 mm OD x 11.862 mm

CUP - bearing, outer

1шт.

8

219-87

LUBE NIPPLE,1/4" - 28 NPTF

FITTING - grease, straight, 1/4 NF x 1/2 inch

4шт.

9

663557R91

BEARING ASSY,1.625" ID x 2.892" OD x 0.77"

BEARING - tapered roller, inner

4шт.

10

B12409

BEARING, ROLLER,31.763 mm ID x 16.84 mm

BEARING - tapered roller, outer

4шт.

11

654674R91

OIL SEAL

- oil, wheel hub, used with 654675R1 wear ring

4шт.

12

594702R91

SEAL

- oil, wheel hub, used with 594703R1 wear ring, no longer available, for service order 606556R91 seal assembly, see below

4шт.

13

654675R1

RING

- wear, oil seal, 9/16 inch wide, if used

4шт.

14

594703R1

SLEEVE

RING - wear, oil seal, 1/2 inch wide, no longer available, for service order 606556R91 seal assembly, see below

4шт.

15

60158C2

SPINDLE,330.2mm L

- wheel, two-hole, if used

4шт.

16

1337412C1

SPINDLE

- wheel, one-hole, if used

4шт.

18

113-477

BOLT,Hex, 1/2" - 13 x 1/2", Gr 5, Full Thd

- hex, 1/2 NC x 3-1/2 inch

4шт.

19

474848R1

LOCK NUT,1/2"-13, GB

NUT - hex lock, 1/2 inch NC

4шт.

20

469873R1

WASHER,23.01mm ID x 44.45mm OD x 3.05mm Thk

- flat, hardened

4шт.

21

70120D

SLOTTED NUT,7/8"-14

NUT - hex, slotted 7/8 inch NF

4шт.

22

137214

COTTER PIN

1/8" x 1-3/4"

4шт.

23

663906R1

CAP

- wheel hub

4шт.

24

549962R1

BOLT,1 1/2" - 20 x 1 1/2", Class 3

- hex conical, 1/2 NF x 1-1/2 inch

24шт.

If a stud is preferred rather than a bolt use P/N 366021R2 and the nut is P/N 554480R1.

1шт.

25

486101R2

RIM

WHEEL - 15 inch x 8LB

4шт.

26

1277504C1

RIM

WHEEL - 15 inch x 10LB, replaces 147641C1

4шт.

27

810769C1

VALVE

- tubeless tire, steel, not shown

4шт.

129607C91

PIVOT

ASSEMBLY - hydraulic cylinder, repair

1шт.

28

NSS

NOT SOLD SEPARAT

BLOCK - pivot, repair

1шт.

29

112886C1

BUSHING

- cylinder pin

1шт.

30

219-17

LUBE NIPPLE,3/16" NPTF

FITTING - grease, straight, 3/16 drive type x 17/32"

1шт.

31

60157C1

BAR

- gauging

2шт.

32

25419R1

PIN

- clevis, 1 x 2-3/4 inch

3шт.

33

23049R1

WASHER

- flat, 1-1/32 x 2-1/2 x 7/64 inch

2шт.

34

132-313

COTTER PIN,1/4" x 2"

PIN, Split (Cotter), 1/4" x 2"

2шт.

35

1978738C1

HAIR PIN COTTER

3/16"

1шт.

606556R91

OIL SEAL

SEAL ASSEMBLY - oil, wheel hub, includes items 12 and 14

4шт.

This part is not interchangeable with P/N 654674R91 or P/N 654675R1 or any of the items included in the P/N 465496R11 Hub Assembly.

1шт.

Выбрано товаров: 40