Запчасти Case IH B-SERIES (44) - FRONT GANG B109, 9-5/16 INCH SPACING

Схема запчастей Case IH B-SERIES - (44) - FRONT GANG B109, 9-5/16 INCH SPACING
FIT
1:1
100%

Артикул

Название

Примечание

Количество

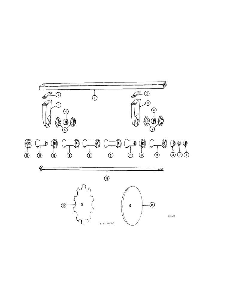
1

T33401

FRAME - gang (YR. - 66-)

2шт.

2

T33322

PLATE

- standard (YR. - 66-)

4шт.

13-1080

BOLT,Hex, 5/8" - 11 x 5", Gr 5

- 5/8" x 5" N.C. hex hd

8шт.

92-10

LOCK WASHER,5/8"

WASHER, LOCK, 5/8"

8шт.

3

T33383

SUPPORT ASSY.

STANDARD (YR. - 66-)

4шт.

4

T34178

BALL BEARING,38.61mm ID x 85.72mm OD x 30.18mm W

BEARING (YR. - 66-)

4шт.

5

T29920

FLANGE

- bearing (YR. - 66-)

8шт.

11-820

BOLT,Short NK, 1/2"-13 x 1 1/4", G2

- 1/2" x 1-1/4" cge

16шт.

92-8

LOCK WASHER,1/2"

16шт.

25-108

NUT,1/2"-13, G5

- 1/2" N.C. hex

16шт.

6

25-1224

SLOTTED NUT,1 1/2"-6, G5

NUT - 1-1/2" slotted (YR. - 66-)

2шт.

7

O2827HT

WASHER

(YR. - 66-)

1шт.

8

T2046

WASHER

(YR. - 66-)

2шт.

9

T2030

SPOOL

(YR. - 66-)

8шт.

10

T2041

SPOOL

- bearing, short (YR. - 66-)

4шт.

11

T2037

SPOOL

- bearing, long (YR. - 66-)

4шт.

12

T1895

BUMPER

(YR. - 66-)

2шт.

13

T62456

BOLT

- gang (Includes nut, ref. no. 6) (YR. - 66-)

2шт.

132-159

COTTER PIN,1/4" x 3"

Pin, Split (Cotter), 1/4" x 3"

2шт.

14

T33250

DISC

DISK - plain, 20" x 8 ga (YR. - 66-)

14шт.

14

T33329

DISK - plain, 20" x 10 ga (YR. - 66-)

14шт.

14

T33328

DISC

DISK - plain, 22" x 8 ga (YR. - 66-)

14шт.

15

T33324

DISC

DISK - notched, 20" x 9 ga (YR. - 66-)

14шт.

15

T33325

DISK - notched, 22" x 7 ga (YR. - 66-)

14шт.

15

T38347

DISC

DISK - notched, 20" x 7 ga (YR. - 68-)

14шт.

Выбрано товаров: 25