Запчасти Case IH E30 (026) - FRONT LEFT CENTER GANG, 9 INCH (228.6 MM) SPACING

Схема запчастей Case IH E30 - (026) - FRONT LEFT CENTER GANG, 9 INCH (228.6 MM) SPACING
FIT
1:1
100%

Артикул

Название

Примечание

Количество

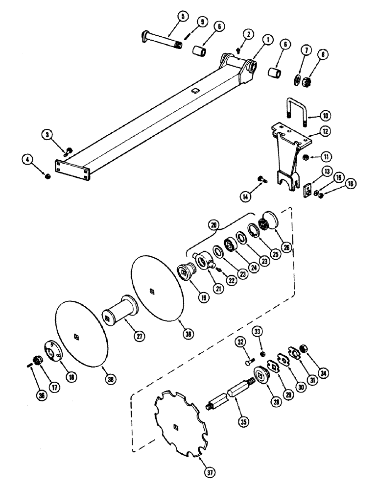
1

T52675

FRAME - gang

1шт.

2

219-15

LUBE NIPPLE,5/16" NPTF

FITTING - grease 5/16"

1шт.

3

111-618

BOLT,Short NK, 5/8"-11 x 2", G5

CARRIAGE, Short NK, 5/8"-11 x 2", G5

4шт.

4

230-41110

LOCK NUT,5/8"-11, GA

NUT - lock 5/8" NC hex

4шт.

5

T52676

PIN - wing pivot

1шт.

6

T52738

BUSHING - (Before serial no. 1606779)

2шт.

7

195-114

WASHER,1 3/8"

- 3-1/4 x 1-1/2" x 7 gauge

1шт.

8

25-1224

SLOTTED NUT,1 1/2"-6, G5

NUT - 1-1/2" NC hex slotted

1шт.

9

138-162

LOCK PIN,5/16" x 2 1/4", Slotted

Pin, 5/16" x 2 1/4", Slotted

1шт.

10

T52678

U-BOLT

U BOLT

6шт.

11

131-1140

LOCK NUT,7/8" - 9, Gr A

NUT - lock 7/8" NC hex

12шт.

12

T53676

RISER

- bearing

3шт.

13

T52681

CLAMP

- trunnion

6шт.

14

111-618

BOLT,Short NK, 5/8"-11 x 2", G5

CARRIAGE, Short NK, 5/8"-11 x 2", G5

6шт.

15

195-108

WASHER,5/8"

- 1-3/4 x 11/16" x 10 gauge

6шт.

16

230-41110

LOCK NUT,5/8"-11, GA

NUT - lock 5/8" NC hex

6шт.

17

T52680

NUT

- gang bolt

1шт.

18

T52679

WASHER

- bumper

1шт.

19

T55132

BELL HOUSING

END BELL - small

3шт.

20

T63252

BALL BEARING,39.01mm ID x 101.6mm OD x 35.33mm W

HOUSING AND BEARING ASSEMBLY

3шт.

21

NSS

NOT SOLD SEPARAT

HOUSING - bearing (Order T63252)

1шт.

22

219-3

LUBE NIPPLE,1/8" - 27 NPTF

FITTING - grease 1/8"

1шт.

23

T55591

WASHER,70.61mm ID x 100mm OD x 3.4mm Thk

- bearing

2шт.

24

T51653

BEARING, BALL,38.76mm ID x 100mm OD x 33.34mm W

BEARING

1шт.

25

T51654

SNAP RING,4.00", Int, #400

Ring, Snap, 4.00", Int, #400

1шт.

26

T55133

BELL HOUSING

END BELL - large

3шт.

27

T51655

CASTING

SPOOL

4шт.

28

T54657

WASHER

- end

1шт.

29

T54647

PLATE

- spacer

1шт.

30

T54646

PLATE

bearing

1шт.

31

T55051

PLATE

- lock

1шт.

32

111-539

CARRIAGE BOLT,Short NK, 1/2"-13 x 2", G5

BOLT - 1/2 x 2" NC carriage (Grade 5)

1шт.

33

131-165

NUT,1/2"-13, GA

NUT - lock 1/2" NC hex

1шт.

34

25-1124

NUT,1 1/2"-12, G5

- 1-1/2" NF hex

1шт.

35

T51625

BOLT

- gang 70-5/8" (1793.88 MM)

1шт.

36

138-162

LOCK PIN,5/16" x 2 1/4", Slotted

Pin, 5/16" x 2 1/4", Slotted

1шт.

37

T55917

BLADE

- disk 22 x 1/4" (558.8 x 6.4 MM) Notched

8шт.

37

T55912

PLOW DISC

BLADE - disk 24 x 1/4" (609.6 x 6.4 MM) Notched

8шт.

38

T55915

BLADE

- disk 22 x 1/4" (558.8 x 6.4 MM) Solid

8шт.

38

T55911

BLADE

- disk 24 x 1/4" (609.6 x 6.4 MM) Solid

8шт.

Выбрано товаров: 40