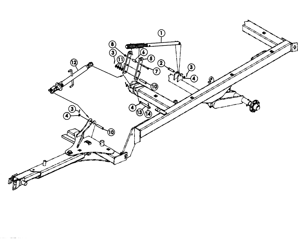
Запчасти Case IH RMX790 (39.100.03) - TURNBUCKLE LEVELING ASSEMBLY PARTS (09) - CHASSIS/ATTACHMENTS

Схема запчастей Case IH RMX790 - (39.100.03) - TURNBUCKLE LEVELING ASSEMBLY PARTS (09) - CHASSIS/ATTACHMENTS
13
8
11
3
4
6
5
10
10
3
4
7
3
2
12
14
1
4
FIT
1:1
100%

Артикул

Название

Примечание

Количество

1

NSS

NOT SOLD SEPARAT

Spring Assembly, 87455604

1шт.

2

427-20500

CLEVIS PIN,31.75mm OD x 125mm L

1шт.

3

432-1632

COTTER PIN,1/4" x 2"

3шт.

4

17620020

BUSHING,32.15mm ID x 47.63mm OD x 2.08mm L

Machine, 1-1/4, 14 ga

4шт.

5

87349171

BAR

Bell Crank

2шт.

6

447862A1

TUBE

Spacer

1шт.

7

413-1296

BOLT,Hex, 3/4" - 10 x 6", Gr 5

1шт.

8

280375

NUT,3/4"-10, GC

1шт.

10

427-20625

CLEVIS PIN,31.75mm OD x 158.75mm L

2шт.

11

496-81009

WASHER,33.33mm ID x 50.33mm OD x 5.41mm Thk

4шт.

12

NSS

NOT SOLD SEPARAT

Turnbuckle, 87438434

1шт.

13

86989785

PIN

1-1/4 x 187

1шт.

14

438-12036

LOCK PIN,5/16" x 2 1/4", Slotted

1шт.

Выбрано товаров: 13