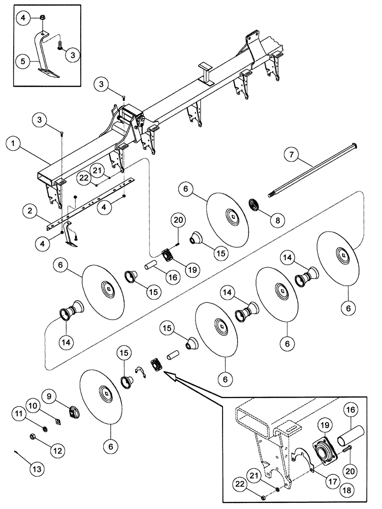
Запчасти Case IH RMX790 (75.200.10) - FINISHING FOLDING LH REAR WING DISK GANG PARTS SERIAL NUMBER JFH0034091 AND PRIOR (09) - CHASSIS/ATTACHMENTS

Схема запчастей Case IH RMX790 - (75.200.10) - FINISHING FOLDING LH REAR WING DISK GANG PARTS SERIAL NUMBER JFH0034091 AND PRIOR (09) - CHASSIS/ATTACHMENTS
19
11
6
13
19
6
17
8
6
7
20
4
22
6
16
21
4
16
18
21
12
1
22
3
3
15
10
15
6
2
20
14
5
4
14
15
14
6
3
9
15
FIT
1:1
100%

Артикул

Название

Примечание

Количество

1

87437511

SUPPORT TUBE

Folding, Rear Wing Gang, LH, 21 Foot

1шт.

1

87437511

SUPPORT TUBE

Folding, Rear Wing Gang, LH, 24 Foot

1шт.

1

86991162

SUPPORT TUBE

Folding, Rear Wing Gang, LH, 27 Foot

1шт.

2

87454033

ANGLE

Scraper, Rear Wing Gang, LH, 21 Foot

1шт.

2

87454033

ANGLE

Scraper, Rear Wing Gang, LH, 24 Foot

1шт.

2

87454032

ANGLE

Scraper, Rear Wing Gang, LH, 27 Foot

1шт.

3

433-1032

CARRIAGE BOLT,Sq Nk, 5/8" - 11 x 2", Gr 5

1шт.

4

1256884C1

NUT

5/8 Inch, NC, Flange

1шт.

5

121470C92

SCRAPER

Assembly, LH

1шт.

6

58934C3

DISK HARROW

DISK, 26.5"X6.5MM CLV/LF

1шт.

6

28336R3

DISK HARROW

660 x 8 mm, Solid

1шт.

7

549978R1

SQUARE BOLT

1-1/2 Inch Square Arbor (6-Blade)

1шт.

7

549980R1

BOLT,1 1/2" - 6 x 2004mm

1-1/2 Inch Square Arbor (8-Blade)

1шт.

8

60615C1

WASHER

Head

1шт.

9

549973R2

SQ HOLE WASHER

End

1шт.

10

87428606

NUT

Strip

1шт.

11

87412142

WASHER,40mm ID x 75mm OD x 6.5mm Thk

1-1/2 Inch Arbor Bolt

1шт.

12

425-1224

SLOTTED NUT,1 1/2"-6, G5

1-1/2 Inch, NC, Hex, Slotted

1шт.

13

438-12036

LOCK PIN,5/16" x 2 1/4", Slotted

5/16" x 2 1/4", Slotted

1шт.

14

437773A1

SPOOL

Spacing, 9 Inch Spacing

1шт.

15

437775A1

SPOOL

Bearing, 9 Inch Spacing

1шт.

16

86983480

BUSHING,49.28mm ID x 55.17mm OD x 122mm L

Arbor Bolt

2шт.

17

58919C1

SHIM

1шт.

18

139617C1

SHIM

1шт.

19

ST740B

BALL BEARING,55.58mm ID

Ball with Grease Zerk

2шт.

19

ST740BGV

BEARING

Value, Ball Bearing

2шт.

20

413-824

BOLT,Hex, 1/2" - 13 x 1-1/2", Gr 5

1шт.

20

413-828

BOLT,Hex, 1/2" - 13 x 1-3/4", Gr 5

1шт.

21

80679

LOCK WASHER,1/20.507 CST ZND

1шт.

22

425-108

NUT,1/2" - 13, Gr 5

1шт.

Выбрано товаров: 30