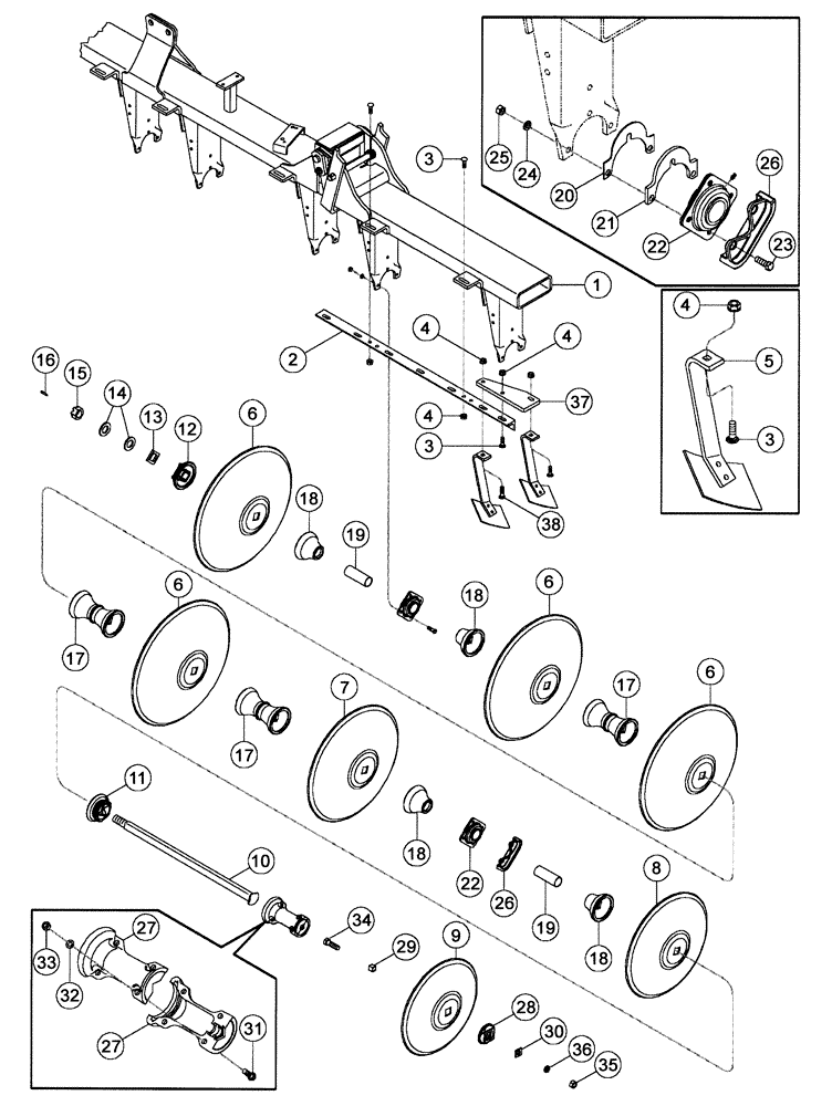
Запчасти Case IH RMX790 (75.200.11) - FINISHING FOLDING RH REAR WING DISK GANG PARTS SERIAL NUMBER JFH0034091 AND PRIOR (09) - CHASSIS/ATTACHMENTS

Схема запчастей Case IH RMX790 - (75.200.11) - FINISHING FOLDING RH REAR WING DISK GANG PARTS SERIAL NUMBER JFH0034091 AND PRIOR (09) - CHASSIS/ATTACHMENTS
17
25
33
28
26
23
6
30
38
13
11
7
4
18
20
35
6
34
22
29
1
36
3
10
18
17
9
31
4
18
3
3
16
19
4
2
12
15
27
22
4
26
32
8
19
24
21
6
17
6
27
5
37
14
18
FIT
1:1
100%

Артикул

Название

Примечание

Количество

1

Folding, Rear Wing Gang, RH, 21 Foot

1шт.

1

87439390

SUPPORT TUBE

Folding, Rear Wing Gang, RH, 24 Foot

1шт.

1

87439392

SUPPORT TUBE

Folding, Rear Wing Gang, RH, 27 Foot

1шт.

2

Scraper. Rear Wing Gang, RH, 21 Foot

1шт.

2

87458886

ANGLE

Scraper, Rear Wing Gang, RH, 24 Foot

1шт.

2

87458887

ANGLE

Scraper, Rear Wing Gang, RH, 27 Foot

1шт.

3

433-1032

CARRIAGE BOLT,Sq Nk, 5/8" - 11 x 2", Gr 5

1шт.

4

1256884C1

NUT

5/8 Inch, NC, Flange

1шт.

5

121470C92

SCRAPER

Assembly, LH

1шт.

6

58934C3

DISK HARROW

DISK, 26.5"X6.5MM CLV/LF

1шт.

6

28336R3

DISK HARROW

673 x 8 mm, Solid

1шт.

7

87443004

PLOW DISC

24 Inch x 6.5 mm, Solid

1шт.

8

87443000

PLOW DISC

DISK, 22"X6.5MM CC 760 ROC

1шт.

9

482973R1

DISC

509 x 4.55 mm, Solid

1шт.

10

549978R1

SQUARE BOLT

1-1/2 Inch Square Arbor (6-Blade)

1шт.

10

549980R1

BOLT,1 1/2" - 6 x 2004mm

1-1/2 Inch Square Arbor (8-Blade)

1шт.

11

100697C1

WASHER

Furrow Filler

1шт.

12

549973R2

SQ HOLE WASHER

End

1шт.

13

87428606

NUT

Strip

1шт.

14

87412142

WASHER,40mm ID x 75mm OD x 6.5mm Thk

1-1/2 Inch Arbor Bolt

1шт.

15

425-1224

SLOTTED NUT,1 1/2"-6, G5

1шт.

16

438-12036

LOCK PIN,5/16" x 2 1/4", Slotted

1шт.

17

437773A1

SPOOL

Spacing, 9 Inch Spacing

1шт.

18

437775A1

SPOOL

Bearing, 9 Inch Spacing

4шт.

19

86983480

BUSHING,49.28mm ID x 55.17mm OD x 122mm L

Arbor Bolt

2шт.

20

58919C1

SHIM

1шт.

21

139617C1

SHIM

1шт.

22

ST740B

BALL BEARING,55.58mm ID

Ball with Grease Zerk

2шт.

22

ST740BGV

BEARING

Value, Ball Bearing

2шт.

23

413-824

BOLT,Hex, 1/2" - 13 x 1-1/2", Gr 5

1шт.

23

413-832

BOLT,Hex, 1/2" - 13 x 2", Gr 5

(with Bearing Guard) (Optional)

1шт.

23

413-828

BOLT,Hex, 1/2" - 13 x 1-3/4", Gr 5

1шт.

24

80679

LOCK WASHER,1/20.507 CST ZND

1шт.

25

425-108

NUT,1/2" - 13, Gr 5

1шт.

26

414598A1

GUARD

Bearing, Wear

1шт.

27

129797C1

HUB

Furrow Filler

1шт.

28

596769R1

SQ HOLE WASHER

Arbor Bolt

1шт.

29

100694C1

PLATE,SMALL SQUARE

Driver

1шт.

30

100695C1

SPACER

1шт.

31

413-824

BOLT,Hex, 1/2" - 13 x 1-1/2", Gr 5

4шт.

32

80679

LOCK WASHER,1/20.507 CST ZND

4шт.

33

425-108

NUT,1/2" - 13, Gr 5

4шт.

34

413-1448

BOLT,Hex, 7/8" - 9 x 3", Gr 5

1шт.

35

425-1014

NUT,7/8"-9, G5

1шт.

36

492-11088

LOCK WASHER,7/8"

1шт.

37

87441206

MOUNTING PARTS

Furrow Filler Scraper

1шт.

38

433-1040

CARRIAGE BOLT,Sq Nk, 5/8" - 11 x 2 1/2", Gr 5

5/8 x 2-1/2 Inch, NC, Carriage

1шт.

Выбрано товаров: 47