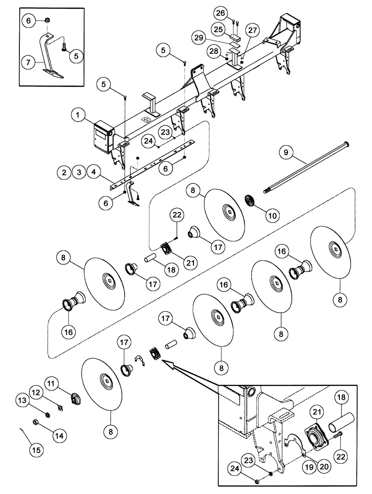
Запчасти Case IH RMX790 (75.200.14) - ALL-PURPOSE FOLDING REAR MAIN DISK GANG PARTS (09) - CHASSIS/ATTACHMENTS

Схема запчастей Case IH RMX790 - (75.200.14) - ALL-PURPOSE FOLDING REAR MAIN DISK GANG PARTS (09) - CHASSIS/ATTACHMENTS
18
4
7
14
8
13
25
26
20
8
8
18
24
16
29
22
6
1
27
8
8
10
22
11
17
6
5
28
24
23
17
2
12
16
23
6
3
21
5
19
15
9
17
16
5
21
8
17
FIT
1:1
100%

Артикул

Название

Примечание

Количество

1

87437521

SUPPORT TUBE

Rear Main Frame, Folding, 21 Foot

1шт.

1

87429237

TUBE,4150 mm L

Rear Main Frame, Folding, 24 Foot

1шт.

1

87429237

TUBE,4150 mm L

Rear Main Frame, Folding, 27 Foot

1шт.

2

87454033

ANGLE

Scraper, Rear Main Frame, LH, 21 Foot

1шт.

2

87454032

ANGLE

Scraper, Rear Main Frame, LH, 24 Foot

1шт.

2

87454032

ANGLE

Scraper, Rear Main Frame, LH, 27 Foot

1шт.

3

87454031

ANGLE

Scraper, Rear Main Frame, RH, 21 Foot

1шт.

3

87454032

ANGLE

Scraper, Rear Main Frame, RH, 24 Foot

1шт.

3

87454032

ANGLE

Scraper, Rear Main Frame, RH, 27 Foot

1шт.

4

433-1032

CARRIAGE BOLT,Sq Nk, 5/8" - 11 x 2", Gr 5

1шт.

5

1256884C1

NUT

5/8 Inch, Flange, NC

1шт.

6

121470C92

SCRAPER

Assembly, LH

1шт.

7

27600R3

DISC

DISK, 28.5"X 6.5MM CLV/LF

1шт.

7

31225R3

DISK HARROW

723 x 8 mm, Notched

1шт.

7

27601R3

DISK HARROW

DISK, 28.5"X 6.5MM CLV/LF

1шт.

7

31224R3

DISK HARROW

DISK, 28.5"X 8.00MM

1шт.

8

549978R1

SQUARE BOLT

1-1/2 Inch Square Arbor (6-Blade)

1шт.

8

549979R1

BOLT,Rnd Cor Sq Hd, 1 1/2" - 6 x 1732mm

1-1/2 Inch Square Arbor (7-Blade)

1шт.

8

549980R1

BOLT,1 1/2" - 6 x 2004mm

1-1/2 Inch Square Arbor (8-Blade)

1шт.

9

60615C1

WASHER

Head

1шт.

10

549973R2

SQ HOLE WASHER

End

1шт.

11

488836R2

NUT

Nut

1шт.

12

492-21150

LOCK WASHER,1 1/2"

1 1/2"

1шт.

13

425-1024

NUT,1 1/2"-6, G5

1шт.

14

549976R1

SPOOL

Spacing, 10-1/2 Inch Spacing

1шт.

15

549977R1

SPOOL,56.4 mm ID x 155 mm OD x 101.8 mm

Bearing, 10-1/2 Inch Spacing

1шт.

16

549971R1

SUPPORT TUBE

Arbor Bolt

1шт.

17

58919C1

SHIM

1шт.

18

139617C1

SHIM

1шт.

19

ST740B

BALL BEARING,55.58mm ID

Ball with Grease Zerk

1шт.

19

ST740BGV

BEARING

Value, Ball Bearing

1шт.

20

413-824

BOLT,Hex, 1/2" - 13 x 1-1/2", Gr 5

1шт.

20

413-832

BOLT,Hex, 1/2" - 13 x 2", Gr 5

(with Bearing Guard) (Optional)

1шт.

20

413-828

BOLT,Hex, 1/2" - 13 x 1-3/4", Gr 5

1шт.

21

80679

LOCK WASHER,1/20.507 CST ZND

1шт.

22

425-108

NUT,1/2" - 13, Gr 5

1шт.

23

04670230

SPACER

Rubber Pad

1шт.

24

413-628

BOLT,Hex, 3/8" - 16 x 1-3/4", Gr 5

2шт.

25

495-21044

WASHER,3/8"

2шт.

26

86992213

NUT

0.375

2шт.

27

87457698

PLATE, SPACER

PLATE,SPACER

1шт.

Выбрано товаров: 41