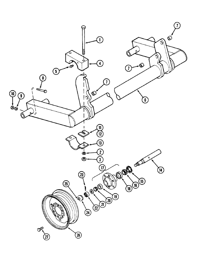
Запчасти Case IH RPW (020) - AXLE AND WHEEL

Схема запчастей Case IH RPW - (020) - AXLE AND WHEEL
FIT
1:1
100%

Артикул

Название

Примечание

Количество

1

113-737

BOLT,Hex, 3/4" - 10 x 6", Gr 5

4шт.

2

192-27

LOCK WASHER,3/4"

WASHER, LOCK, 3/4"

4шт.

3

129-108

NUT,3/4"-10, G5

4шт.

4

T54947

BEARING

CASTING - axle

2шт.

5

219-1

LUBE NIPPLE,1/8" - 27 NPTF

FITTING - grease 1/8"

2шт.

6

T56520

AXLE

ASSEMBLY

1шт.

7

T55853

BUSHING

3шт.

8

113-241

BOLT,Hex, 3/8" - 16 x 3", Gr 5

4шт.

9

192-46

LOCK WASHER,3/8"

WASHER, LOCK, 3/8"

4шт.

10

129-103

NUT,Hex, 3/8" - 16, Gr 5

NUT, 3/8"-16, G5

4шт.

11

T56224

SHIM

- 2-1/16 x 3-7/8" (52.4 x 98.4 MM) x 12 gauge

1шт.

12

T56225

SHIM

- 2-1/16 x 3-7/8" (52.4 x 98.4 MM) x 16 gauge

1шт.

13

T54755

CLAMP

PLATE - axle clamp

2шт.

14

T56597

SPINDLE

4шт.

15

T23709

SEAL

- grease

4шт.

16

G57452

ROLLER BEARING

CONE - bearing inner 1-3/8" ID (34.9 MM)

4шт.

17

T27113

HUB

ASSEMBLY - with cups

4шт.

18

G57451

BEARING, CUP

CUP - bearing inner 2-9/16" OD (65.1 MM)

1шт.

19

B12408

BEARING CUP,59.156 mm OD x 11.862 mm

CUP - bearing outer 2-5/16" OD (58.7 MM)

1шт.

20

B12409

BEARING, ROLLER,31.763 mm ID x 16.84 mm

CONE - bearing outer 1-1/4" ID (31.8 MM)

4шт.

21

195-50

WASHER,7/8" x 2" x .165"

- 2 x 15/16" x 8 gauge

4шт.

22

25-1314

SLOTTED NUT,7/8"-14, G5

NUT - 7/8" NF hex slotted

4шт.

23

132-311

COTTER PIN,5/32" x 1 1/4"

5/32" x 1 1/4"

4шт.

24

T54729

DUST CAP

CAP ASSEMBLY - dust

4шт.

25

219-14

LUBE NIPPLE,1/4" NPTF

FITTING - grease 1/4"

1шт.

26

A57879

RIM

WHEEL - 15 x 8" (381.0 x 203.2 MM)

4шт.

27

A29912

BOLT

BOLT - wheel

24шт.

Выбрано товаров: 27