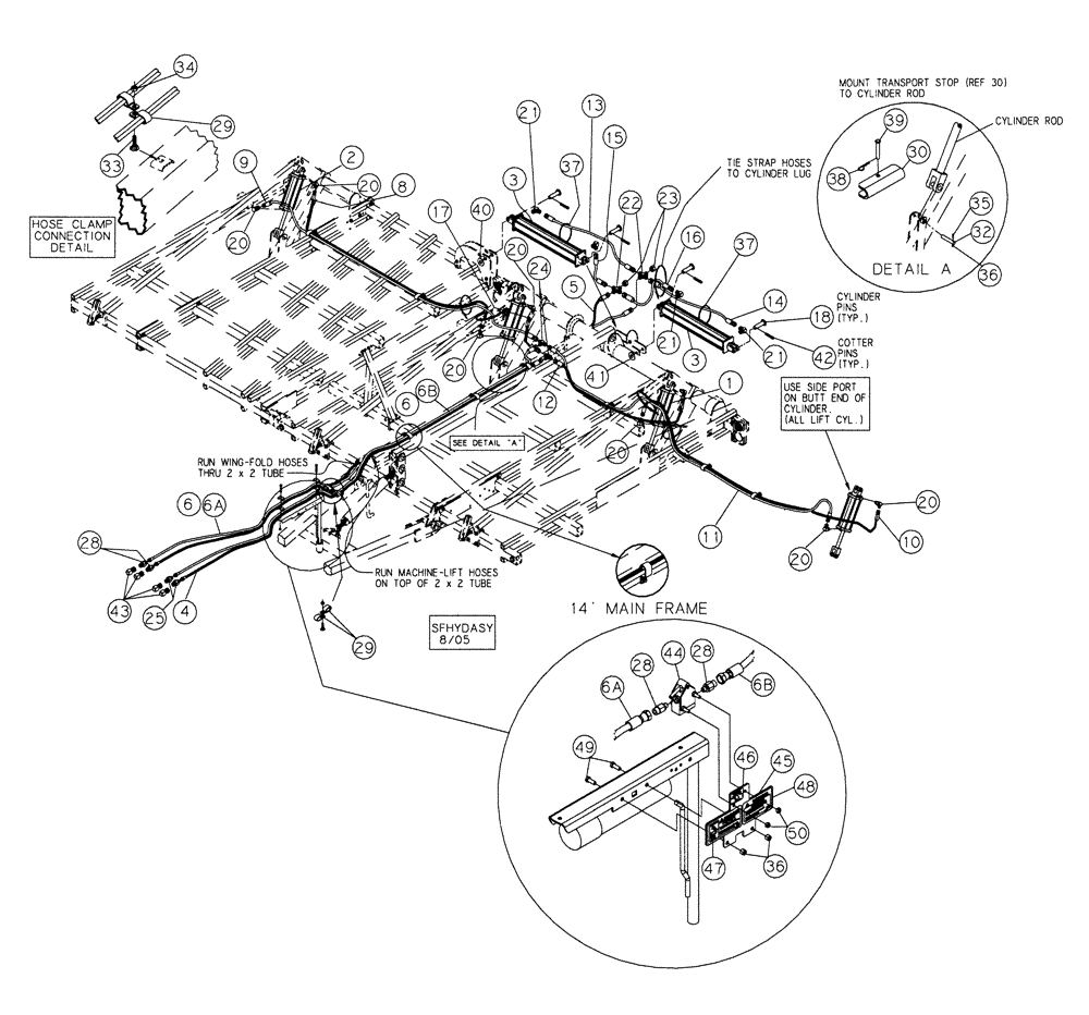
Запчасти Case IH TIGER-MATE (35.100.01) - HYDRAULICS SINGLE FOLD MODELS 12-1/2 THROUGH 38-1/2 (35) - HYDRAULIC SYSTEMS

Схема запчастей Case IH TIGER-MATE - (35.100.01) - HYDRAULICS SINGLE FOLD MODELS 12-1/2 THROUGH 38-1/2 (35) - HYDRAULIC SYSTEMS
44
38
36
32
33
2
36
42
5
6a
1
20
21
20
35
14
23
24
28
29
41
6b
43
29
6
9
15
25
28
20
28
16
20
21
48
10
37
20
30
18
20
3
17
21
12
39
8
45
13
40
6b
3
50
6
46
47
34
49
4
6a
11
37
22
20
FIT
1:1
100%

Артикул

Название

Примечание

Количество

1

87423771

CYLINDER ASSY.,Double Acting, 31.75mm Rod, 203.2mm Stroke

3-1/2" x 8", Rephase, Monarch

2шт.

84255910R

REMAN-HYD CYLINDER

TIGER-MATE®, TIGERMATE II, Reman For New P/N 87423771

2шт.

84255910C

CORE-HYD CYLINDER

Return Number

1шт.

1

84255910

HYDRAULIC CYLINDER,Double Acting, 31.75mm Rod, 203.2mm Stroke

Replaces 87423771 - Eagle

2шт.

84255910R

REMAN-HYD CYLINDER

TIGER-MATE®, TIGERMATE II

2шт.

84255910C

CORE-HYD CYLINDER

Return Number

1шт.

2

87423770

HYDRAULIC CYLINDER,Double Acting, 31.75mm Rod, 203.2mm Stroke

3-1/4" x 8", Rephase

2шт.

87423770R

REMAN-HYD CYLINDER

TIGER-MATE® II - DMI SINGLE FOLD - 12-1/2' TO 38-1/2', TIGERMATE II DMI FIELD CULTIVATOR

2шт.

87423770C

CORE-HYD CYLINDER

Return Number

1шт.

3

25340301

CYLINDER ASSY.,Double Acting, 38.1mm Rod, 762mm Stroke

4" x 30", 3000 p.s.i.

2шт.

3

25340362

HYDRAULIC CYLINDER,Double Acting, 38.1mm Rod, 914.4mm Stroke

4" x 36", 3000 p.s.i.

2шт.

34-1/2 To 38-1/2 Models

1шт.

3

25340362R

REMAN-HYD CYLINDER

TIGERMATE II - DMI FIELD CULTIVATOR & TIGER-MATE® - II - DMI SINGLE FOLD - 12-1/2' TO 38-1/2'

2шт.

3

25340362C

CORE-HYD CYLINDER

Return Number

2шт.

4

407167A1

HOSE ASSY.

1/4" x 175", 10 Mainframe

2шт.

4

1264171C1

HYDRAULIC HOSE,6.40 mm ID x 5590.00 mm, SAE 100R1

12 Mainframe

2шт.

4

227185A1

HYDRAULIC HOSE,6.35 mm ID x 6350.00 mm, SAE 100R1

14 Mainframe

2шт.

5

1254530C2

HYDRAULIC HOSE

1/4" x 130

2шт.

6

1337374C1

HYDRAULIC HOSE

1/2 x 270, 10 Mainframe

1шт.

6

113710A1

HOSE

1/2 x 295, 12 Mainframe

1шт.

6

134209A1

HOSE

1/2 x 345, 14 Mianframe

1шт.

6a

91202C1

HYDRAULIC HOSE,12.70 mm ID x 2160.00 mm, SAE 100R1

All Mainframe

1шт.

6b

1337360C1

HOSE ASSY.

1/2 x 175, 10 Mainframe

1шт.

6b

91205C1

HYDRAULIC HOSE,12.70 mm ID x 5335.00 mm, SAE 100R1

12 Mainframe

1шт.

6b

1978106C1

HOSE

1/2 x 240, 14 Mainframe

1шт.

8

25600676

HYDRAULIC HOSE,0.38" ID x 88.00", SAE 100R17

1шт.

20-1/2 And 22-1/2 Models

1шт.

8

25600669

HYDRAULIC HOSE,9.65mm ID x 2895.6mm L, SAE 100R17

1шт.

24-1/2, 26-1/2, And 28-1/2 Models

1шт.

8

25600671

HYDRAULIC HOSE,0.38" ID x 138.00", SAE 100R17

1шт.

30-1/2, 32-1/2, 34-1/2, And 36-1/2 Models

1шт.

8

25600752

HYDRAULIC HOSE,9.68mm ID x 161mm L

1шт.

38-1/2 Model

1шт.

9

25600692

HYDRAULIC HOSE,0.38" ID x 108.00", SAE 100R17

1шт.

9

25600684

HYDRAULIC HOSE,0.38" ID x 132.00", SAE 100R17

1шт.

20-1/2 And 22-1/2 Models

1шт.

9

25600717

HYDRAULIC HOSE,0.38" ID x 155.00", SAE 100R17

1шт.

30-1/2 And 32-1/2 Models

1шт.

9

25600752

HYDRAULIC HOSE,9.68mm ID x 161mm L

1шт.

34-1/2 And 36-1/2 Models

1шт.

9

25600667

HYDRAULIC HOSE,0.38" ID x 187.00", SAE 100R17

1шт.

38-1/2 Model

1шт.

10

25600724

HYDRAULIC HOSE,0.38" ID x 104.50", SAE 100R17

1шт.

20-1/2 And 22-1/2 Models

1шт.

10

25600734

HYDRAULIC HOSE,0.38" ID x 124.50", SAE 100R17

1шт.

24-1/2, 26-1/2, And 28-1/2 Models

1шт.

10

25600814

HYDRAULIC HOSE

3/8 x 148

1шт.

30-1/2, 32-1/2, 34-1/2, And 36-1/2 Models

1шт.

10

25600615

HYDRAULIC HOSE,0.38" ID x 173.00", SAE 100R17

1шт.

38-1/2 Model

1шт.

11

25600606

HYDRAULIC HOSE,0.38" ID x 150.00", SAE 100R17

1шт.

20-1/2 And 22-1/2 Models

1шт.

11

25600615

HYDRAULIC HOSE,0.38" ID x 173.00", SAE 100R17

1шт.

24-1/2, 26-1/2, And 28-1/2 Models

1шт.

11

25600733

HYDRAULIC HOSE,0.38" ID x 197.00", SAE 100R17

1шт.

30-1/2 Model With 10 Mainframe

1шт.

11

25600718

HYDRAULIC HOSE,0.38" ID x 215.00", SAE 100R17

1шт.

30-1/2 And 32-1/2 Models With 12 Mainframe

1шт.

11

25600759

HYDRAULIC HOSE

3/8 x 245

1шт.

34-1/2 And 36-1/2 Models

1шт.

11

25600760

HYDRAULIC HOSE

3/8 x 269

1шт.

38-1/2 Model

1шт.

12

25600678

HYDRAULIC HOSE,0.38" ID x 78.00", SAE 100R17

10-1/2 Mainframe

1шт.

12

25600704

HYDRAULIC HOSE,9.53mm ID x 2463.8mm L, SAE 100R17

12-1/2 Mainframe

1шт.

12

25600681

HYDRAULIC HOSE,0.38" ID x 121.00", SAE 100R17

14-1/2 Mainframe

1шт.

13

25600429

HYDRAULIC HOSE,0.25" ID x 26.00", SAE 100R17

10-1/2 Mainframe

1шт.

13

25600422

HYDRAULIC HOSE,0.25" ID x 30.00", SAE 100R17

12-1/2 Mainframe

1шт.

13

25600434

HYDRAULIC HOSE,0.25" ID x 34.00", SAE 100R17

14-1/2 Mainframe

1шт.

14

147878C1

HOSE

1/4 x 65, 10-1/2 Mainframe

1шт.

14

25600436

HYDRAULIC HOSE,0.25" ID x 84.00", SAE 100R17

12-1/2 Mainframe

1шт.

14

1284366C1

HYDRAULIC HOSE

1/4 x 100, 14-1/2 Mainframe

1шт.

15

25600429

HYDRAULIC HOSE,0.25" ID x 26.00", SAE 100R17

10-1/2 Mainframe

1шт.

15

25600438

HYDRAULIC HOSE,0.25" ID x 16.00", SAE 100R17

12-1/2 Mainrfame

1шт.

15

1284278C1

HYDRAULIC HOSE

1/4 x 41, 14-1/2 Mainframe

1шт.

16

25600422

HYDRAULIC HOSE,0.25" ID x 30.00", SAE 100R17

10-1/2 Mainframe

1шт.

16

25600437

HYDRAULIC HOSE,0.25" ID x 48.00", SAE 100R17

12-1/2 Mainframe

1шт.

16

1277717C1

HYDRAULIC HOSE,6.35 mm ID x 1525.00 mm

14-1/2 Mainframe

1шт.

17

25600713

HYDRAULIC HOSE,0.38" ID x 27.50", SAE 100R17

10-1/2 Mainframe

1шт.

17

25600738

HYDRAULIC HOSE,0.38" ID x 33.50", SAE 100R17

12-1/2 Mainframe

1шт.

17

25600614

HYDRAULIC HOSE,0.38" ID x 36.00", SAE 100R17

14-1/2 Mainframe

1шт.

18

14891660

SPECIAL PIN,25.4mm OD x 125.73mm L

1 x 4.30

4шт.

20

218-5106

90 ELBOW,90 Degree Elbow, 3/4" - 16 Male JIC x 3/4" - 16 Male ORB

JICM x SAEM

8шт.

21

218-5128

ELBOW,90° Elbow, 9/16" - 18 Male JIC x 3/4" - 16 Male ORB

SAE x JIC Flare

4шт.

22

218-653

4 WAY CONNECTION,9/16"-18, 37 Degree

JICM

2шт.

23

218-754

CAP,37 Degree, 9/16"-18

JIC

2шт.

24

218-594

TEE,3/4"-16, 37 Degree

JICM

2шт.

25

218-5058

HYD CONNECTOR,9/16" - 18 Male JIC x 3/4" - 18 Male ORB

JICM x SAEM

2шт.

28

218-5059

HYD CONNECTOR,3/4"-16, 37 Degree x 3/4"-16, O-Ring

4шт.

29

22510700

HOSE CLAMP,15.86mm

5/8

1шт.

29

22510710

HOSE CLAMP

3/4

1шт.

30

87404919

STOP

12, Transport

2шт.

32

14891630

SPECIAL PIN,25.4mm OD x 162.05mm L

1 x 5.75

4шт.

33

433-616

CARRIAGE BOLT,Sq Nk, 3/8" - 16 x 1", Gr 5

NC

1шт.

35

413-640

BOLT,Hex, 3/8" - 16 x 2-1/2", Gr 5

NC

2шт.

36

86992213

NUT

3/8, NC, Stover

1шт.

37

289862C1

CABLE TIE,3/16" x 7"

CABLE STRAP Clamp

1шт.

38

14720411

COTTER PIN

PIN, COTTER 1/8 x 2

2шт.

39

14810251

HEADED PIN,15.88mm OD x 96.77mm L

5/8 x 3

2шт.

40

495-21106

WASHER,1"

Standard

2шт.

41

17616011

BUSHING

1, Machine 10 Ga.

2шт.

42

432-1632

COTTER PIN,1/4" x 2"

Split

1шт.

43

25705041

COUPLING

ISO, 3/4 SAEF

4шт.

44

87328528

SHUT-OFF VALVE

Hydraulic

1шт.

45

87328931

PLATE

Bracket

1шт.

46

87343258

DECAL

Hydraulic Transport Operation

1шт.

47

87353780

DECAL

Warning Crushing Hazard

1шт.

48

87353782

DECAL

Transport Hazard

1шт.

49

413-616

BOLT,Hex, 3/8" - 16 x 1", Gr 5

2шт.

50

86992212

NUT

5/16, Hex., Stover

2шт.

Выбрано товаров: 0