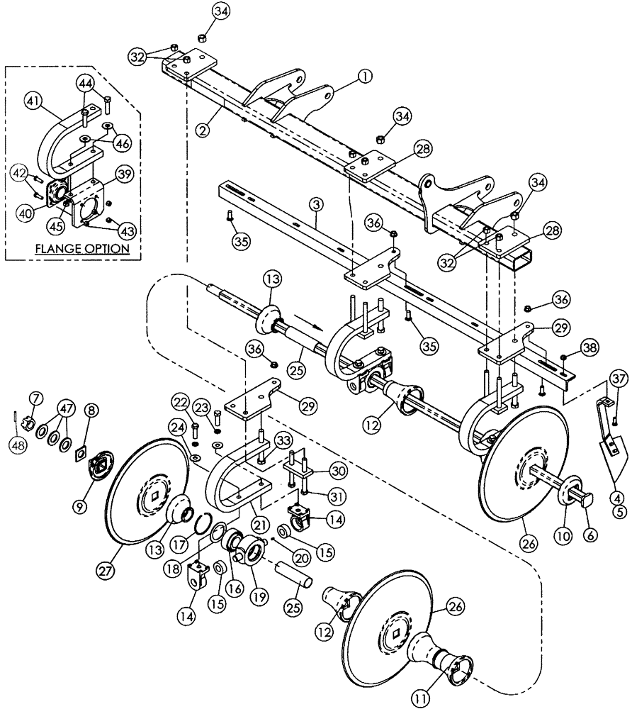
Запчасти Case IH 690 (75.200.05) - FRONT DISK GANG - 7 SHANK ASSEMBLY (QUANTITIES FOR ONE GANG ASSEMBLY) 2006 MODELS & PRIOR

Схема запчастей Case IH 690 - (75.200.05) - FRONT DISK GANG - 7 SHANK ASSEMBLY (QUANTITIES FOR ONE GANG ASSEMBLY) 2006 MODELS & PRIOR
2
11
36
40
13
17
28
21
18
4
19
48
25
23
8
39
35
36
27
14
26
9
31
28
37
29
35
20
22
12
32
16
25
3
26
10
15
29
45
15
38
6
41
7
14
5
24
47
34
36
44
13
46
34
32
12
30
42
34
43
1
33
FIT
1:1
100%

Артикул

Название

Примечание

Количество

1

395071A1

TUBE

Front Gang, Lh 7-Shank

1шт.

395073A1

TUBE

Front Gang, Rh 7-Shank

1шт.

2

311864A1

REFLECTOR

Amber

1шт.

3

395023A1

ANGLE

Scraper, Lh

1шт.

395022A1

ANGLE

Scraper, Rh

1шт.

4

404767A1

BRACKET

Scraper Assembly - Disk, Lh

8шт.

5

404768A1

BRACKET

Scraper Assembly - Disk, Rh

8шт.

6

404070A1

PLOW BOLT

Arbor, 1-1/2 Sq.

1шт.

7

425-1224

SLOTTED NUT,1 1/2"-6, G5

1шт.

8

488836R2

NUT

Nut

1шт.

9

549973R2

SQ HOLE WASHER

End

1шт.

10

60615C1

WASHER

Head

1шт.

11

403931A1

SPOOL

Spacing, 12

5шт.

12

409807A1

SPOOL

Bearing, long, 12

3шт.

13

409806A1

SPOOL

Bearing, Short, 12

3шт.

NSS

NOT SOLD SEPARAT

Cushion - Bearing & Standard, Trunnion (409577A1)

3шт.

14

195109A1

TRUNNION

Pivot

6шт.

15

197334A1

BUSHING,32.13mm ID x 63.83mm OD x 25.91mm L

Special Bonded

6шт.

NSS

NOT SOLD SEPARAT

Bearing Assembly - Trunnion (409555A1)

3шт.

16

409556A1

BEARING, BALL,55.56mm ID x 110mm OD x 55.56mm W

Trunnion

3шт.

17

101-21433

SNAP RING,#433, 4.641", Int

3шт.

18

193929A1

WASHER,79 mm ID x 109 mm OD x 3.35 mm

Bearing Retainer

3шт.

19

NSS

NOT SOLD SEPARAT

Housing - Bearing, Trunnion (193907A1)

3шт.

20

219-87

LUBE NIPPLE,1/4" - 28 NPTF

3шт.

21

193831A1

SPRING

Bearing Standard

3шт.

22

413-1244

BOLT,Hex, 3/4" - 10 x 2-3/4", Gr 5

6шт.

23

492-11075

LOCK WASHER,3/4"

3/4"

6шт.

24

495-21081

WASHER,3/4"

6шт.

25

403922A1

SLEEVE,49.276mm ID x 55.17mm OD x 197mm L

Arbor Bolt Support

3шт.

26

87443006

PLOW DISC

DISK, 24"X6.5MM CC 920ROC

8шт.

27

87443002

PLOW DISC

DISK, 22"X6.5MM CC 920ROC

1шт.

28

410081A1

BAR

Gang Holder, Top

3шт.

29

409775A1

WEAR PLATE

Mount - Scraper Angle

3шт.

30

410082A1

STRAP

Gang Holder

3шт.

31

413-12120

BOLT,Hex, 3/4" - 10 x 7-1/2", Gr 5

6шт.

32

280375

NUT,3/4"-10, GC

3/4, NC Stover

6шт.

33

413-14112

BOLT,Hex, 7/8" - 9 x 7", Gr 5

3шт.

34

87681198

NUT,Hex, 7/8"-9, 0.45 high

7/8, NC Stover

3шт.

35

433-1032

CARRIAGE BOLT,Sq Nk, 5/8" - 11 x 2", Gr 5

3шт.

36

1256884C1

NUT

5/8, NC Flange Lock

3шт.

37

231425A1

BOLT

1/2, NC Special

8шт.

38

86512371

SERRATED NUT,Flg, USR, 1/2"-13

8шт.

NSS

NOT SOLD SEPARAT

Cushion - Bearing & Standard, Rh, Flange (406684A1)

3шт.

NSS

NOT SOLD SEPARAT

Cushion - Bearing & Standard, Lh, Flange (409177A1)

3шт.

39

405202A1

PLATE

Bearing Support

3шт.

40

ST740B

BALL BEARING,55.58mm ID

Flange

3шт.

40

ST740BGV

BEARING

Value, Ball Bearing

3шт.

41

193831A1

SPRING

Bearing Standard

3шт.

42

413-824

BOLT,Hex, 1/2" - 13 x 1-1/2", Gr 5

12шт.

43

86992215

LOCK NUT,1/2"-13, GC

Stover

12шт.

44

413-1248

BOLT,Hex, 3/4" - 10 x 3", Gr 5

6шт.

45

280375

NUT,3/4"-10, GC

3/4, NC Stover

6шт.

46

495-21081

WASHER,3/4"

6шт.

47

87412142

WASHER,40mm ID x 75mm OD x 6.5mm Thk

Arbor, 1-1/2 Dia.

1шт.

48

438-12036

LOCK PIN,5/16" x 2 1/4", Slotted

1шт.

Выбрано товаров: 55