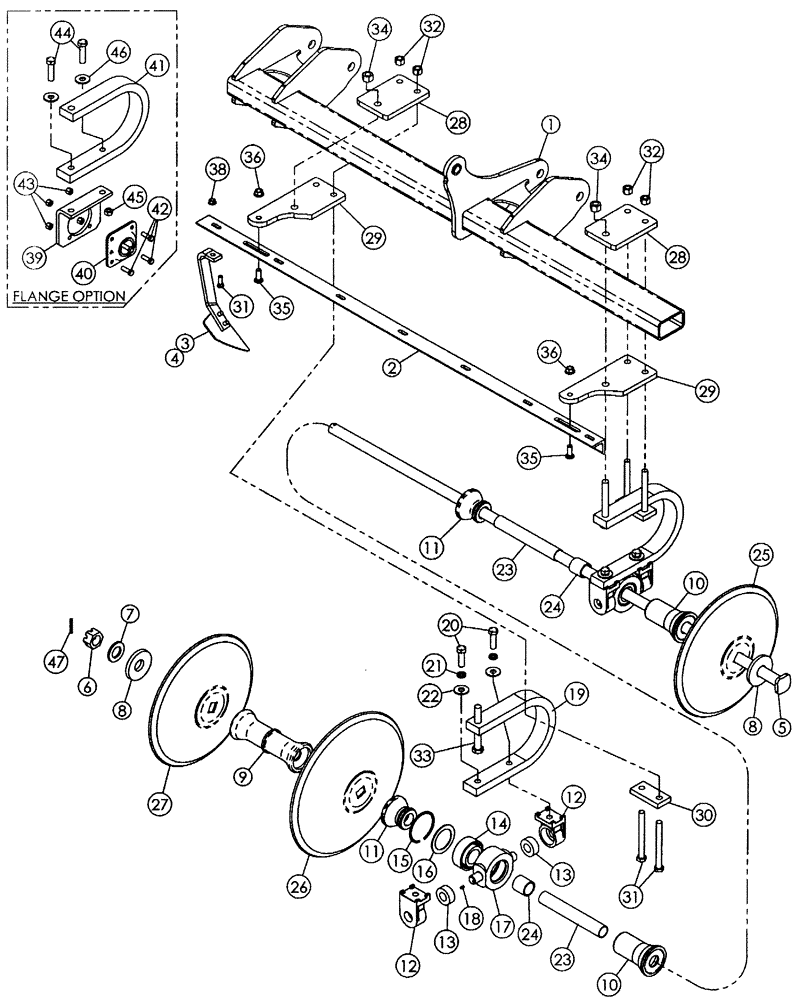
Запчасти Case IH 690 (75.200.07) - REAR DISK GANG - 5 SHANK ASSEMBLY (QUANTITIES FOR ONE GANG ASSEMBLY) 2006 MODELS & PRIOR

Схема запчастей Case IH 690 - (75.200.07) - REAR DISK GANG - 5 SHANK ASSEMBLY (QUANTITIES FOR ONE GANG ASSEMBLY) 2006 MODELS & PRIOR
29
41
34
32
5
23
21
15
24
43
12
11
2
46
28
27
26
10
45
1
28
35
39
34
36
13
33
10
8
9
4
13
36
32
30
25
14
44
11
31
42
24
22
19
16
12
40
20
6
29
35
7
47
18
23
31
17
3
38
8
FIT
1:1
100%

Артикул

Название

Примечание

Количество

1

395099A1

TUBE

Rear Gang Tube, Lh 5-Shank

1шт.

395100A1

TUBE

Rear Gang Tube, Rh 5-Shank

1шт.

2

395006A1

ANGLE

Scraper, Lh

1шт.

395005A1

ANGLE

Scraper, Rh

1шт.

3

195939A1

BRACKET

Assembly - Disk, Lh

7шт.

4

195938A1

SCRAPER

Assembly - Disk, Rh

7шт.

5

118890A1

SQUARE BOLT

Arbor, 1-1/2 Round.

1шт.

6

425-1224

SLOTTED NUT,1 1/2"-6, G5

1шт.

7

87412142

WASHER,40mm ID x 75mm OD x 6.5mm Thk

Arbor, 1-1/2 Dia.

1шт.

8

139773C1

WASHER

End

2шт.

9

118888A1

HUB

Spacing, 12

5шт.

10

409778A1

SPOOL

Bearing, Long, 12

2шт.

11

409776A1

SPOOL

Bearing, Short, 12

2шт.

NSS

NOT SOLD SEPARAT

Cushion - Bearing & Standard, Trunnion (409577A1)

2шт.

12

195109A1

TRUNNION

Pivot

4шт.

13

197334A1

BUSHING,32.13mm ID x 63.83mm OD x 25.91mm L

Special Bonded

4шт.

NSS

NOT SOLD SEPARAT

Bearing Assembly - Trunnion (409555A1)

2шт.

14

409556A1

BEARING, BALL,55.56mm ID x 110mm OD x 55.56mm W

Trunnion

2шт.

15

101-21433

SNAP RING,#433, 4.641", Int

2шт.

16

193929A1

WASHER,79 mm ID x 109 mm OD x 3.35 mm

Bearing Retainer

2шт.

17

193907A1

HOUSING, BEARING,109.971 mm ID x 133 mm OD x 64 mm

Housing - Bearing, Trunnion

2шт.

18

219-87

LUBE NIPPLE,1/4" - 28 NPTF

2шт.

19

193831A1

SPRING

Bearing Standard

2шт.

20

413-1244

BOLT,Hex, 3/4" - 10 x 2-3/4", Gr 5

4шт.

21

492-11075

LOCK WASHER,3/4"

4шт.

22

495-21081

WASHER,3/4"

4шт.

23

118886A1

BUSHING,38.91mm ID x 44.45mm OD x 295mm L

Arbor Bolt Support

2шт.

24

409805A1

BUSHING

Arbor Bolt Support

2шт.

25

87442997

PLOW DISC

Blade - 24 Dia. x 6.5 mm thk

4шт.

26

87442995

PLOW DISC

DISK, 22"X6.5MM CC PLAIN

2шт.

27

87442985

PLOW DISC

Blade - 20 Dia. x 6.5 mm thk (both ends of 5-shank)

2шт.

28

410081A1

BAR

Gang Holder,Ttop

2шт.

29

409775A1

WEAR PLATE

Mount - Scraper Angle

2шт.

30

410082A1

STRAP

Gang Holder

2шт.

31

413-12120

BOLT,Hex, 3/4" - 10 x 7-1/2", Gr 5

4шт.

32

280375

NUT,3/4"-10, GC

3/4,NC, Stover

4шт.

33

413-14112

BOLT,Hex, 7/8" - 9 x 7", Gr 5

2шт.

34

87681198

NUT,Hex, 7/8"-9, 0.45 high

7/8, NC Stover

2шт.

35

433-1032

CARRIAGE BOLT,Sq Nk, 5/8" - 11 x 2", Gr 5

2шт.

36

1256884C1

NUT

5/8, NC Flange Lock

2шт.

37

231425A1

BOLT

1/2, NC Special

7шт.

38

86512371

SERRATED NUT,Flg, USR, 1/2"-13

7шт.

NSS

NOT SOLD SEPARAT

Cushion - Bearing & Standard, Rh, Flange (406684A1)

2шт.

NSS

NOT SOLD SEPARAT

Cushion - Bearing & Standard, Lh, Flange (409177A1) .

2шт.

39

405202A1

PLATE

Bearing Support

2шт.

40

ST740B

BALL BEARING,55.58mm ID

Flange

2шт.

40

ST740BGV

BEARING

Value, Ball Bearing

2шт.

41

193831A1

SPRING

Bearing Standard

2шт.

42

413-824

BOLT,Hex, 1/2" - 13 x 1-1/2", Gr 5

8шт.

43

86992215

LOCK NUT,1/2"-13, GC

Stover

8шт.

44

413-1248

BOLT,Hex, 3/4" - 10 x 3", Gr 5

4шт.

45

280375

NUT,3/4"-10, GC

3/4, NC Stover

4шт.

46

495-21081

WASHER,3/4"

4шт.

47

438-12036

LOCK PIN,5/16" x 2 1/4", Slotted

1шт.

Выбрано товаров: 54