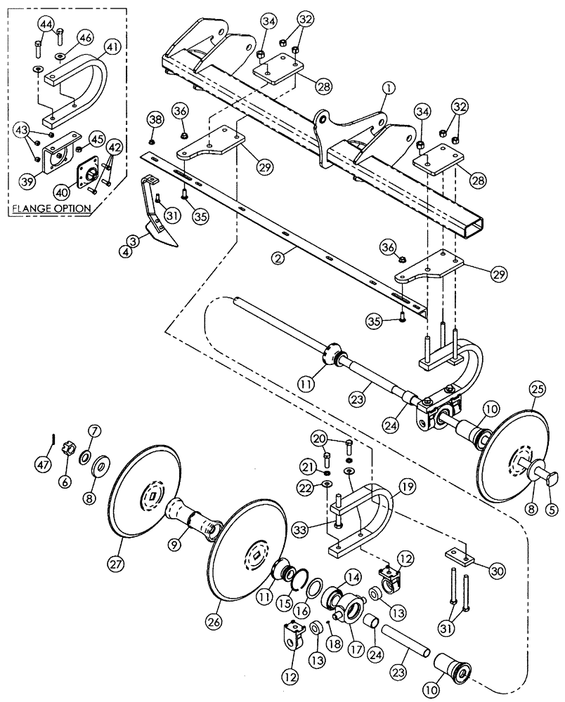
Запчасти Case IH 690 (75.200.09) - R DISK GANG (7 SHANK NON-FOLD ASSY) (QUANTITIES FOR ONE GANG ASSEMBLY) 2006 MODELS & PRIOR

Схема запчастей Case IH 690 - (75.200.09) - R DISK GANG (7 SHANK NON-FOLD ASSY) (QUANTITIES FOR ONE GANG ASSEMBLY) 2006 MODELS & PRIOR
28
33
41
2
38
16
28
20
19
8
18
10
35
39
29
3
23
25
40
17
42
12
46
32
36
31
9
32
43
29
35
11
1
44
47
4
24
14
13
45
5
36
12
24
15
34
13
6
7
8
34
11
27
21
26
22
30
31
10
23
FIT
1:1
100%

Артикул

Название

Примечание

Количество

1

395074A1

TUBE

Rear Gang, Lh 7-Shank

1шт.

395075A1

TUBE

Rear Gang,Rh 7-Shank

1шт.

2

430187A1

ANGLE

Scraper, Lh

1шт.

430188A1

ANGLE

Scraper, Rh

1шт.

3

195939A1

BRACKET

Aseembly - Disk, Lh

7шт.

4

195938A1

SCRAPER

Assembly - Disk, Rh

7шт.

5

430186A1

PLOW BOLT

Arbor, 1-1/2 Round

1шт.

6

425-1224

SLOTTED NUT,1 1/2"-6, G5

Hex

1шт.

7

87412142

WASHER,40mm ID x 75mm OD x 6.5mm Thk

Arbor, 1-1/2 Dia.

1шт.

8

139773C1

WASHER

Washer - End

2шт.

9

118888A1

HUB

Spool - Spacing, 12

5шт.

10

409778A1

SPOOL

SPOOL - Bearing, Long 12

2шт.

11

409776A1

SPOOL

SPOOL - Bearing, Short, 12

2шт.

NSS

NOT SOLD SEPARAT

Cushion - Bearing & Standard, Trunnion (409577A1)

2шт.

12

195109A1

TRUNNION

Pivot

4шт.

13

197334A1

BUSHING,32.13mm ID x 63.83mm OD x 25.91mm L

Special Bonded

4шт.

NSS

NOT SOLD SEPARAT

Bearing Assembly - Trunnion (409555A1)

2шт.

14

409556A1

BEARING, BALL,55.56mm ID x 110mm OD x 55.56mm W

Trunnion

2шт.

15

101-21433

SNAP RING,#433, 4.641", Int

2шт.

16

193929A1

WASHER,79 mm ID x 109 mm OD x 3.35 mm

Bearing Retainer

2шт.

17

NSS

NOT SOLD SEPARAT

Housing - Bearing, Trunnion (193907A1)

2шт.

18

219-87

LUBE NIPPLE,1/4" - 28 NPTF

2шт.

19

193831A1

SPRING

Bearing Standard

2шт.

20

413-1244

BOLT,Hex, 3/4" - 10 x 2-3/4", Gr 5

4шт.

21

492-11075

LOCK WASHER,3/4"

4шт.

22

495-21081

WASHER,3/4"

4шт.

23

118886A1

BUSHING,38.91mm ID x 44.45mm OD x 295mm L

Arbor Bolt Support

2шт.

24

409805A1

BUSHING

Arbor Bolt Support

2шт.

24

118886A1

BUSHING,38.91mm ID x 44.45mm OD x 295mm L

Arbor Bolt Support

2шт.

25

87442997

PLOW DISC

Blade - 24 Dia. x 6.5 mm thk

4шт.

26

87442995

PLOW DISC

DISK, 22"X6.5MM CC PLAIN

2шт.

27

87442985

PLOW DISC

Blade - 20 Dia. x 6.5 mm thk (both ends of 5-shank)

2шт.

28

410081A1

BAR

Gang Holder, Top

2шт.

29

409775A1

WEAR PLATE

Mount - Scraper Angle

2шт.

30

410082A1

STRAP

Gang Holder

2шт.

31

413-12120

BOLT,Hex, 3/4" - 10 x 7-1/2", Gr 5

4шт.

32

280375

NUT,3/4"-10, GC

3/4, NC Stover

4шт.

33

413-14112

BOLT,Hex, 7/8" - 9 x 7", Gr 5

2шт.

34

87681198

NUT,Hex, 7/8"-9, 0.45 high

7/8, NC Stover

2шт.

35

433-1032

CARRIAGE BOLT,Sq Nk, 5/8" - 11 x 2", Gr 5

BOLT - 5/8, NC X 1-3/4 GD 5, ZP

2шт.

36

1256884C1

NUT

NUT - 5/8, NC Flange Lock

2шт.

37

231425A1

BOLT

1/2, NC special

7шт.

38

86512371

SERRATED NUT,Flg, USR, 1/2"-13

7шт.

NSS

NOT SOLD SEPARAT

Cushion - Bearing & Standard, Rh, Flange (406684A1)

2шт.

NSS

NOT SOLD SEPARAT

Cushion - Bearing & Standard, Lh, Flange (409177A1)

2шт.

39

405202A1

PLATE

Bearing Support

2шт.

40

ST740B

BALL BEARING,55.58mm ID

Flange

2шт.

40

ST740BGV

BEARING

Value, Ball Bearing

2шт.

41

193831A1

SPRING

Bearing Standard

2шт.

42

413-824

BOLT,Hex, 1/2" - 13 x 1-1/2", Gr 5

8шт.

43

86992215

LOCK NUT,1/2"-13, GC

Stover

8шт.

44

413-1248

BOLT,Hex, 3/4" - 10 x 3", Gr 5

3/4 NC x 3 GD 5, ZP

4шт.

45

280375

NUT,3/4"-10, GC

3/4, NC, Stover

4шт.

46

495-21081

WASHER,3/4"

4шт.

47

438-12036

LOCK PIN,5/16" x 2 1/4", Slotted

1шт.

Выбрано товаров: 55