Запчасти Case IH 309A (M-16) - REAR FURROW WHEELS, TRIP BEAM, 1958 TO 1960

Схема запчастей Case IH 309A - (M-16) - REAR FURROW WHEELS, TRIP BEAM, 1958 TO 1960
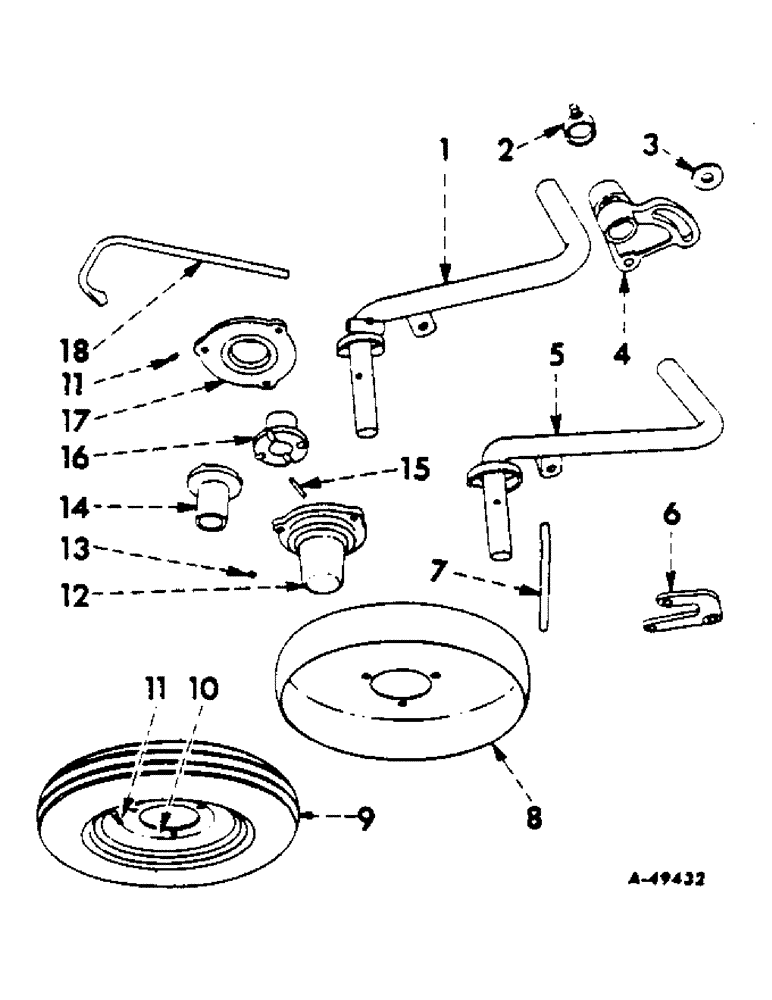
6
7
18
5
13
3
11
4
12
8
1
9
11
11
15
10
2
16
14
FIT
1:1
100%

Артикул

Название

Примечание

Количество

1

522993R11

AXLE, steel wheel rear

1шт.

102894

SET SCREW

3/8 x 3/4 CUP-PT SQ-HD SET SCREW

1шт.

2

5641X

COLLAR W/SET SCREW

1шт.

85-15012

SET SCREW,Sq Hd, 1/2"-13 x 3/4"

1/2 x 3/4 CUP-PT SQ-HD SET SCREW

1шт.

3

523011R1

WASHER

axle bracket serrated

1шт.

5/8 NUT

1шт.

5/8 x 4-1/4 CAP SCREW

1шт.

5/8 LOCK WASHER

1шт.

4

522992R2

BRACKET, axle

1шт.

5/8 NUT

1шт.

5/8 x 4 CAP SCREW

1шт.

5/8 LOCK WASHER

1шт.

5

523033R91

AXLE, pneumatic wheel rear

1шт.

6

523017R2

ARM, lower link

1шт.

7

522994R21

LINK, lower

1шт.

1/4 x 1-1/4 SELF-OPENING COT PIN

4шт.

8

522995R1

WHEEL, steel tire

1шт.

9

TIRE, 4 ply ribbed implement pneumatic, 4.00 x 12

1шт.

10

518784R91

WHEEL, pneumatic tire

1шт.

11

TUBE, pneumatic, 4.00 x 12

1шт.

12

521166R2

BOX, outside

1шт.

1/2 x 2 MACH BOLT

3шт.

1/2 LOCK WASHER

3шт.

13

80722

LUBE NIPPLE,3/16" x .55" lg, Drive

FITTING, 3/16 str drive lub

1шт.

14

521156R1

BEARING, outside

1шт.

15

521383R1

PIN, wheel box lock

1шт.

16

521155R1

BEARING

inside

1шт.

17

521165R1

BOX, inside

1шт.

18

523009R1

SCRAPER, steel wheel right

1шт.

Выбрано товаров: 29