Запчасти Case IH 55 (07-19) - GAUGE WHEEL AXLE MOUNTING (CRANK ADJUSTABLE TYPE)

Схема запчастей Case IH 55 - (07-19) - GAUGE WHEEL AXLE MOUNTING (CRANK ADJUSTABLE TYPE)
FIT
1:1
100%

Артикул

Название

Примечание

Количество

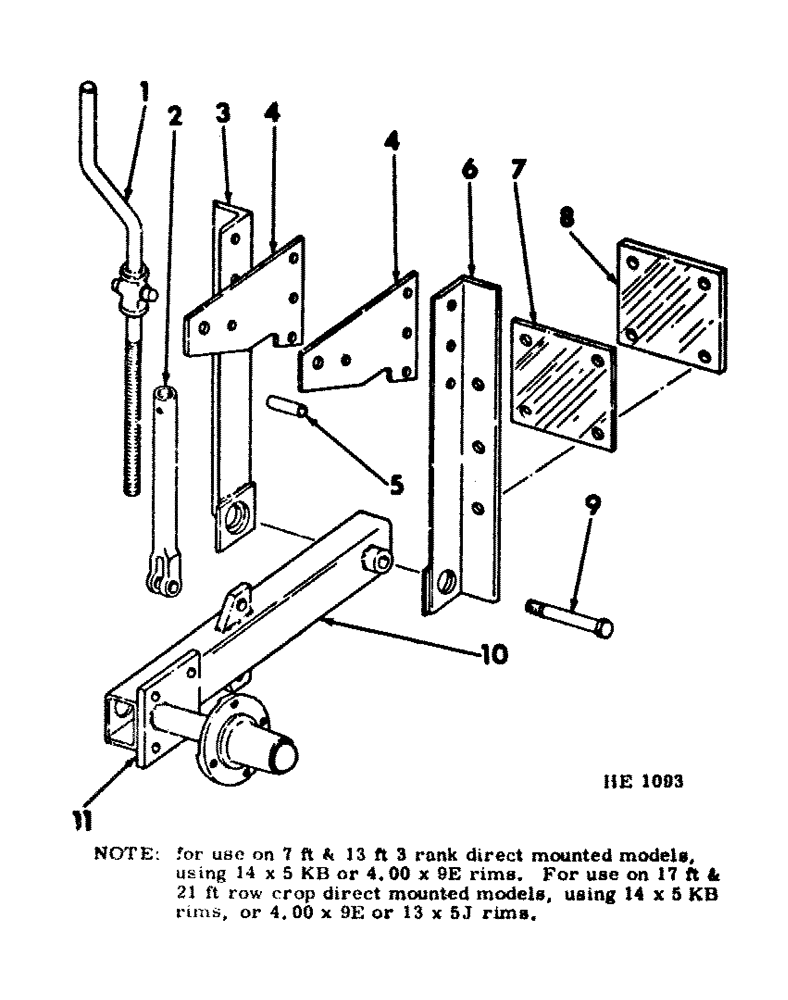
1

599815R1

CRANK

gauge wheel adjusting

2шт.

178375R1

WASHER

25/32 X 1-1/4 X 16 GA WASHER

4шт.

112011

PIN,1/8" x 7/8"

1/8 X 7/8" STRAIGHT SQ-END PIN

2шт.

2

458520R1

THREADED TIE-ROD

YOKE, adjusting crank

2шт.

126098

FITTING

5/16" DRIVE-TYPE LUB-FITTING

2шт.

Q1335

AXLE PIN

3/4 X 2" STD-HD-DLD PIN

2шт.

467750R1

WASHER

25/32 X 1-1/2 X 11 GA WASHER

2шт.

432-1620

COTTER PIN,1/4" x 1 1/4"

Pin, Split (Cotter), 1/4" x 1 1/4"

2шт.

3

599808R1

ANGLE

gauge wheel mounting RH

2шт.

20300R1

SCREW,Hex, 3/4"-10 x 6", G5

3/4 X 6" BOLT

4шт.

280954

NUT,3/4"-10, G5

4шт.

4

599814R2

BAR

adjusting crank guide

4шт.

180175

BOLT,Hex, 1/2" - 13 x 1 1/4", Gr 5

1/2 X 1-1/4" BOLT

12шт.

180191

BOLT,Hex, 1/2" - 13 x 3 1/4", Gr 5

1/2 X 3-1/4" BOLT

2шт.

120378

NUT,Hex, 1/2" - 13, Gr 5

NUT, 1/2"-13, G5

14шт.

5

517920R1

SPACER,1/2" Pipe x 2"

guide bar

2шт.

180194

BOLT,Hex, 1/2" - 13 x 4", Gr 5

1/2 X 4" BOLT

2шт.

120378

NUT,Hex, 1/2" - 13, Gr 5

NUT, 1/2"-13, G5

4шт.

6

599807R1

ANGLE

gauge wheel mounting LH

2шт.

20300R1

SCREW,Hex, 3/4"-10 x 6", G5

3/4 X 6" BOLT

4шт.

280954

NUT,3/4"-10, G5

4шт.

7

599813R1

BAR

angle clamp

2шт.

20300R1

SCREW,Hex, 3/4"-10 x 6", G5

3/4 X 6" BOLT

8шт.

280954

NUT,3/4"-10, G5

8шт.

8

599812R1

BAR

angle clamp rear

2шт.

20300R1

SCREW,Hex, 3/4"-10 x 6", G5

3/4 X 6" BOLT

8шт.

280954

NUT,3/4"-10, G5

8шт.

9

17776R1

BOLT,Hex, 3/4" - 10 x 4 1/2", Gr 2

gauge wheel axle pivot (3/4 x 4-1/2" dld machine bolt)

2шт.

427637

SLOTTED NUT,3/4"-10, G5

3/4" SLT NUT

2шт.

23245R1

WASHER

25/32 X 1-3/4 X 7 GA WASHER

4шт.

103387

COTTER PIN,1/8" x 1 1/2"

Pin, Split (Cotter), 1/8" x 1 1/2"

2шт.

10

599819R1

AXLE

gauge wheel (Includes 1 - 599823R11, spindle)

2шт.

17776R1

BOLT,Hex, 3/4" - 10 x 4 1/2", Gr 2

3/4 X 4-1/2" DLD MACHINE BOLT

2шт.

427637

SLOTTED NUT,3/4"-10, G5

3/4" SLT NUT

2шт.

23245R1

WASHER

25/32 X 1-3/4 X 7 GA WASHER

4шт.

103387

COTTER PIN,1/8" x 1 1/2"

Pin, Split (Cotter), 1/8" x 1 1/2"

2шт.

11

599823R11

SPINDLE

gauge wheel axle (2 used w/single gauge wheel) (4 used w/dual gauge wheel) (Includes 1 - 427640, nut; 1 - 103396, pin & 1 - 467750R1, washer)

1шт.

427640

SLOTTED NUT,3/4"-16, G5

3/4"-NF SLT NUT

2шт.

467750R1

WASHER

25/32 X 1-1/2 X 11 GA WASHER

2шт.

103396

PIN, SPLIT (COTTER),5/32" x 1"

5/32" x 1"

2шт.

180192

BOLT (SPREADER),Hex, 1/2" - 13 x 3 1/2", Gr 5

1/2 X 3-1/2" BOLT (Spindle to axle when machine equipped w/dual gauge wheels)

8шт.

120378

NUT,Hex, 1/2" - 13, Gr 5

NUT, (Dual wheel) 1/2"-13, G5

8шт.

Выбрано товаров: 42