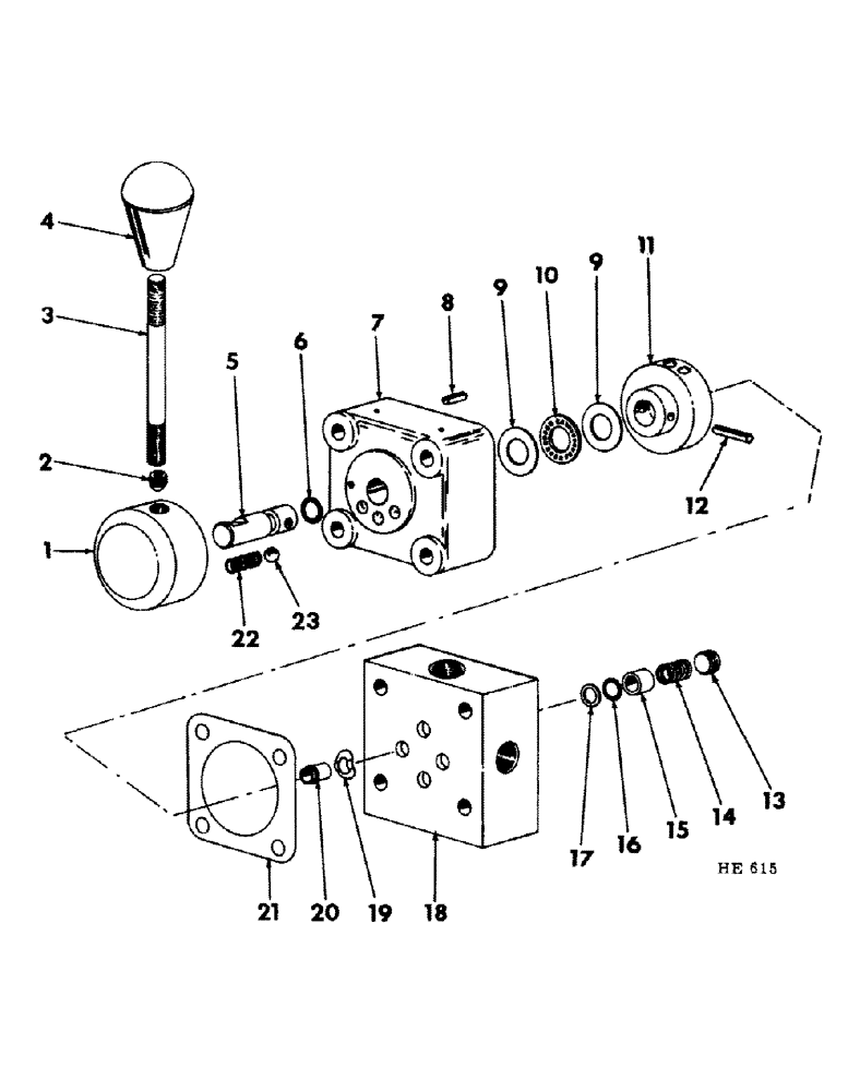
Запчасти Case IH 55 (12-23) - HYDRAULIC DIVERTER VALVE, (TRACTOR W/SINGLE VALVE CONTROL)

Схема запчастей Case IH 55 - (12-23) - HYDRAULIC DIVERTER VALVE, (TRACTOR W/SINGLE VALVE CONTROL)
FIT
1:1
100%

Артикул

Название

Примечание

Количество

598157R91

VALVE, hyd diverter (Composed of all parts listed below, unless otherwise noted)

1шт.

88574

BOLT,Hex, 5/16" - 18 x 1/2", Gr 5, Full Thd

2шт.

1

598781R1

CAP

handle

1шт.

2

102592

SET SCREW,Hex Skt, 3/8" - 16 x 3/8"

SCREW, 3/8 x 3/8" cup-pt set shaft locking

1шт.

3

598779R1

STUD, handle

1шт.

4

598780R1

KNOB, handle

1шт.

5

598782R1

SHAFT, hyd diverter valve

1шт.

6

355967R1

O-RING,0.364" ID x 0.003" Width

"O" RING, valve shaft

1шт.

7

598790R1

CAP, valve

1шт.

8

19961R1

PIN

3/16 x 5/8" dowel

2шт.

9

598783R1

RACE, thrust bearing

2шт.

10

159688R91

THRUST BEARING

BEARING, thrust

1шт.

11

598784R1

ROTOR ASSEMBLY, hyd diverter valve

1шт.

12

17348R1

LOCK PIN,3/16" x 1 3/8", Slotted

PIN, 3/16" x 1 3/8", Slotted

1шт.

13

444691

PLUG

valve pipe

4шт.

14

598793R1

SPRING, valve compression

4шт.

15

598787R1

RETAINER, valve seat

4шт.

16

359158R1

O-RING,0.301" ID x 0.07" Width

-011, 70 Duro, .031" ID x .070" Thk, Valve

4шт.

17

598786R1

RING, back-up

4шт.

18

598792R1

BODY, valve

1шт.

187147

BOLT,Hex, 5/16" - 18 x 3 1/2", Gr 5

5/16 X 3-1/2" TYPE 2 C-Z BOLT

4шт.

120376

NUT,5/16"-18, G5

4шт.

19

598789R1

WASHER, spring (2 per part)

1шт.

20

598785R1

SEAT, valve

4шт.

21

598791R1

GASKET, valve

1шт.

22

598788R91

SPRING, release

1шт.

23

17009R1

BALL

9/32" chrome steel

1шт.

Выбрано товаров: 27