Запчасти Case IH 80 (09-06[A]) - JACKSHAFT

Схема запчастей Case IH 80 - (09-06[A]) - JACKSHAFT
FIT
1:1
100%

Артикул

Название

Примечание

Количество

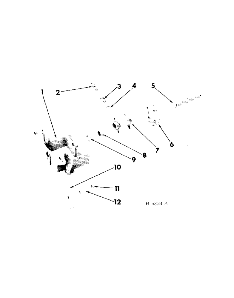
1

605602R1

SUPPORT

jackshaft

1шт.

7/16 X 1-1/8" MACH BOLT W/NUT

4шт.

7/16" LK-WASH.

4шт.

CHAIN, drive (1-1/4" extended pitch agricultural) (For service order 1 - 569089R91, 10 ft length of chain &; on machines w/steel wheels reduce to 89 links, then add 2 - 456929R91, offset links & 1 - 456980R91, connecting link. For machines w/pneumatic wheels, reduce the 10 ft. chain to 91 links, then add 3 - 456929R91, offset links & 1 - 456980R91, connecting link)

1шт.

3

456929R91

CHAIN LINK

LINK, drive chain offset

1шт.

1360D

OFFSET LINK PIN

1шт.

1751D

PACKAGE

1/4 LB PKG C-PIN

1шт.

4

456980R91

CHAIN LINK

LINK, drive chain connecting

1шт.

1751D

PACKAGE

1/4 LB PKG C-PIN

1шт.

5

605609R1

PIN

JACKSHAFT

1шт.

1-5/32 X 1-3/4 X 16 GA WASH.

2шт.

1/4 X 1-1/2" COILED-SPG PIN

2шт.

6

605197R1

SPROCKET ASSY.

SPROCKET, 13T boot drive

2шт.

7/16 X 1-1/4" MACH BOLT W/NUT

8шт.

7/16" LK-WASH.

8шт.

7

606242R1

HUB

sprocket

1шт.

8

454256R91

BEARING CUP,Needle, 28.56mm ID x 38.11mm OD x 19.05mm W

jackshaft

2шт.

9

605612R1

OIL SEAL, jackshaft

2шт.

10

605613R91

SPROCKET ASSY.

SPROCKET, jackshaft idler

2шт.

1/2 X 2-7/8" MACH BOLT W/NUT

2шт.

17/32 X 1-1/4 X 16 GA WASH.

2шт.

1/2" LK-WASH.

2шт.

11

605610R1

SPACER

idler sprocket

4шт.

12

605611R1

BUSHING

SPACER, idler sprocket

2шт.

Выбрано товаров: 24