Запчасти Case IH 4400 (09-04) - 6 FOOT WING - 22 FOOT 11 INCH MACHINE LAYOUT

Схема запчастей Case IH 4400 - (09-04) - 6 FOOT WING - 22 FOOT 11 INCH MACHINE LAYOUT
7
24
34
20
15
30
22
11
9
23
6
17
18
33
4
32
36
14
1
6
2
13
31
3
16
3
40
37
5
36
41
7
4
38
19
36
26
39
35
10
48
6
25
27
28
45
47
42
8
13
43
29
44
21
12
46
FIT
1:1
100%

Артикул

Название

Примечание

Количество

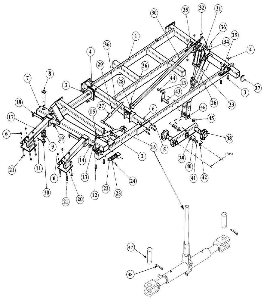
1

340318A1

FRAME ASSY

6 foot wing LH

1шт.

340319A1

FRAME ASSY

6 foot wing RH

1шт.

2

340320A1

FRAME ASSY

6 foot front LH

1шт.

340321A1

FRAME ASSY

6 foot front RH

1шт.

3

413-1232

BOLT,Hex, 3/4" - 10 x 2", Gr 5

8шт.

4

231-41412

NUT,3/4"-10, GB

prevailing torque, 3/4, grade 8 ZND

8шт.

5

413-1056

BOLT,Hex, 5/8" - 11 x 3-1/2", Gr 5

4шт.

6

231-41410

NUT,5/8"-11, GB

prevailing torque, grade 8 ZND

12шт.

7

340335A1

TUBE,1483 mm Length

assembly 6 foot gang pivot, LH

1шт.

340336A1

TUBE,1483 mm Length

assembly 6 foot gang pivot, RH

1шт.

8

340137A1

PIVOT PIN

assembly gang pivot

1шт.

9

495-11162

WASHER,1 1/2" x 3" x .165"

1-5/8 x 3 x 8 gauge inch ZND

5шт.

10

425-1224

SLOTTED NUT,1 1/2"-6, G5

hex slotted, 1-1/2NC, grade 5 ZND

1шт.

11

432-1648

COTTER PIN,1/4" x 3"

1/4" x 3"

1шт.

12

416-1240

CARRIAGE BOLT,Sq Nk, 3/4" - 10 x 2 1/2", Gr 8

round head short, 3/4 x 2-1/2, grade 8 ZND

2шт.

13

495-11081

WASHER,3/4", SAE

3шт.

14

492-11075

LOCK WASHER,3/4"

3/4"

2шт.

15

425-1012

NUT,3/4"-10, G5

2шт.

16

1256436C1

JACK

turnbuckle ratcheting (NSS)

1шт.

17

1969012C1

ARM ASSY.

gang

2шт.

18

60141C1

PIN

hitch

2шт.

19

28748R1

LOCK NUT,1 1/4"-7, G5

prevailing torque, nylon insert, heavy thin, 1-1/4NC ZND

2шт.

20

340334A1

PLATE

support

2шт.

21

413-1080

BOLT,Hex, 5/8" - 11 x 5", Gr 5

8шт.

22

340033A1

BRACKET

decal backing plate

1шт.

23

376090A1

DECAL

6 foot wing gang angle

1шт.

24

231-5145

SERRATED NUT,Flg, USR, 5/16"-18

2шт.

25

97786C2

STRAP

cap rockshaft

2шт.

26

340349A1

SUPPORT TUBE

ROCKSHAFT assembly LH 6 foot wing

1шт.

340350A1

SUPPORT TUBE

ROCKSHAFT assembly RH 6 foot wing

1шт.

27

340092A1

STUD

assembly truss rod

1шт.

28

495-81203

WASHER,1 9/32" x 2" x .120"

19/32 x 2 x 11 gauge ZND

1шт.

29

438-32432

PIN,9.53mm OD x 50.8mm L

3/8" x 2", Coiled

1шт.

30

141097A1

ROD ASSY.

truss, depth control

1шт.

31

439-51644

HEADED PIN,1" x 2 3/4", G5

headed, 1 x 2-3/4, grade 5 ZND

1шт.

32

432-1624

COTTER PIN,1/4" x 1 1/2"

3шт.

33

386398A1

CYLINDER

tie rod

1шт.

34

810751C1

PIN

1 x 3-1/2 ZND

2шт.

35

219-86

LUBE NIPPLE,1/8" NPTF

Straight, self tapping

2шт.

36

219-87

LUBE NIPPLE,1/4" - 28 NPTF

4шт.

37

357917A1

INSERT

CAP tube end

5шт.

38

AXLE assembly 6-bolt bogie (See Wheel and Hub Pages)

1шт.

39

107921A2

TUBE

spacer

1шт.

40

453012R1

BEARING CUP

2шт.

41

8050528

ROLLER BEARING

2шт.

42

103066A1

WASHER,38.9mm ID x 53.98mm OD x 4mm Thk

spacer

2шт.

43

103069A2

PIN

weldment

1шт.

44

413-1216

BOLT,Hex, 3/4" - 10 x 1", Gr 5

bolt hex head, 3/4 x 1, grade 5 ZND

1шт.

45

131-1419

NUT,1 1/2"-6, Thin

prevailing torque, 1-1/2 ZND

1шт.

46

1268054C1

BUSHING,38.18mm ID x 45.47mm OD x 19.05mm L

tension

2шт.

47

439-51644

HEADED PIN,1" x 2 3/4", G5

2шт.

48

432-1624

COTTER PIN,1/4" x 1 1/2"

2шт.

Выбрано товаров: 52