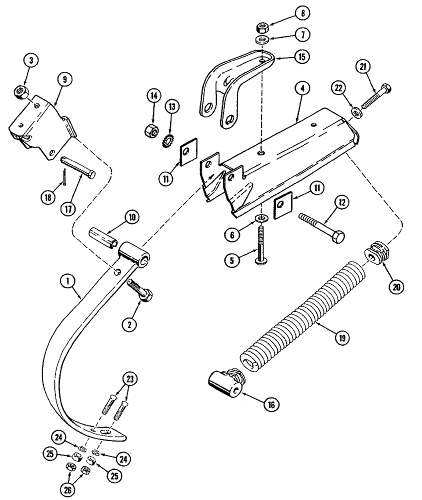
Запчасти Case IH 4400 (09-24) - SHANK ASSEMBLY - VIBRA CHISEL

Схема запчастей Case IH 4400 - (09-24) - SHANK ASSEMBLY - VIBRA CHISEL
17
12
24
6
9
23
25
22
10
18
8
25
4
26
14
16
11
7
11
24
1
3
19
13
5
15
21
2
20
FIT
1:1
100%

Артикул

Название

Примечание

Количество

178958A1

SHANK

assembly vibra chisel

1шт.

1

813160C2

SHANK

ground working tool

1шт.

2

413-1028

BOLT,Hex, 5/8" - 11 x 1-3/4", Gr 5

hex, 5/8NC x 1-3/4 inch

1шт.

3

231-42110

LOCK NUT,Hex, 5/8"-11, GB

1шт.

4

137581A1

BRACKET

shank support

1шт.

5

811340C3

BOLT,1/2" - 13 x 5 1/2"

shank mounting

1шт.

6

495-81028

WASHER,21/32" x 1 1/2" x .240"

flat, 21/32 x 1-3/4 x 1/4 inch

1шт.

7

495-81025

WASHER,13.49mm ID x 31.75mm OD x 4.93mm Thk

flat, 17/32 x 1-1/4 x 5/32 inch

1шт.

8

231-4118

LOCK NUT,1/2"-13, GB

hex, self-locking, 1/2 inch NC

1шт.

9

811334C1

CLAMP

shank

1шт.

10

812760C1

BUSHING,19.3mm ID x 26.92mm OD x 76.2mm L

shank

1шт.

11

1284063C1

LARGE PLATE

PLATE, LARGE shank

2шт.

12

413-1272

BOLT,Hex, 3/4" - 10 x 4-1/2", Gr 5

hex, 3/4NC x 4-1/2 inch

1шт.

13

493-41078

LOCK WASHER,Ext Tooth, 3/4"

external tooth lock, 3/4 inch

2шт.

14

425-1012

NUT,3/4"-10, G5

1шт.

15

137474A1

CLAMP

shank

1шт.

16

811337C1

PLUG

spring

1шт.

17

811390C2

PIN,16.31mm OD x 103.99mm L

special

1шт.

18

432-1216

COTTER PIN,3/16" x 1"

1шт.

19

811342C1

SPRING

1шт.

20

811338C1

PLUG

spring

1шт.

21

812199C1

BOLT,Hex, 5/8" - 11 x 4"

hex head, 5/8NC x 4 inch

1шт.

22

495-51066

WASHER,9/16" x 1 1/4" x .1"

flat, 21/32 x 1-1/4 x 3/32 inch

1шт.

23

419-3828

CARRIAGE BOLT,#3, 1/2" - 13 x 1 3/4", Gr 5

plow, 1/2NC x 1-3/4 inch, if used

2шт.

23

419-3832

PLOW BOLT,#3, 1/2" - 13 x 2", Gr 5

1/2NC x 2 inch, if used

2шт.

24

80679

LOCK WASHER,1/20.507 CST ZND

2шт.

25

425-108

NUT,1/2" - 13, Gr 5

2шт.

26

425-148

JAM NUT,Jam, 1/2"-13, G5

2шт.

Выбрано товаров: 28