Запчасти Case IH 400-SERIES (32) - CUSHION TRIP BEAM

Схема запчастей Case IH 400-SERIES - (32) - CUSHION TRIP BEAM
28
21
30
14
1
20
25
26
8
13
10
16
13
25
4
12
24
11
17
10
29
6
7
19
27
16
18
4
2
1
23
22
18
3
11
15
9
5
FIT
1:1
100%

Артикул

Название

Примечание

Количество

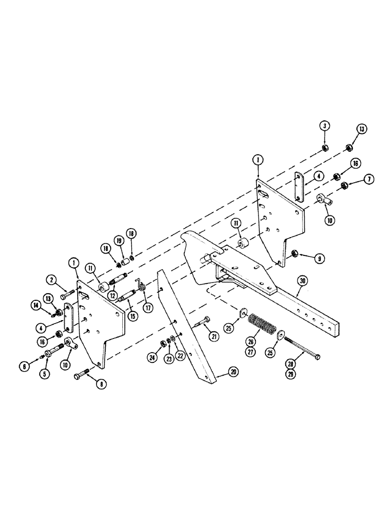
1

T54178

PLATE - gusset

2шт.

2

114-614

BOLT,Hex, 5/8" - 18 x 3", Gr 5

1шт.

3

131-689

LOCK NUT,5/8"-11, GB

NUT - lock 5/8" NF hex

1шт.

4

T54173

STRAP

- roller

2шт.

5

T54181

BOLT

- pivot 7/8 x 4-1/4" NF

1шт.

6

219-1

LUBE NIPPLE,1/8" - 27 NPTF

FITTING - grease 1/8"

1шт.

7

131-465

LOCK NUT,7/8"-14, G8

NUT - lock 7/8" NF hex

1шт.

8

114-710

BOLT,Hex, 3/4" - 16 x 3-1/4", Gr 8

- 3/4 x 3-1/4" NF hex (Grade 8)

2шт.

9

131-690

LOCK NUT,3/4"-16, GB

NUT - lock 3/4" NF hex

2шт.

10

T54177

END

- bolt

2шт.

11

T54179

ROLLER

- trip

2шт.

12

T54174

PIN

- shoulder upper

1шт.

13

131-73

NUT,3/4"-16

NUT - lock 3/4" NF hex

2шт.

14

219-1

LUBE NIPPLE,1/8" - 27 NPTF

FITTING - grease 1/8"

1шт.

15

T54175

PIN

- shoulder lower

1шт.

16

131-73

NUT,3/4"-16

NUT - lock 3/4" NF hex

2шт.

17

T54180

SPRING

- torsion

1шт.

18

T54183

WASHER - shim

2шт.

19

T54182

BUSHING

1шт.

20

T54184

BEAM

- foot

1шт.

21

114-614

BOLT,Hex, 5/8" - 18 x 3", Gr 5

2шт.

22

195-108

WASHER,5/8"

- 1-3/4 x 11/16" x 10 gauge

2шт.

23

192-25

LOCK WASHER,5/8"

WASHER, LOCK, 5/8"

2шт.

24

129-127

NUT,5/8"-18, G5

2шт.

25

T54186

WASHER

- spring

4шт.

26

T54185

SPRING

(Use 115-418 bolt) (See note)

2шт.

27

T54204

SPRING

- (Use 113-2258 bolt) (See note)

2шт.

28

115-418

BOLT,Hex, 1/2" - 13 x 9", Gr 5

- 1/2 x 9" NC hex (Grade 5)

2шт.

29

113-2258

BOLT,Hex, 1/2" - 13 x 9-3/4", Gr 5

- 1/2 x 9-3/4" NC hex (Grade 5)

2шт.

30

T54176

BEAM

1шт.

Выбрано товаров: 30