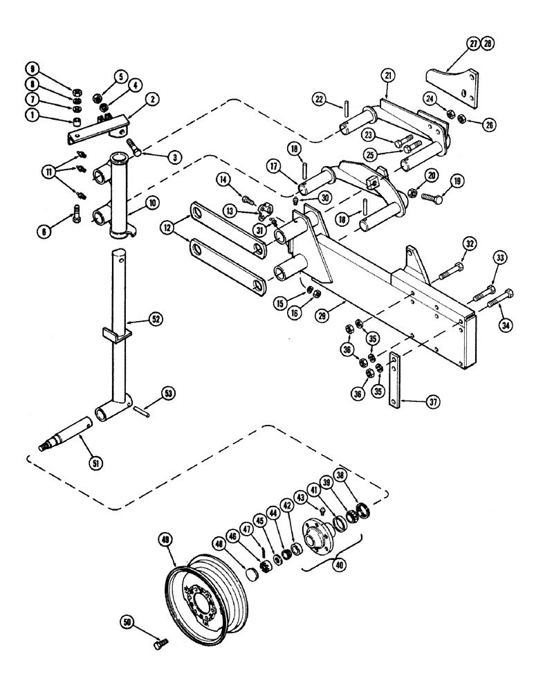
Запчасти Case IH 400-SERIES (54) - REAR AXLE AND WHEEL

Схема запчастей Case IH 400-SERIES - (54) - REAR AXLE AND WHEEL
15
26
30
40
9
20
43
1
28
39
6
36
17
33
49
48
36
21
27
14
35
19
47
11
4
44
50
8
37
38
22
18
31
24
13
12
23
41
51
16
7
3
10
35
29
25
32
52
45
46
5
42
18
53
34
2
FIT
1:1
100%

Артикул

Название

Примечание

Количество

1

T54126

BUSHING - steering rod

1шт.

2

T54123

ARM - steering rear

1шт.

3

113-717

BOLT,Hex, 3/4" - 10 x 3-1/2", Gr 5

1шт.

4

192-27

LOCK WASHER,3/4"

WASHER, LOCK, 3/4"

1шт.

5

129-108

NUT,3/4"-10, G5

1шт.

6

114-601

BOLT

BOLT - 5/8 x 2-1/2" NF hex (Grade 5)

1шт.

7

195-108

WASHER,5/8"

- 1-3/4 x 11/16" x 10 gauge

1шт.

8

192-25

LOCK WASHER,5/8"

WASHER, LOCK, 5/8"

1шт.

9

129-127

NUT,5/8"-18, G5

1шт.

10

T54121

SLEEVE - axle

1шт.

11

219-1

LUBE NIPPLE,1/8" - 27 NPTF

FITTING - grease 1/8"

3шт.

12

T54120

STRAP

2шт.

13

T54115

BLOCK - stop

1шт.

14

113-410

BOLT,Hex, 1/2" - 13 x 1-1/2", Gr 5, Full Thd

2шт.

15

192-23

LOCK WASHER,1/2"

WASHER, LOCK, 1/2"

2шт.

16

129-105

NUT,Hex, 1/2" - 13, Gr 5

2шт.

17

T54119

LINK - lower parallel

1шт.

18

138-212

LOCK PIN,1/2" x 3 1/2", Slotted

Pin, 1/2" x 3 1/2", Slotted

2шт.

19

113-793

BOLT,Hex, 3/4" - 10 x 2-1/2", Gr 5, Full Thd

- 3/4 x 2-1/2" NC hex full thread (Grade 5)

1шт.

20

129-108

NUT,3/4"-10, G5

1шт.

21

T54117

LINK - upper parallel

1шт.

22

138-212

LOCK PIN,1/2" x 3 1/2", Slotted

Pin, 1/2" x 3 1/2", Slotted

2шт.

23

114-717

BOLT,Hex, 3/4" - 16 x 3", Gr 5

Hex, 3/4"-16 x 3", G5

1шт.

24

131-1251

LOCK NUT,3/4"-16, GC

NUT, LOCK, 3/4"-16, GC

1шт.

25

114-604

BOLT,Hex, 5/8" - 18 x 2-3/4", Gr 5

1шт.

26

131-689

LOCK NUT,5/8"-11, GB

NUT - lock 5/8 NF hex

1шт.

27

T54118

ANCHOR

ARM - cylinder

1шт.

28

T55831

ANCHOR

ARM - cylinder (T54118 can also be used)

1шт.

29

T54114

SUPPORT - rear wheel

1шт.

30

219-1

LUBE NIPPLE,1/8" - 27 NPTF

FITTING - grease 1/8"

1шт.

31

219-36

LUBE NIPPLE,45 Degree Elbow, 1/8" - 27 NPTF

FITTING - grease 1/8" x 45 degree

1шт.

32

114-723

BOLT,Hex, 3/4" - 16 x 5", Gr 5

- 3/4 x 5" NF hex (Grade 5)

1шт.

33

114-720

BOLT,Hex, 3/4" - 16 x 4", Gr 5

- 3/4 x 4" NF hex (Grade 5)

1шт.

34

114-722

BOLT,Hex, 3/4" - 16 x 4-1/2", Gr 5

- 3/4 x 4-1/2" NF hex (Grade 5)

4шт.

35

192-27

LOCK WASHER,3/4"

WASHER, LOCK, 3/4"

6шт.

36

129-128

NUT,3/4"-16, G5

- 3/4" NF hex

6шт.

37

T54116

SPACER - adjusting

1шт.

38

T54255

OIL SEAL

SEAL - oil

1шт.

39

G15219

ROLLER BEARING

CONE - bearing inner 1-5/8" ID (41.3 MM)

1шт.

40

T54253

HUB

ASSEMBLY - with cups

1шт.

41

G15218

BEARING, CUP

CUP - bearing inner 2-7/8" OD (73.0 MM)

1шт.

42

B12408

BEARING CUP,59.156 mm OD x 11.862 mm

CUP - bearing inner 2-5/16" OD (58.7 MM)

1шт.

43

219-1

LUBE NIPPLE,1/8" - 27 NPTF

FITTING - grease 1/8"

1шт.

Выбрано товаров: 43