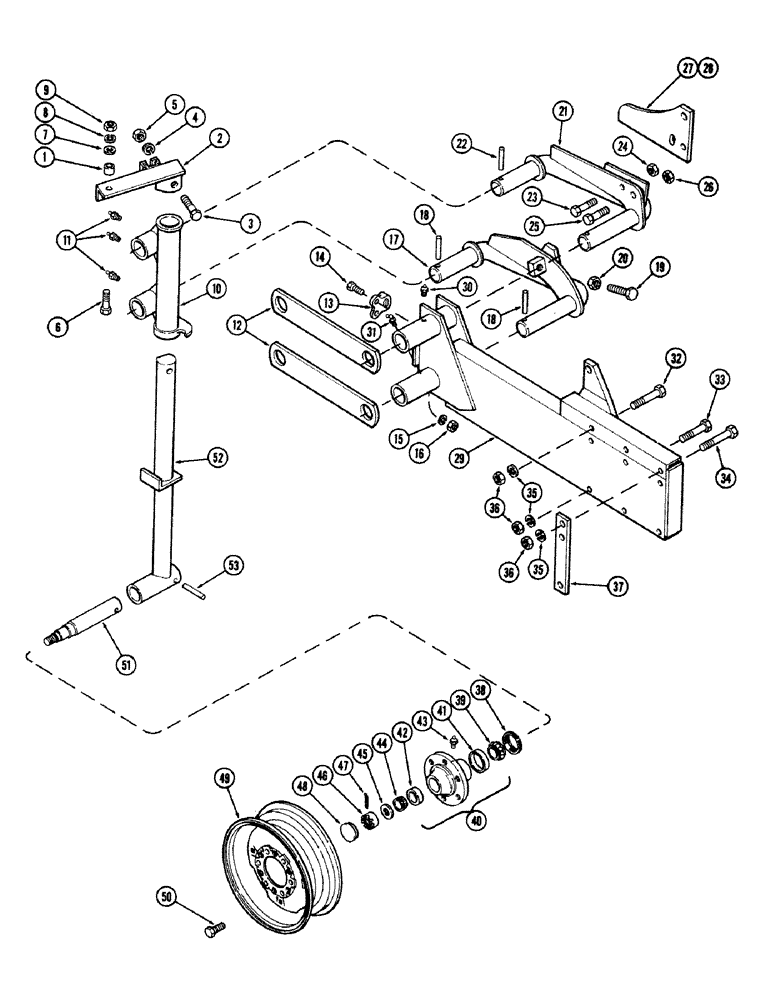
Запчасти Case IH 400-SERIES (56) - REAR AXLE AND WHEEL

Схема запчастей Case IH 400-SERIES - (56) - REAR AXLE AND WHEEL
38
28
1
35
20
18
29
32
9
37
34
33
13
41
21
40
36
24
23
8
2
18
3
49
50
36
16
12
5
7
19
4
45
22
39
11
53
52
27
14
44
43
48
46
10
31
35
51
25
6
15
47
17
30
26
42
FIT
1:1
100%

Артикул

Название

Примечание

Количество

44

B12409

BEARING, ROLLER,31.763 mm ID x 16.84 mm

CONE - bearing outer 1-1/4" ID (31.8 MM)

1шт.

45

T54256

WASHER

- bearing

1шт.

46

425-1314

SLOTTED NUT,7/8"-14, G5

NUT - 7/8" NF hex slotted

1шт.

47

132-311

COTTER PIN,5/32" x 1 1/4"

5/32" x 1 1/4"

1шт.

48

T23707

CAP

- hub

1шт.

49

A57879

RIM

WHEEL - 15 x 8"

1шт.

50

A29912

BOLT

BOLT - wheel

6шт.

51

T54252

SPINDLE

SHAFT - spindle

1шт.

52

T54122

AXLE - rear

1шт.

53

138-181

LOCK PIN,3/8" x 2 1/2", Slotted

ROLL PIN - 3/8 x 2-3/4"

1шт.

Выбрано товаров: 10