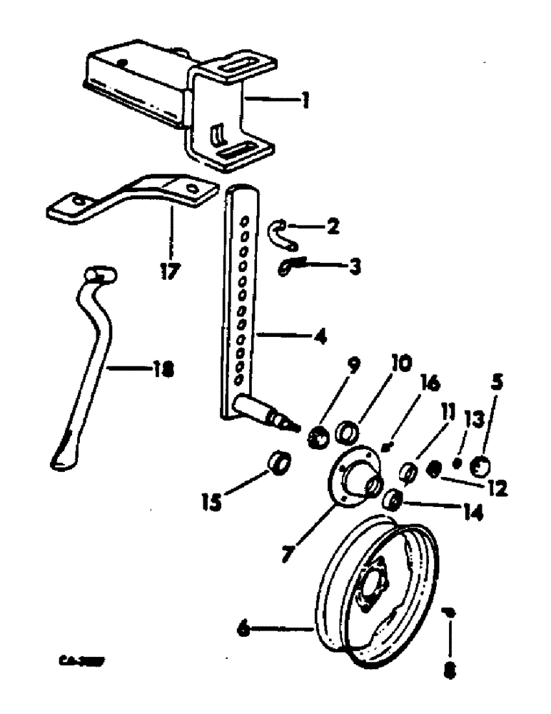
Запчасти Case IH 510 (AS-11) - GAUGE WHEEL AND BRACKET

Схема запчастей Case IH 510 - (AS-11) - GAUGE WHEEL AND BRACKET
FIT
1:1
100%

Артикул

Название

Примечание

Количество

1

56612C1

BRACKET

ASSY

1шт.

413-1056

BOLT,Hex, 5/8" - 11 x 3-1/2", Gr 5

SCREW, 5/8-11 x 3-1/2 znd hex-hd cap

1шт.

20331R1

BOLT,Hex, 5/8" - 11 x 8 1/2", Gr 5

SCREW, 5/8-11 x 8-1/2 hex-hd cap

1шт.

473211R1

LOCK NUT,5/8"-11, GB

NUT, 5/8-11 CDP distorted thd hex. lock

2шт.

2

520620R1

AXLE PIN

PIN, retaining (Replaces 517843R1)

1шт.

3

520175R1

CLIP

PIN, quick attachable cot.

1шт.

4

467474R92

SUPPORT ASSY.

STANDARD ASSY

1шт.

472634R1

WASHER

special

1шт.

87395

COTTER PIN,1/8" OD x 1-1/4" OAL

PIN, SPLIT (COTTER), 1/8" x 1-1/4"

1шт.

5

651194R1

CAP

hub

1шт.

6

463036R1

WHEEL (STEERING)

WHEEL, 14 in., tire 7.00 x 14 in., 7.50 x 14 in., 8.00 x 14 in.

1шт.

7

472220R21

HUB

ASSY, wheel

1шт.

8

351079R1

BOLT,Hex Counter Shank, 1/2" - 20 x 23/32"

1/2-20 x 15/16 conical hd hub

4шт.

9

651818R91

ROLLER BEARING,31.77 mm ID x 16.08 mm

BEARING ASSY, inner cone

1шт.

10

651817R1

BEARING CUP

BEARING, inner cup

1шт.

11

651814R1

BEARING CUP

BEARING, outer cup

1шт.

12

651815R91

BEARING ASSY,7.508" ID x 17.82" OD x 6"

BEARING ASSY, outer cone

1шт.

12

651815R91GV

BEARING CONE

Value, Cone Bearing

1шт.

13

69442D

NUT

3/4-16 slt-hex.

1шт.

14

472221R91

SEAL,39.57mm ID x 58.6mm OD x 7.37mm Thk

wheel hub oil

1шт.

15

472222R1

SLEEVE

oil seal wear

1шт.

16

86636814

LUBE NIPPLE,1/4"-28 x .52" lg

FITTING, 1/4-28 NF str lub

1шт.

17

56613C1

BRACE

bracket

1шт.

18

490680R1

ROD

BAR, gauge wheel

1шт.

Выбрано товаров: 24