Запчасти Case IH 510 (AS-03) - MAIN FRAME, TIE ROD AND STAND, FOR UNITS A THRU H

Схема запчастей Case IH 510 - (AS-03) - MAIN FRAME, TIE ROD AND STAND, FOR UNITS A THRU H
FIT
1:1
100%

Артикул

Название

Примечание

Количество

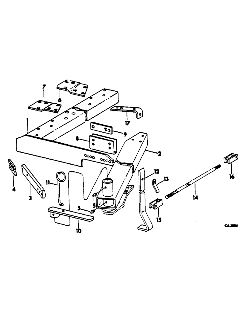
1

56524C1

FRAME ASSY, main 16 in. for unit A

1шт.

1

56527C1

FRAME ASSY, main 14 in., for unit B

1шт.

1

56529C1

FRAME ASSY, main 16 in., for unit C

1шт.

1

56531C1

FRAME ASSY, main 18 in., for unit D

1шт.

1

56533C1

FRAME ASSY, main 14 in., for unit E

1шт.

1

56536C1

FRAME ASSY, main 16 in., for unit F

1шт.

1

56580C1

FRAME ASSY, main 18 in., for unit G

1шт.

1

56582C1

FRAME ASSY, main 16 in., for unit H

1шт.

280232

BOLT,Hex, 5/8" - 11 x 5 1/2", Gr 5

8 for unit A; 12 for units B, C, D; 16 for units E, F and G; 20 for unit H Hex, 5/8"-11 x 5 1/2", G5

1шт.

473211R1

LOCK NUT,5/8"-11, GB

NUT, 5/8-11 CDP distorted thd hex., 8 for unit A, 12 for units B, C and D, 16 for units E, F and G, 20 for unit H

1шт.

2

56586C1

FRAME ASSY, pull

1шт.

3

56585C1

RAIL, colter stub, 3 for unit A, 4 for units B, C and D, 5 for units E, F and G, 6 for unit H

1шт.

4

524465R1

SUPPORT

BAR, beam spacer, 3 for unit A, 4 for units B, C and D, 5 for units E, F and G, 6 for unit H

1шт.

413-1052

BOLT,Hex, 5/8" - 11 x 3-1/4", Gr 5

SCREW, 5/8-11 x 3-1/4 znd hex-hd cap, 6 for unit A, 8 for units B, C and D, 10 for units E, F and G, 12 for unit H

1шт.

473211R1

LOCK NUT,5/8"-11, GB

NUT, 3/8-11 cdp distorted thd hex., 6 for unit A, 8 for units B, C and D, 10 for units E, F and G, 12 for unit H

1шт.

5

86636814

LUBE NIPPLE,1/4"-28 x .52" lg

FITTING, 1/4-28NF 2 str

2шт.

6

56589C1

CONNECTOR, ELEC

CONNECTOR, pull beam top, for units A, B, C, E, F and H

1шт.

6

56592C1

CONNECTOR, ELEC

CONNECTOR, pull beam top, for units D and G

1шт.

7

56590C1

CONNECTOR, ELEC

CONNECTOR, pull beam bottom, for units A, B, C, E, F and H

1шт.

7

56593C1

CONNECTOR, ELEC

CONNECTOR, pull beam bottom, for units D and G

1шт.

413-1288

BOLT,Hex, 3/4" - 10 x 5-1/2", Gr 5

SCREW, 3/4-10 x 5-1/2 hex-hd cap

6шт.

473244R1

LOCK NUT,3/4"-10, GB

NUT, 3/4-10 cdp distorted thd hex. lock

6шт.

8

56594C1

FRAME

MOUNTING, pull frame

1шт.

271776

BOLT,Hex, 3/4" - 10 x 3 1/4", Gr 5

SCREW, 3/4-10 x 3-1/4 znd hex-hd cap

2шт.

20315R1

SCREW, 3/4-10 x 6 type 8 hex-hd cap

2шт.

473244R1

LOCK NUT,3/4"-10, GB

NUT, 3/4-10 cdp distorted thd hex. lock

2шт.

87340

LOCK WASHER,Helical Spring, 0.759" ID, CST, ZND

WASHER, LOCK, 3/4"

2шт.

280954

NUT,3/4"-10, G5

2шт.

9

541104R2

SPACER

1шт.

10

543269R1

ARM

ASSY, front steering

1шт.

22218R1

SCREW

5/8-11 x 1-1/4 znp sq-hd cup-pt set

1шт.

425-1410

JAM NUT,Jam, 5/8"-11, G5

5/8-11 znd hex. jam

1шт.

11

485631R1

ROD, hyd hose

1шт.

180179

BOLT,Hex, 1/2" - 13 x 1 3/4", Gr 5

SCREW, 1/2-13 x 1-3/4 znd hex-hd cap

1шт.

460908R1

WASHER

17/32 x 1-1/2 x 11 ga znd

2шт.

474848R1

LOCK NUT,1/2"-13, GB

NUT, 1/2-13 CDP distorted thd hex.

1шт.

12

544099R1

BAR

stand

1шт.

13

544098R1

SUPPORT

HANDLE, stand

1шт.

21283R1

BOLT,5/8" x 8", Gr 1

5/8-11 x 8 znd sq-nk crg

1шт.

14

56607C1

ROD, tie, 18 in., for unit G

1шт.

14

56608C1

ROD, tie, 14 and 16 in., for units E, F and H

1шт.

15

541165R1

TURNBUCKLE

ASSY, RH, for units E, F, G and H

1шт.

425-1014

NUT,7/8"-9, G5

NUT, 7/8"-9, G5

1шт.

16

541166R1

TURNBUCKLE

ASSY, LH, for units E, F, G and H

1шт.

21950R1

HEADED PIN,3/4" x 2 1/2"

PIN, 3/4 x 2-1/2 znd std-hd

2шт.

217973

COTTER PIN,1/4" x 1 1/4"

Pin, Split (Cotter), 1/4" x 1-1/4"

2шт.

17

56614C1

BRACKET, tie rod, for units E, F, G and H

1шт.

22574R1

BOLT, 3/4-10 x 5 cdp hex-hd cap

1шт.

473244R1

LOCK NUT,3/4"-10, GB

NUT, 3/4-10 CDP distorted the hex.

1шт.

413-1072

BOLT,Hex, 5/8" - 11 x 4-1/2", Gr 5

SCREW, 5/8-11 x 4-1/2 znd hex-hd cap

1шт.

473211R1

LOCK NUT,5/8"-11, GB

NUT, 5/8-10 CDP distorted thd hex.

1шт.

Выбрано товаров: 51